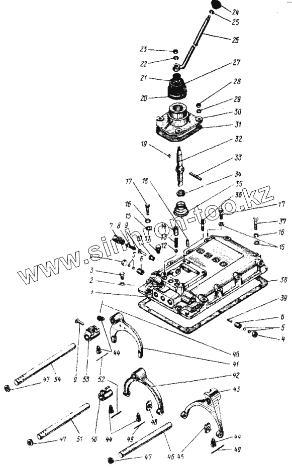
Каталог запасных частей к технике: УралАЗ УРАЛ-4320. Механизм переключения передач
1
2
3
4
4
5
5
6
6
7
8
9
9
10
11
12
13
14
15
15
16
16
17
17
18
19
20
21
22
23
24
25
26
27
28
29
30
31
32
33
34
35
36
37
38
39
40
40
41
42
43
44
44
44
45
46
47
47
47
48
49
50
51
52
53
54
| Позиция на иллюстрации | Заводской номер детали | Название детали | |
|---|---|---|---|
| 14-1702010 | 14-1702010 | Механизм переключения передач в сборе | |
| 14-1702013 | 14-1702013 | Крышка коробки передач верхняя | |
| 141-1702114 | 141-1702114 | Наконечник рычага с опорой в сборе | |
| 141-1702005 | 141-1702005 | Механизм переключения передач с опорой рычага в сборе | |
| 1 | 14-1702015 | Крышка коробки передач | |
| 2 | 1-02570-60 | Прокладка | |
| 3 | 1-03007-71 | Пробка М16х1,5 | |
| 4 | 1-43285-40 | Заглушка диаметр 16 чашечная | |
| 5 | [Шарик БV 9,525 мм Н] | Шарик БV 9,525 мм Н | |
| 6 | 14-1702090 | Втулка шариков | |
| 7 | 14-1702132 | Стакан пружины предохранителя включения 1-й передачи | |
| 8 | 14-1702127 | Пружина предохранителя включения 1-й передачи и заднего хода | |
| 9 | 14-1702129 | Предохранитель включения 1-й передачи и заднего хода | |
| 10 | 14-1702022 | Втулка | |
| 11 | 14-1702170 | Сапун коробки передач | |
| 12 | [Шарик БV 12,7 мм Н] | Шарик БV 12,7 мм Н | |
| 13 | 14-1702106 | Пружина стопорного шарика механизма переключения передач | |
| 14 | 14-1702088 | Стакан | |
| 15 | 1-26386-01 | Шайба 10 | |
| 16 | 1-05168-73 | Шайба 10 пружинная | |
| 17 | 870024-П29 | Болт М10х1,25х40 | |
| 18 | 1-03389-26 | Штифт 10х25 | |
| 19 | 338082-П29 | Шпонка сегментная 4х6,5 | |
| 20 | 1-02924-90 | Хомут в сборе | |
| 21 | 1-02906-90 | Хомут в сборе | |
| 22 | 252138 П9 | Шайба 14.ОТ.65Г.05 | |
| 23 | 250634-П29 | Гайка М14х1,5 | |
| 24 | 353-1703025 | Рукоятка рычага в сборе | |
| 25 | 252137-П9 | Шайба пружинная 12 | |
| 26 | 4320-1702120 | Рычаг переключения передач | |
| 27 | 141-1702133 | Колпак опоры защитный | |
| 28 | 1-21647-21 | Гайка М10х1,25 | |
| 29 | 1-05168-73 | Шайба 10 пружинная | |
| 30 | 141-1702121 | Опора рычага | |
| 31 | 14 1702122 | Прокладка фланца верхней крышки | |
| 32 | 141-1702119 | Наконечник рычага | |
| 33 | 870756-П2 | Штифт 10Х75 | |
| 34 | 141-1702131 | Шайба пружины рычага | |
| 35 | 141-1702130 | Пружина наконечника рычага | |
| 36 | 1-35464-21 | Шпилька М10Х1,25Х20Х28 | |
| 37 | 1-12880-21 | Болт М10х1,25х60 | |
| 38 | 14-1702014 | Прокладка верхней крышки | |
| 39 | 870760-П2 | Штифт 5Х19 | |
| 40 | 258254-П29 | Шплинт-проволока 1,2х200 | |
| 41 | 14-1702024 | Вилка переключения 1-й передачи и заднего хода | |
| 42 | 14-1702027 | Вилка переключения 2-й и 3-й передач | |
| 43 | 14-1702033 | Вилка переключения 4-й и 5-й передач | |
| 44 | 14-1702025 | Винт установочный | |
| 45 | 14-1702035 | Сухарь вилки переключения 4-й и 5-й передач | |
| 46 | 14-1702074 | Шток вилки переключения 4-й и 5-й передач | |
| 47 | 1-43289-40 | Заглушка диаметр 25 чашечная | |
| 48 | 14-1702029 | Сухарь вилки переключения 2-й, 3-й передач | |
| 49 | 258252-П29 | Шплинт-проволока 1,2Х150 | |
| 50 | 14-1702028 | Головка штока вилки переключения 2-й и 3-й пе-редач (456623099) | |
| 51 | 14-1702064 | Шток вилки переключения 2-й и 3-й передач | |
| 52 | 258250-П29 | Шплинт-проволока 1,2х100 | |
| 53 | 14-1702053 | Головка штока переключения 1-й передачи и заднего хода | |
| 54 | 14-1702060 | Шток вилки переключения 1-й передачи и заднего хода |
Содержащиеся в справочниках-каталогах запасные части и детали не предлагаются к продаже, а носят исключительно информационный характер