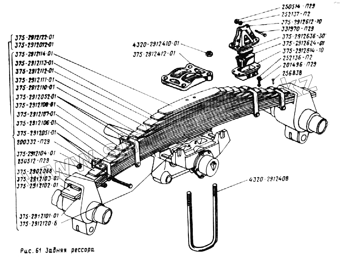
Каталог запасных частей к технике: УралАЗ УРАЛ-4320. Задняя рессора
375-2912110-Б
375-2912120-Б
375-2912102-01
375-2912103-01
375-2902068
375-2912104-01
375-2912106-01
375-2912107-01
375-2912108-01
375-2912412-01
375-2912111-01
375-2912112-01
375-2912113-01
375-2912114-01
375-2912012-01
375-2912052-01
375-2912051-01
331970-П29
4320-2912410-01
375-2912101-01
375-2912122-01
4320-2912408
256838
201496-П29
252136-П2
375-2912624-01
252137-П2
250514-П29
250512-П29
200332-П29
375-2912614-10
375-2912636-30
375-2912612-10
| Позиция на иллюстрации | Заводской номер детали | Название детали | |
|---|---|---|---|
| 375-2912110-Б | 375-2912110-Б | Лист № 10 задней рессоры | |
| 375-2912120-Б | 375-2912120-Б | Лист отбойный | |
| 375-2912102-01 | 375-2912102-01 | Лист № 2 задней рессоры | |
| 375-2912103-01 | 375-2912103-01 | Лист № 3 задней рессоры | |
| 375-2902068 | 375-2902068 | Трубка распорная хомутов | |
| 375-2912104-01 | 375-2912104-01 | Лист № 4 задней рессоры | |
| 375-2912106-01 | 375-2912106-01 | Лист № 6 задней рессоры | |
| 375-2912107-01 | 375-2912107-01 | Лист № 7 задней рессоры | |
| 375-2912108-01 | 375-2912108-01 | Лист № 8 задней рессоры | |
| 375-2912412-01 | 375-2912412-01 | Накладка стремянок | |
| 375-2912111-01 | 375-2912111-01 | Лист № 11 задней рессоры | |
| 375-2912112-01 | 375-2912112-01 | Лист № 12 задней рессоры | |
| 375-2912113-01 | 375-2912113-01 | Лист № 13 задней рессоры | |
| 375-2912114-01 | 375-2912114-01 | Лист № 14 задней рессоры | |
| 375-2912012-01 | 375-2912012-01 | Рессора задняя в сборе | |
| 375-2912052-01 | 375-2912052-01 | Лист №9 с хомутами | |
| 375-2912051-01 | 375-2912051-01 | Лист №5 с хомутами | |
| 331970-П29 | 331970-П29 | Болт М12х40 | |
| 334932-П29 | 334932-П29 | Гайка М22х2,5 | |
| 4320-2912410-01 | 4320-2912410-01 | Гайка стремянки М24х2 | |
| 375-2912101-01 | 375-2912101-01 | Лист 1 задней рессоры | |
| 375-2912122-01 | 375-2912122-01 | Рессора задняя со скобами в сборе | |
| 4320-2912408 | 4320-2912408 | Стремянка задней рессоры | |
| 256838 | 256838 | Заклепка 10х24 | |
| 201496-П29 | 201496-П29 | Болт М10-6gх22 | |
| 252136-П2 | 252136-П2 | Шайба 10 пружинная | |
| 375-2912624-01 | 375-2912624-01 | Буфер задней подвески | |
| 252137-П2 | 252137-П2 | Шайба 12 пружинная | |
| 250514-П29 | 250514-П29 | Гайка М12-6Н | |
| 250512-П29 | 250512-П29 | Гайка М10 | |
| 200332-П29 | 200332-П29 | Болт М10-6gх115 | |
| 375-2912614-10 | 375-2912614-10 | Обойма буфера | |
| 375-2912636-30 | 375-2912636-30 | Подкладка буфера | |
| 375-2912612-10 | 375-2912612-10 | Кронштейн буфера задний |
Содержащиеся в справочниках-каталогах запасные части и детали не предлагаются к продаже, а носят исключительно информационный характер