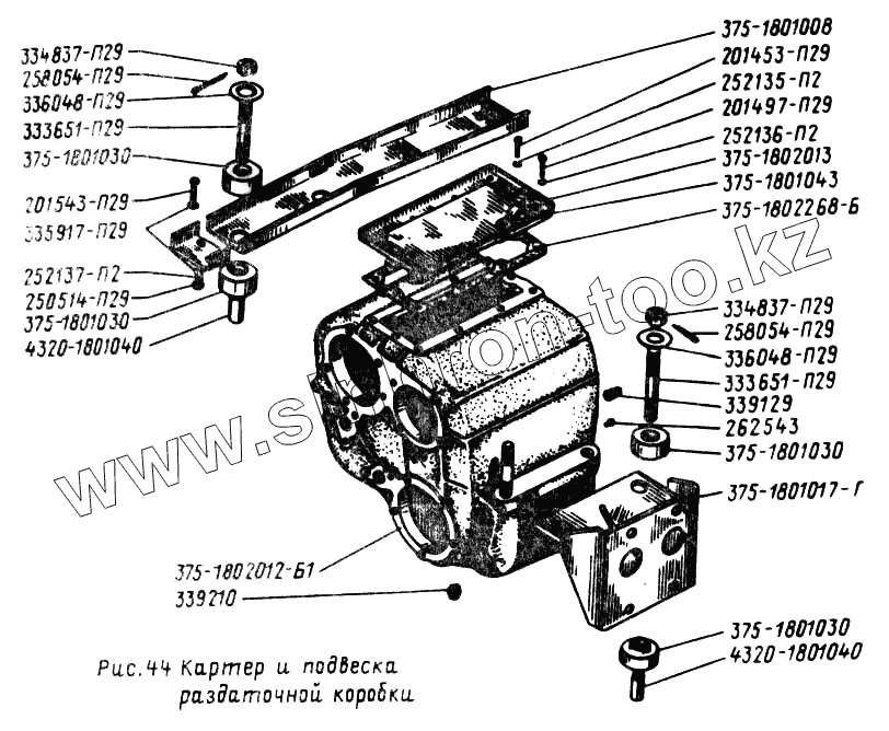
Каталог запасных частей к технике: УралАЗ УРАЛ-4320. Картер и подвеска раздаточной коробки
262543
334837-П29
334837-П29
258054-П29
258054-П29
336048-П29
336048-П29
333651-П29
333651-П29
201543-П29
335917-П29
201453-П29
252135-П2
201497-П29
252136-П2
375-1802013
339129
375-1802012-Б1
339210
252137-П2
250514-П29
4320-1801040
4320-1801040
375-1801008
375-1801043
375-1802268-Б
375-1801017-Г
375-1801030
375-1801030
375-1801030
375-1801030
| Позиция на иллюстрации | Заводской номер детали | Название детали | |
|---|---|---|---|
| 262543 | 262543 | Пробка РК3/8" | |
| 334837-П29 | 334837-П29 | Гайка М18х1,5 | |
| 258054-П29 | 258054-П29 | Шплинт 4х32 | |
| 336048-П29 | 336048-П29 | Шайба 18 | |
| 333651-П29 | 333651-П29 | Шпилька М18х1,5х24 | |
| 201543-П29 | 201543-П29 | Болт М12-6gх38 | |
| 335917-П29 | 335917-П29 | Шайба 12,5 | |
| 201453-П29 | 201453-П29 | Болт М8-6gх14 | |
| 252135-П2 | 252135-П2 | Шайба 8 пружинная | |
| 201497-П29 | 201497-П29 | Болт М10-6gх25 | |
| 252136-П2 | 252136-П2 | Шайба 10 пружинная | |
| 375-1802013 | 375-1802013 | Крышка верхнего люка с маслоуловителем в сборе | |
| 339129 | 339129 | Пробка наливная К3/4" | |
| 375-1802012-Б1 | 375-1802012-Б1 | Картер раздаточной коробки | |
| 339210 | 339210 | Пробка магнитная К3/4" в сборе | |
| 252137-П2 | 252137-П2 | Шайба 12 пружинная | |
| 250514-П29 | 250514-П29 | Гайка М12-6Н | |
| 4320-1801040 | 4320-1801040 | Втулка распорная | |
| 375-1801008 | 375-1801008 | Кронштейн правый в сборе | |
| 375-1801043 | 375-1801043 | Скоба подъема раздаточной (дополнительной) коробки | |
| 375-1802268-Б | 375-1802268-Б | Прокладка уплотнительная крышки верхнего люка | |
| 375-1801017-Г | 375-1801017-Г | Кронштейн подвески левый в сборе | |
| 375-1802083 | 375-1802083 | Шайба стопорная | |
| 375-1802211-01 | 375-1802211-01 | Фланец задний | |
| 375-1801030 | 375-1801030 | Подушка подвески раздаточной коробки в сборе |
Содержащиеся в справочниках-каталогах запасные части и детали не предлагаются к продаже, а носят исключительно информационный характер