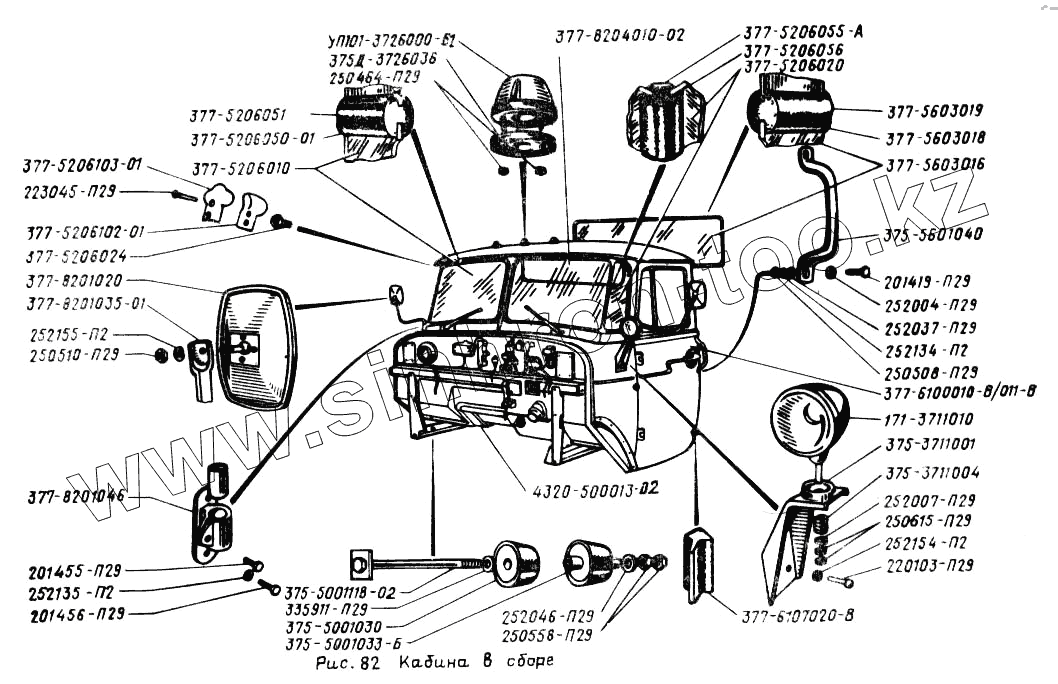
Каталог запасных частей к технике: УралАЗ УРАЛ-4320. Кабина в сборе
335911-П29
377-5603018
377-5603016
223045-П29
252155-П2
250510-П29
201455-П29
252135-П2
201456-П29
377-5603019
250464-П29
252046-П29
250558-П29
201419-П29
252004-П29
220103-П29
252037-П29
252134-П2
375-5001030
375-3711001
375-3711004
375-5601040
377-5206103-01
377-5206102-01
377-5206024
377-8201035-01
377-8201046
250508-П29
377-5206051
377-5206050-01
377-5206010
375Д-3726036
377-8204010-02
377-5206055-А
377-5206056
377-5206020
377-8201020
УП101-3726010-Б1
4320-5000013-02
377-6100010-В
377-6100011-В
375-5001033-Б
171-3711010
252007-П29
250615-П29
252154-П2
375-5001118-02
377-6107020-В
| Позиция на иллюстрации | Заводской номер детали | Название детали | |
|---|---|---|---|
| 335911-П29 | 335911-П29 | Шайба 15,5 | |
| 377-5603018 | 377-5603018 | Уплотнитель стекла | |
| 377-5603016 | 377-5603016 | Стекло заднего окна | |
| 223045-П29 | 223045-П29 | Винт М5-6gх28 | |
| 252155-П2 | 252155-П2 | Шайба 8 пружинная | |
| 250510-П29 | 250510-П29 | Гайка М8-6Н | |
| 201455-П29 | 201455-П29 | Болт М8-6gх18 | |
| 252135-П2 | 252135-П2 | Шайба 8 пружинная | |
| 201456-П29 | 201456-П29 | Болт М8-6gх20 | |
| 377-5603019 | 377-5603019 | Замок уплотнителя | |
| 250464-П29 | 250464-П29 | Гайка М5-6Н | |
| 252046-П29 | 252046-П29 | Шайба 14 | |
| 250558-П29 | 250558-П29 | Гайка М14-6Н | |
| 201419-П29 | 201419-П29 | Болт М6 | |
| 252004-П29 | 252004-П29 | Шайба 6 | |
| 220103-П29 | 220103-П29 | Винт М6-6gх12 | |
| 252037-П29 | 252037-П29 | Шайба 6 | |
| 252134-П2 | 252134-П2 | Шайба 6 пружинная | |
| 375-5001030 | 375-5001030 | Подушка подвески кабины в сборе | |
| 375-3711001 | 375-3711001 | Кронштейн поворотной фары | |
| 375-3711004 | 375-3711004 | Пружина поворотной фары | |
| 375-5601040 | 375-5601040 | Поручень панели задка | |
| 377-5206103-01 | 377-5206103-01 | Накладка прижимная наружная | |
| 377-5206102-01 | 377-5206102-01 | Накладка прижимная внутренняя | |
| 377-5206024 | 377-5206024 | Гайка | |
| 377-8201035-01 | 377-8201035-01 | Держатель зеркала заднего вида левый | |
| 377-8201046 | 377-8201046 | Кронштейн зеркала заднего вида | |
| 250508-П29 | 250508-П29 | Гайка М6-6Н | |
| 377-5206051 | 377-5206051 | Замок уплотнителя стекла ветрового окна | |
| 377-5206050-01 | 377-5206050-01 | Уплотнитель стекла ветрового окна | |
| 377-5206010 | 377-5206010 | Стекло ветрового окна большое | |
| 375Д-3726036 | 375Д-3726036 | Прокладка | |
| 377-8204010-02 | 377-8204010-02 | Козырек противосолнечный в сборе | |
| 377-5206055-А | 377-5206055-А | Уплотнитель стыка стекол ветрового окна | |
| 377-5206056 | 377-5206056 | Замок уплотнителя | |
| 377-5206020 | 377-5206020 | Стекло ветрового окна малое | |
| 377-8201020 | 377-8201020 | Зеркало заднего вида в сборе | |
| 377-6105150-02 | 377-6105150-02 | Ручка двери наружная левая с замком в сборе | |
| 377-8101060-А | 377-8101060-А | Радиатор отопителя в сборе | |
| УП101-3726010-Б1 | УП101-3726010-Б1 | Повторитель поворота боковой и знак автопоезда | |
| 13-5208010 | 13-5208010 | Насос омывателя ветрового стекла в сборе | |
| КР-30Б-01-5205010 | КР-30Б-01-5205010 | Кран стеклоочистителя | |
| 5557-8101180 | 5557-8101180 | Кран масляного радиатора в сборе | |
| 21-5208087-02 | 21-5208087-02 | Клапан впускной с фильтром опрыскивателя в сборе | |
| 4320-5000013-02 | 4320-5000013-02 | Кабина в сборе | |
| 377-6105151-01 | 377-6105151-01 | Ручка двери наружная правая в сборе | |
| 377-6105012-01 | 377-6105012-01 | Замок двери правый в сборе | |
| 377-6105013-01 | 377-6105013-01 | Замок двери левый в сборе | |
| 13-5208064-01 | 13-5208064-01 | Жиклер опрыскивателя ветрового стекла в сборе | |
| 13-5208064-01 | 13-5208064-01 | Жиклер опрыскивателя ветрового стекла в сборе | |
| 377-8102132 | 377-8102132 | Дефлектор | |
| 377-6100010-В | 377-6100010-В | Дверь с арматурой, стеклами и обивкой окрашенная правая в сборе | |
| 377-6100011-В | 377-6100011-В | Дверь с арматурой, стеклами и обивкой окрашенная левая в сборе | |
| 375-5001033-Б | 375-5001033-Б | Втулка распорная | |
| 171-3711010 | 171-3711010 | Фара-прожектор в сборе | |
| 252007-П29 | 252007-П29 | Шайба 12 | |
| 250615-П29 | 250615-П29 | Гайка М12х1,25-6Н | |
| 252154-П2 | 252154-П2 | Шайба 6 пружинная | |
| СЛ440П-5205800 | СЛ440П-5205800 | Щетка | |
| 4320-8101224 | 4320-8101224 | Шланг водоотводящий отопителя | |
| АР20-1112145 | АР20-1112145 | Фильтр клапана | |
| 375-6106110 | 375-6106110 | Фиксатор двери правый в сборе | |
| 375-6106111 | 375-6106111 | Фиксатор двери левый в сборе | |
| 375-5001118-02 | 375-5001118-02 | Болт М14х180 крепления кабины | |
| 375-6107030-01 | 375-6107030-01 | Уплотнитель двери нижний | |
| 377-6107020-В | 377-6107020-В | Уплотнитель двери на кузове | |
| 377-6107029 | 377-6107029 | Уплотнитель двери | |
| 164А-6104010-Б | 164А-6104010-Б | Стеклоподъемник двери правый в сборе | |
| 164А-6104011-Б | 164А-6104011-Б | Стеклоподъемник двери левый в сборе | |
| СЛ440П-5205010 | СЛ440П-5205010 | Стеклоочиститель | |
| СЭ300-8102100 | СЭ300-8102100 | Сопротивление электродвигателя отопителя |
Содержащиеся в справочниках-каталогах запасные части и детали не предлагаются к продаже, а носят исключительно информационный характер