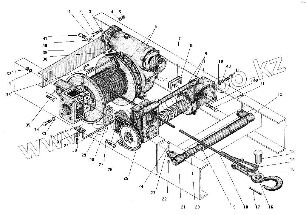
Каталог запасных частей к технике: УралАЗ УРАЛ-4320-41. Лебедка с тросоукладчиком в сборе
1
2
3
4
4
5
6
7
8
9
10
11
12
13
14
15
16
17
18
19
20
21
22
23
23
24
25
26
27
28
29
30
31
32
33
34
35
36
37
38
39
40
40
40
41
41
| Позиция на иллюстрации | Заводской номер детали | Название детали | |
|---|---|---|---|
| 1 | 4320Х-4501215 | Поперечина подвески лебедки | |
| 2 | 202195-П29 | Болт М18х1,5-6gх45 | |
| 3 | 336024-П29 | Шайба 19 | |
| 4 | 252140-П2 | Шайба 18.ОТ | |
| 5 | 250563-П29 | Гайка М18х1,5-6Н | |
| 6 | 375-4501005-В | Лебедка с редуктором в сборе | |
| 7 | 375-4511079-01 | Прокладка регулировочная правая толщиной 0,5 мм | |
| 8 | 375-4511077 | Прокладка регулировочная правая, толщиной 4 или 5мм | |
| 9 | 375-4511030 | Тросоукладчик в сборе | |
| 10 | 252020-П29 | Шайба 22 | |
| 11 | 202273-П29 | Болт М22-6gх45 | |
| 12 | 375-4501260-Б | Кронштейн направляющего ролика правый | |
| 13 | 375-4504023 | Валик | |
| 14 | 375-4504021 | Клин коуша | |
| 15 | 375-4504020 | Коуш троса | |
| 16 | 375-4504035 | Крюк лебедки | |
| 17 | 258069 | Шплинт 5х36 | |
| 18 | 375-4504015 | Трос 17,5-Н-190-1 длиной 70,5м | |
| 19 | 375-4501250-02 | Ролик направляющий в сборе | |
| 20 | 375-4501259-Б | Втулка | |
| 21 | 375-4501261-Б | Кронштейн направляющего ролика левый | |
| 22 | 250512-П29 | Гайка М10 | |
| 23 | 252136-П2 | Шайба 10 пружинная | |
| 24 | 201501-П29 | Болт М10-6gх35 | |
| 25 | 375-4511052 | Цепь приводная роликовая однорядная нормальная 12х19,05 в сборе | |
| 26 | 330009-П29 | Болт М14х1,5х39 | |
| 27 | 252138-П2 | Шайба 14 пружинная | |
| 28 | 375-4511074-А | Прокладка регулировочная левая толщ. 4 мм | |
| 29 | 375-4511073-01 | Прокладка регулировочная левая толщиной 0,5 мм | |
| 30 | 201496-П29 | Болт М10-6gх22 | |
| 31 | 252006-П29 | Шайба 10 | |
| 32 | 375-4504005 | Отбойник троса в сборе | |
| 33 | 252141-П2 | Шайба 20.ОТ | |
| 34 | 202220-П29 | Болт М20-6gх45 | |
| 35 | 202172-П29 | Болт М18-6gх55 | |
| 36 | 375-4501138-01 | Скоба крепления троса | |
| 37 | 250562-П29 | Гайка М18-6Н | |
| 38 | 252137-П2 | Шайба 12 пружинная | |
| 39 | 250514-П29 | Гайка М12-6Н | |
| 40 | 252142-П2 | Шайба 22.ОТ | |
| 41 | 332760-П29 | Болт М22х45 |
Содержащиеся в справочниках-каталогах запасные части и детали не предлагаются к продаже, а носят исключительно информационный характер