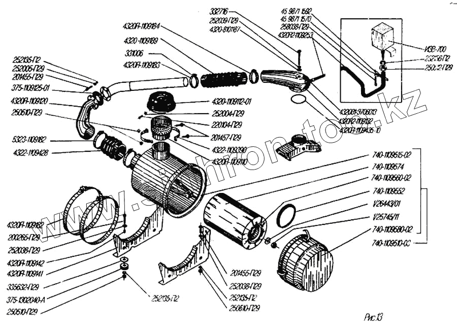
Каталог запасных частей к технике: УралАЗ УРАЛ-4320-31. Воздухопровод с воздушным фильтром
252156-П2
740-1109552
45 9871 1592
4320Я-1109110
4320Я-1109120
4320Я2-1109253
4320-8101187
740-1109510-03
4322-1109390
4320Я-1109182
335632-П29
252039-П29
375-1109125-01
252004-П29
252005-П29
252038-П29
252038-П29
252135-П2
252135-П2
252135-П2
1/26443/01
4320Я2-1109189
258038-П29
432001-3706013
4322-1109428
740-1109560-02
4320-1109112-01
201455-П29
201455-П29
201457-П29
200265-П29
331006
220104-П29
4320Я-1109142
250512-П29
1/25745/11
250510-П29
250510-П29
250510-П29
ИЗ8-700
332716
4320Я-1109435-10
740-1109515-02
4320Я-1109141
740-1109580-02
45 9871 1570
5323-1109182
4320Я-1109183
4320Я2-1109132
375-1302040-А
740-1109574
| Позиция на иллюстрации | Заводской номер детали | Название детали | |
|---|---|---|---|
| 252156-П2 | 252156-П2 | Шайба 10 пружинная | |
| 740-1109552 | 740-1109552 | Прокладка элемента | |
| 45 9871 1592 | 45 9871 1592 | Пряжка хомута | |
| 4320Я-1109110 | 4320Я-1109110 | Труба воздухозаборная в сборе | |
| 4320Я-1109120 | 4320Я-1109120 | Труба воздухопровода в сборе | |
| 4320Я2-1109253 | 4320Я2-1109253 | Трубка индикатора | |
| 4320-8101187 | 4320-8101187 | Уплотнитель | |
| 740-1109510-03 | 740-1109510-03 | Фильтр воздушный в сборе | |
| 4322-1109390 | 4322-1109390 | Хомут | |
| 4320Я-1109182 | 4320Я-1109182 | Хомут в сборе | |
| 335632-П29 | 335632-П29 | Шайба 12 | |
| 252039-П29 | 252039-П29 | Шайба 10 | |
| 375-1109125-01 | 375-1109125-01 | Прокладка | |
| 252004-П29 | 252004-П29 | Шайба 6 | |
| 252005-П29 | 252005-П29 | Шайба 8 | |
| 252038-П29 | 252038-П29 | Шайба 8,5 | |
| 252135-П2 | 252135-П2 | Шайба 8 пружинная | |
| 1/26443/01 | 1/26443/01 | Шайба плоская 10х35 | |
| 4320Я2-1109189 | 4320Я2-1109189 | Шланг воздухопровода в сборе | |
| 258038-П29 | 258038-П29 | Шплинт 3,2х16 | |
| 432001-3706013 | 432001-3706013 | Штуцер | |
| 4322-1109428 | 4322-1109428 | Щланг соединительный в сборе | |
| 740-1109560-02 | 740-1109560-02 | Элемент фильтрующий в сборе | |
| 4320-1109112-01 | 4320-1109112-01 | Колпак | |
| 201455-П29 | 201455-П29 | Болт М8-6gх18 | |
| 201457-П29 | 201457-П29 | Болт М8-6gх22 | |
| 200265-П29 | 200265-П29 | Болт М8-6gх40 | |
| 331006 | 331006 | Болт хомута | |
| 220104-П29 | 220104-П29 | Винт М6-6gх14 | |
| 4320Я-1109142 | 4320Я-1109142 | Втулка | |
| 250512-П29 | 250512-П29 | Гайка М10 | |
| 1/25745/11 | 1/25745/11 | Гайка М10х1,25 | |
| 250510-П29 | 250510-П29 | Гайка М8-6Н | |
| ИЗ8-700 | ИЗ8-700 | Индикатор засоренности | |
| 332716 | 332716 | Болт | |
| 4320Я-1109435-10 | 4320Я-1109435-10 | Кольцо уплотнительное | |
| 740-1109515-02 | 740-1109515-02 | Корпус с пылеотбойником в сборе | |
| 4320Я-1109141 | 4320Я-1109141 | Кронштейн воздушного фильтра | |
| 740-1109580-02 | 740-1109580-02 | Крышка фильтра | |
| 45 9871 1570 | 45 9871 1570 | Лента 14 хомута | |
| 5323-1109182 | 5323-1109182 | Лента хомута | |
| 4320Я-1109183 | 4320Я-1109183 | Лента хомута в сборе | |
| 4320Я2-1109132 | 4320Я2-1109132 | Насадок | |
| 375-1302040-А | 375-1302040-А | Подушка подвески радиатора | |
| 740-1109574 | 740-1109574 | Предочиститель |
Содержащиеся в справочниках-каталогах запасные части и детали не предлагаются к продаже, а носят исключительно информационный характер