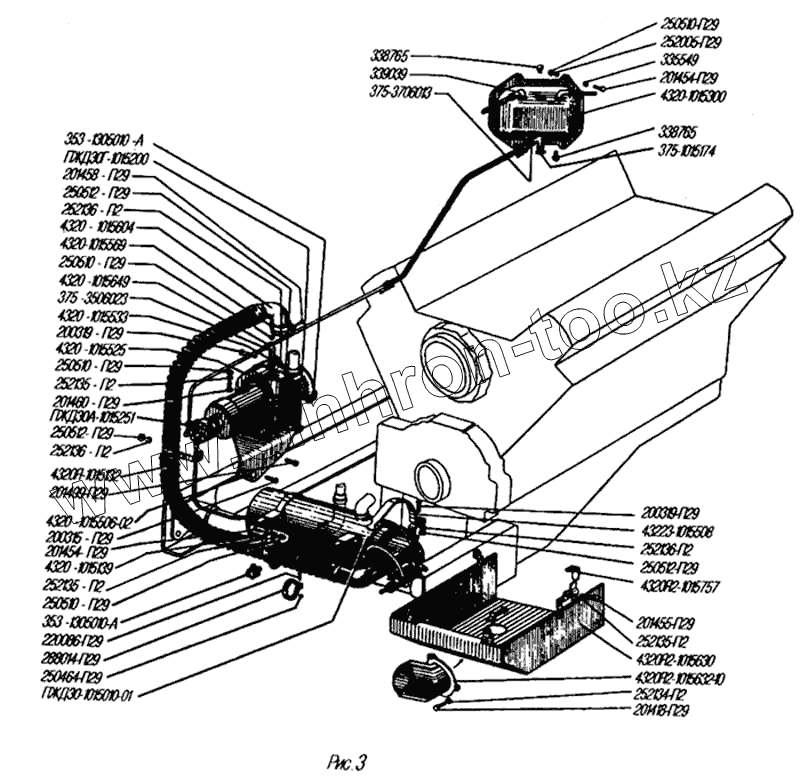
Каталог запасных частей к технике: УралАЗ УРАЛ-4320-31. Установка агрегатов системы предпускового подогрева
339039
ПЖД30А-1015251
4320-1015604
4320Я2-1015632-10
338765
338765
375-3506023
4320-1015525
4320-1015533
43223-1015508
4320Я2-1015757
4320-1015506-02
4320-1015569
4320-1015649
252136-П2
252136-П2
252136-П2
252134-П2
252005-П29
252135-П2
252135-П2
252135-П2
335549
288014-П29
375-3706013
220086-П29
4320-1015300
201499-П29
200315-П29
200319-П29
200319-П29
201418-П29
201454-П29
201454-П29
201455-П29
201458-П29
201460-П29
ПЖД30Г-1015200
250512-П29
250512-П29
250512-П29
250464-П29
250510-П29
250510-П29
250510-П29
250510-П29
4320Я2-1015630
ПЖД-30-1015010-01
375-1015174
353-1305010-А
353-1305010-А
4320-1015139
4320Я-1015132
| Позиция на иллюстрации | Заводской номер детали | Название детали | |
|---|---|---|---|
| 339039 | 339039 | Угольник М16х1,5 К3/8" | |
| ПЖД30А-1015251 | ПЖД30А-1015251 | Насос топливный в сборе | |
| 4320-1015604 | 4320-1015604 | Патрубок в сборе | |
| 4320Я2-1015632-10 | 4320Я2-1015632-10 | Патрубок в сборе | |
| 338765 | 338765 | Пробка К3/8" | |
| 375-3506023 | 375-3506023 | Прокладка хомута | |
| 4320-1015525 | 4320-1015525 | Скоба кронштейна | |
| 4320-1015533 | 4320-1015533 | Скоба кронштейна | |
| 43223-1015508 | 43223-1015508 | Скоба кронштейна | |
| 4320Я2-1015757 | 4320Я2-1015757 | Тяга кожуха масляного картера | |
| 4320-1015506-02 | 4320-1015506-02 | Кронштейн в сборе | |
| 4320-1015569 | 4320-1015569 | Хомут | |
| 4320-1015649 | 4320-1015649 | Хомут | |
| 252136-П2 | 252136-П2 | Шайба 10 пружинная | |
| 252134-П2 | 252134-П2 | Шайба 6 пружинная | |
| 252005-П29 | 252005-П29 | Шайба 8 | |
| 252135-П2 | 252135-П2 | Шайба 8 пружинная | |
| 335549 | 335549 | Шайба волнистая | |
| 288014-П29 | 288014-П29 | Хомут 48 | |
| 375-3706013 | 375-3706013 | Штуцер | |
| 220086-П29 | 220086-П29 | Винт М5-6gх30 | |
| 4320-1015300 | 4320-1015300 | Бачок топливный в сборе | |
| 201499-П29 | 201499-П29 | Болт М10-6gх30 | |
| 200315-П29 | 200315-П29 | Болт М10-6gх40 | |
| 200319-П29 | 200319-П29 | Болт М10-6gх50 | |
| 201418-П29 | 201418-П29 | Болт М6-6gх16 | |
| 201454-П29 | 201454-П29 | Болт М8-6gх16 | |
| 201455-П29 | 201455-П29 | Болт М8-6gх18 | |
| 201458-П29 | 201458-П29 | Болт М8-6gх25 | |
| 201460-П29 | 201460-П29 | Болт М8-6gх30 | |
| ПЖД30Г-1015200 | ПЖД30Г-1015200 | Агрегат насосный в сборе | |
| 250512-П29 | 250512-П29 | Гайка М10 | |
| 250464-П29 | 250464-П29 | Гайка М5-6Н | |
| 250510-П29 | 250510-П29 | Гайка М8-6Н | |
| 4320Я2-1015630 | 4320Я2-1015630 | Кожух масляного картера в сборе | |
| ПЖД-30-1015010-01 | ПЖД-30-1015010-01 | Котел подогревателя в сборе | |
| 375-1015174 | 375-1015174 | Кран проходной в сборе | |
| 353-1305010-А | 353-1305010-А | Кран сливной в сборе | |
| 4320-1015139 | 4320-1015139 | Кронштейн | |
| 4320Я-1015132 | 4320Я-1015132 | Кронштейн |
Содержащиеся в справочниках-каталогах запасные части и детали не предлагаются к продаже, а носят исключительно информационный характер