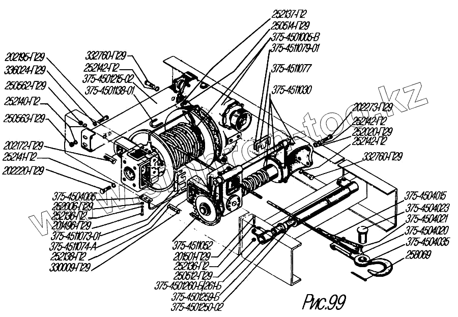
Каталог запасных частей к технике: УралАЗ УРАЛ-4320-31. Лебедка с тросоукладчиком в сборе
252006-П29
375-4504005
375-4501215-02
375-4511073-01
375-4511074-А
375-4511079-01
375-4511077
375-4501250-02
375-4501138-01
375-4511030
375-4511052
202273-П29
252136-П2
252136-П2
252137-П2
252138-П2
252140-П2
336024-П29
252141-П2
252020-П29
252142-П2
252142-П2
252142-П2
258069
375-4504021
330009-П29
332760-П29
332760-П29
375-4504023
375-4501259-Б
250512-П29
250514-П29
250562-П29
250563-П29
375-4504015
201496-П29
375-4504020
375-4501261-Б
375-4501260-Б
375-4504035
375-4501005-В
201501-П29
202172-П29
202195-П29
202220-П29
| Позиция на иллюстрации | Заводской номер детали | Название детали | |
|---|---|---|---|
| 252006-П29 | 252006-П29 | Шайба 10 | |
| 375-4504005 | 375-4504005 | Отбойник троса в сборе | |
| 375-4501215-02 | 375-4501215-02 | Поперечина подвески лебедки | |
| 375-4511073-01 | 375-4511073-01 | Прокладка регулировочная левая толщиной 0,5 мм | |
| 375-4511074-А | 375-4511074-А | Прокладка регулировочная левая толщиной 4 или 5 мм | |
| 375-4511079-01 | 375-4511079-01 | Прокладка регулировочная правая толщиной 0,5 мм | |
| 375-4511077 | 375-4511077 | Прокладка регулировочная правая, толщиной 4 или 5мм | |
| 375-4501250-02 | 375-4501250-02 | Ролик направляющий в сборе | |
| 375-4501138-01 | 375-4501138-01 | Скоба крепления троса | |
| 375-4511030 | 375-4511030 | Тросоукладчик в сборе | |
| 375-4511052 | 375-4511052 | Цепь приводная роликовая однорядная нормальная 12х19,05 в сборе | |
| 202273-П29 | 202273-П29 | Болт М22-6gх45 | |
| 252136-П2 | 252136-П2 | Шайба 10 пружинная | |
| 252137-П2 | 252137-П2 | Шайба 12 пружинная | |
| 252138-П2 | 252138-П2 | Шайба 14 пружинная | |
| 252140-П2 | 252140-П2 | Шайба 18.ОТ | |
| 336024-П29 | 336024-П29 | Шайба 19 | |
| 252141-П2 | 252141-П2 | Шайба 20.ОТ | |
| 252020-П29 | 252020-П29 | Шайба 22 | |
| 252142-П2 | 252142-П2 | Шайба 22.ОТ | |
| 258069 | 258069 | Шплинт 5х36 | |
| 375-4504021 | 375-4504021 | Клин коуша | |
| 330009-П29 | 330009-П29 | Болт М14х1,5х39 | |
| 332760-П29 | 332760-П29 | Болт М22х45 | |
| 375-4504023 | 375-4504023 | Валик | |
| 375-4501259-Б | 375-4501259-Б | Втулка | |
| 250512-П29 | 250512-П29 | Гайка М10 | |
| 250514-П29 | 250514-П29 | Гайка М12-6Н | |
| 250562-П29 | 250562-П29 | Гайка М18-6Н | |
| 250563-П29 | 250563-П29 | Гайка М18х1,5-6Н | |
| 375-4504015 | 375-4504015 | Трос 17,5-Н-190-1 длиной 70,5м | |
| 201496-П29 | 201496-П29 | Болт М10-6gх22 | |
| 375-4504020 | 375-4504020 | Коуш троса | |
| 375-4501261-Б | 375-4501261-Б | Кронштейн направляющего ролика левый | |
| 375-4501260-Б | 375-4501260-Б | Кронштейн направляющего ролика правый | |
| 375-4504035 | 375-4504035 | Крюк лебедки | |
| 375-4501005-В | 375-4501005-В | Лебедка с редуктором в сборе | |
| 201501-П29 | 201501-П29 | Болт М10-6gх35 | |
| 202172-П29 | 202172-П29 | Болт М18-6gх55 | |
| 202195-П29 | 202195-П29 | Болт М18х1,5-6gх45 | |
| 202220-П29 | 202220-П29 | Болт М20-6gх45 |
Содержащиеся в справочниках-каталогах запасные части и детали не предлагаются к продаже, а носят исключительно информационный характер