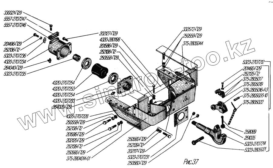
Каталог запасных частей к технике: УралАЗ УРАЛ-4320-31. Буксирный прибор
4320-2801198
264020-П29
264040-П29
375-2805020-10
5323-2805021
5557-2707246
375-2805044
5323-2707236
5557-2707247
4320-2107228
5323-2707212
375-2805019
375-2805017
5323-2707231
375-2805022
252136-П2
252138-П2
252138-П2
252139-П2
252139-П2
252135-П2
258069
4320-2707233
201586-П29
201586-П29
330021-П29
332572-П29
202117-П29
202120-П29
202127-П29
201460-П29
4320-2707253
375-2804014-01
201496-П29
5323-2707235
250558-П29
250558-П29
250559-П29
250560-П29
250560-П29
250560-П29
251035
375-2805016-А3
4320-2707254
4320-2707254
4320-2707234
5323-2707214
| Позиция на иллюстрации | Заводской номер детали | Название детали | |
|---|---|---|---|
| 4320-2801198 | 4320-2801198 | Поперечина №6 | |
| 264020-П29 | 264020-П29 | Масленка 1.3 | |
| 264040-П29 | 264040-П29 | Масленка 2.3.90.01 в сборе | |
| 375-2805020-10 | 375-2805020-10 | Ось собачки | |
| 5323-2805021 | 5323-2805021 | Палец защелки в сборе | |
| 5557-2707246 | 5557-2707246 | Пластина | |
| 375-2805044 | 375-2805044 | Пластина ограничительная | |
| 5323-2707236 | 5323-2707236 | Пластина стопорная | |
| 5557-2707247 | 5557-2707247 | Пластина стопорная | |
| 4320-2107228 | 4320-2107228 | Поперечина буксирного прибора в сборе | |
| 5323-2707212 | 5323-2707212 | Крюк буксирного прибора в сборе | |
| 375-2805019 | 375-2805019 | Пружина | |
| 375-2805017 | 375-2805017 | Собачка защелки в сборе | |
| 5323-2707231 | 5323-2707231 | Усилитель поперечины | |
| 375-2805022 | 375-2805022 | Цепочка со шплинтом в сборе | |
| 252136-П2 | 252136-П2 | Шайба 10 пружинная | |
| 252138-П2 | 252138-П2 | Шайба 14 пружинная | |
| 252139-П2 | 252139-П2 | Шайба 16 | |
| 252135-П2 | 252135-П2 | Шайба 8 пружинная | |
| 258069 | 258069 | Шплинт 5х36 | |
| 4320-2707233 | 4320-2707233 | Втулка | |
| 201586-П29 | 201586-П29 | Болт М14-6gх32 | |
| 330021-П29 | 330021-П29 | Болт М14х29 | |
| 332572-П29 | 332572-П29 | Болт М14 | |
| 202117-П29 | 202117-П29 | Болт М16-6gх35 | |
| 202120-П29 | 202120-П29 | Болт М16-6gх42 | |
| 202127-П29 | 202127-П29 | Болт М16-6gх70 | |
| 201460-П29 | 201460-П29 | Болт М8-6gх30 | |
| 4320-2707253 | 4320-2707253 | Буфер буксирного прибора | |
| 375-2804014-01 | 375-2804014-01 | Буфер задний | |
| 201496-П29 | 201496-П29 | Болт М10-6gх22 | |
| 5323-2707235 | 5323-2707235 | Гайка буксирного прибора | |
| 250558-П29 | 250558-П29 | Гайка М14-6Н | |
| 250559-П29 | 250559-П29 | Гайка М14х1,5-6Н | |
| 250560-П29 | 250560-П29 | Гайка М16х1,5-6Н | |
| 251035 | 251035 | Гайка М24х2-6Н | |
| 375-2805016-А3 | 375-2805016-А3 | Защелка буксирного крюка | |
| 4320-2707254 | 4320-2707254 | Кольцо нажимное | |
| 4320-2707234 | 4320-2707234 | Корпус буксирного прибора | |
| 5323-2707214 | 5323-2707214 | Крюк буксирного прибора |
Содержащиеся в справочниках-каталогах запасные части и детали не предлагаются к продаже, а носят исключительно информационный характер