Вернуться на главную
Поиск
Каталоги запчастей к технике
Грузовые автомобили и прицепы
УралАЗ
УРАЛ-4320-1958-70И
Рулевое управление
Каталог запасных частей к технике: УралАЗ УРАЛ-4320-1958-70И. Рулевое управление
zoom-in
zoom-out
enlarge
shrink
circle-right
circle-left
file-text2
info
cart
Тип техники
Не выбрано
Легковые автомобили
Грузовые автомобили и прицепы
Автобусы
Сельхозтехника
Спецтехника
Двигатели
Мототехника
Марка
Не выбрано
BAW
DAF
DongFeng
FAW
Foton
HOWO
Hyundai
IVECO
JAC Motors
LGMG
MAN
Shaanxi
SITRAK
Studebaker
Tata
Volvo
Автокомпонент Плюс
БелАЗ
Брянский Арсенал
ГАЗ
ЗИЛ
КАЗ
Камский автозавод
КрАЗ
Мадара
МАЗ
МЗКТ
МоАЗ
Нефтекамский автозавод
Ставропольский Завод АвтоПрицепов
ТАТРА
Тонар
УралАЗ
ЧМЗАП
Модель
Не выбрано
4320-0006982-74 (NEXT) (2017)
УРАЛ-375
УРАЛ-4320
УРАЛ-4320 (1981)
УРАЛ-4320-0971-58 (2010)
УРАЛ-4320-1151-59 (2010)
УРАЛ-4320-1951-58 (2010)
УРАЛ-4320-1958-70И (2012)
УРАЛ-4320-31
УРАЛ-4320-31
УРАЛ-4320-41
УРАЛ-4320-60 (2013)
УРАЛ-4320-61 (2013)
УРАЛ-4320-6951-74 (2015)
УРАЛ-4320-80М/82М (2015)
УРАЛ-43202
УРАЛ-43203-10
УРАЛ-43204-1111-70 (2012)
УРАЛ-43204-1153-70 (2012)
УРАЛ-43206-41
УРАЛ-4420 (1981)
УРАЛ-44202-0511-58 (2010)
УРАЛ-44202-3511-80 (2012)
УРАЛ-44202-3511-80 (2013)
УРАЛ-44202-3511-80М (2015)
УРАЛ-532301
УРАЛ-532361 (2015)
УРАЛ-5557
УРАЛ-5557-31 (2010)
УРАЛ-5557-40
УРАЛ-55571-1121-70 (2011)
УРАЛ-55571-30 (2010)
УРАЛ-55571-40 (2010)
УРАЛ-63674
УРАЛ-63685
УРАЛ-6370-1121 (2011)
УРАЛ-6370-1151 (2011)
УРАЛ-63704 (2011)
Схема
>
Не выбрано
Подвеска двигателя передняя
Подвеска двигателя задняя
Установка агрегатов системы предпускового подогрева двигателя
Трубопроводы и шланги системы предпускового подогрева двигателя Вариант 1
Трубопроводы и шланги системы предпускового подогрева двигателя Вариант 2
Топливный бак
Топливный бак
Трубопроводы и шланги системы питания
Установка фильтра грубой очистки топлива
Установка педали акселератора
Система питания двигателя воздухом
Установка воздушного фильтра
Система выпуска газов
Система охлаждения
Установка расширительного бачка
Привод педалей сцепления и тормоза
Установка пневмопривода выключения сцепления
Установка бачка привода сцепления
Установка рычага переключения передач
Картер и подвеска раздаточной коробки
Первичный вал раздаточной коробки
Промежуточный вал раздаточной коробки и привод спидометра
Вал привода переднего моста и дифференциал раздаточной коробки
Вал привода заднего моста раздаточной коробки
Управление и механизм переключения раздаточной коробки
Установка управления раздаточной коробкой
Блок электроклапанов КЭБ-420
Блок электроклапанов КЭМ 10Д
Карданная передача
Картер переднего моста
Передний мост
Дифференциал переднего моста
Картер заднего (среднего) моста
Редуктор главной передачи
Проходной вал редуктора главной передачи
Дифференциал и полуоси среднего и заднего моста
Рама
Рама
Передний буфер и буксирные крюки
Передняя подвеска
Передняя рессора
Передняя рессора
Задняя подвеска
Задняя подвеска
Задняя рессора
Задняя рессора
Ось балансира задней подвески в сборе с кронштейнами и балансиром
Реактивная штанга
Колесо и шина
Кран колесный
Ступица колеса и тормозной барабан переднего и заднего моста (с АБС)
Ступица колеса и тормозной барабан среднего моста (без АБС)
Система регулирования давления воздуха в шинах (с электроклапанами)
Установка электромагнитного клапана системы накачки шин
Вертикальный держатель запасного колеса
Редуктор подъема запасного колеса
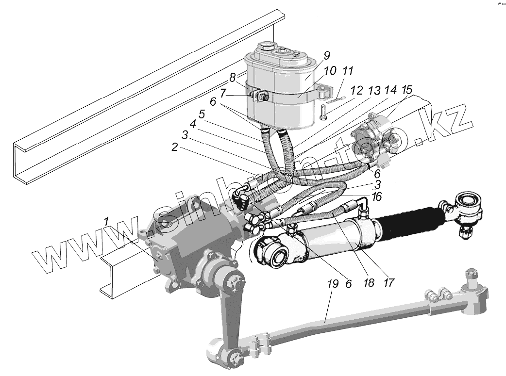
Рулевое управление
Установка рулевого механизма
Механизм рулевой
Колесо и вал рулевого управления
Усилительный механизм
Масляный бак
Тяга сошки рулевого управления
Распределитель гидроусилителя
Рабочий тормоз переднего и заднего мостов
Рабочий тормоз среднего моста
Стояночный тормоз
Пневмопривод стояночного тормоза
Камера тормозная
Установка агрегатов пневмогидравлического привода рабочих тормозов
Трубопроводы и шланги пневмогидравлического привода рабочих тормозов
Крепление трубопроводов и шлангов пневмогидравлического привода рабочих тормозов
Установка пневмогидравлических усилителей тормозов
Установка воздушных баллонов
Установка крестовины разбора воздуха
Установка крана тормозного
Установка клапана прицепа
Установка клапана контрольного вывода
Установка адсорбера и 4-х контурного защитного клапана
Установка баллона адсорбера и влагомаслоотделителя
Установка соединительных головок
Установка фар, фонарей знака автопоезда, габаритных и указателей поворота
Установка замка зажигания
Установка электрического сигнала
Установка контейнера аккумуляторных батарей
Установка задних осветительных приборов
Панель приборов
Щитки выключателей и блоки предохранителей
Панель приборов
Щитки выключателей и блоки предохранителей
Перечень электрооборудования
Кабина в сборе
Уплотнители рычагов и коврики пола кабины
Стеклоочиститель и его привод
Омыватель ветрового стекла
Двери кабины
Стеклоподъемник
Замок двери
Ручки двери
Сиденья водителя и пассажиров
Вентиляция и отопление кабины
Установка трубопроводов и крана отопителя кабины
Облицовка радиатора
Оперение кабины
Установка правой и левой подножек
Установка брызговиков задних колес
Система регулирования давления воздуха в шинах
Установка крана управления давлением
Установка сцепного устройства
Установка буксирного прибора
Установка заднего защитного устройства
Установка боковых защитных устройств
Установка боковых защитных устройств
Коробка дополнительного отбора мощности
Установка инструментального ящика
1
2
3
3
4
5
6
6
6
7
8
9
10
11
12
13
14
15
16
17
18
19
Позиция на иллюстрации
Заводской номер детали
Название детали
1
4320П2-3400020
Механизм рулевого управления
2
5557Я2-3408679-01
Шланг высокого давления
3
25314
Хомут кабельный
4
4320Я5-3408727
Рукав 22х32-1,47
5
5557Я-3408728
Броня шланга
6
00.10.00-02
Хомут червячный (20-32)
7
200269-П29
Болт М8-6gх50
8
63685-3410304
Лента хомута
9
4320-3410010
Бак масляный в сборе
10
63685-3410305
Лента хомута
11
258011-П29
Шплинт 2х10
12
260022-П52
Палец 6х45
13
4320Я-1013105
Рукав 16х25-1,6 L=710
14
4320-3408673
Броня шланга
15
Насос
Насос
16
4320Я2-3408679-01
Шланг высокого давления
17
5557Я2-3405012-10
Механизм усилительный рулевого управления
18
4320Х-3408678
Шланг высокого давления
19
5557Я-3414010-10
Тяга сошки рулевого управления в сборе
Содержащиеся в справочниках-каталогах запасные части и детали не предлагаются к продаже, а носят исключительно информационный характер
Дополнительная информация
×
Название:
Номер:
Примечание: