Вернуться на главную
Поиск
Каталоги запчастей к технике
Грузовые автомобили и прицепы
УралАЗ
УРАЛ-4320-1151-59
Коммутационный блок
Каталог запасных частей к технике: УралАЗ УРАЛ-4320-1151-59. Коммутационный блок
zoom-in
zoom-out
enlarge
shrink
circle-right
circle-left
file-text2
info
cart
Тип техники
Не выбрано
Легковые автомобили
Грузовые автомобили и прицепы
Автобусы
Сельхозтехника
Спецтехника
Двигатели
Мототехника
Марка
Не выбрано
BAW
DAF
DongFeng
FAW
Foton
HOWO
Hyundai
IVECO
JAC Motors
LGMG
MAN
Shaanxi
SITRAK
Studebaker
Tata
Volvo
Автокомпонент Плюс
БелАЗ
Брянский Арсенал
ГАЗ
ЗИЛ
КАЗ
Камский автозавод
КрАЗ
Мадара
МАЗ
МЗКТ
МоАЗ
Нефтекамский автозавод
Ставропольский Завод АвтоПрицепов
ТАТРА
Тонар
УралАЗ
ЧМЗАП
Модель
Не выбрано
4320-0006982-74 (NEXT) (2017)
УРАЛ-375
УРАЛ-4320
УРАЛ-4320 (1981)
УРАЛ-4320-0971-58 (2010)
УРАЛ-4320-1151-59 (2010)
УРАЛ-4320-1951-58 (2010)
УРАЛ-4320-1958-70И (2012)
УРАЛ-4320-31
УРАЛ-4320-31
УРАЛ-4320-41
УРАЛ-4320-60 (2013)
УРАЛ-4320-61 (2013)
УРАЛ-4320-6951-74 (2015)
УРАЛ-4320-80М/82М (2015)
УРАЛ-43202
УРАЛ-43203-10
УРАЛ-43204-1111-70 (2012)
УРАЛ-43204-1153-70 (2012)
УРАЛ-43206-41
УРАЛ-4420 (1981)
УРАЛ-44202-0511-58 (2010)
УРАЛ-44202-3511-80 (2012)
УРАЛ-44202-3511-80 (2013)
УРАЛ-44202-3511-80М (2015)
УРАЛ-532301
УРАЛ-532361 (2015)
УРАЛ-5557
УРАЛ-5557-31 (2010)
УРАЛ-5557-40
УРАЛ-55571-1121-70 (2011)
УРАЛ-55571-30 (2010)
УРАЛ-55571-40 (2010)
УРАЛ-63674
УРАЛ-63685
УРАЛ-6370-1121 (2011)
УРАЛ-6370-1151 (2011)
УРАЛ-63704 (2011)
Схема
>
Не выбрано
Установка держателя противооткатного упора
Кабина в сборе
Установка передней подвески кабины
Задняя опора кабины
Стеклоочиститель
Стекла кабины
Омыватель ветрового стекла
Установка панели приборов
Обивка кабины
Обивка крыши
Двери кабины
Cтеклоподъемник
Замок двери
Сиденье водителя
Сиденья пассажиров
Установка системы отопления
Установка независимого отопителя
Спальное место
Установка арок колес
Подножка левая
Подножка правая
Капот с петлями
Замок капота
Установка брызговиков задних колес
Платформа
Тент
Подвеска двигателя
Вентиляция картера
Установка агрегатов системы предпускового подогрева
Трубы и шланги системы предпускового подогрева
Котел предпускового подогревателя
Нагнетатель насосного агрегата
Топливный насос насосного агрегата
Установка топливных баков
Трубопроводы и шланги системы питания
Трубопроводы и шланги системы питания с дополнительным баком
Установка топливных агрегатов на автомобиле
Привод акселератора
Тяга ручного останова двигателя
Воздуховод с воздушным фильтром
Фильтр воздушный
Cистема выпуска газов
Радиатор системы охлаждения
Установка расширительного бачка
Привод педалей сцепления и тормоза
Установка пневмосистемы управления сцеплением
Установка бачка привода сцепления
Установка рычага переключения передач
Картер и подвеска раздаточной коробки
Первичный вал раздаточной коробки
Промежуточный вал раздаточной коробки и привод спидометра
Вал привода переднего моста и дифференциал раздаточной коробки
Вал привода заднего моста раздаточной коробки
Управление и механизм переключения раздаточной коробки
Установка пневмоуправления раздаточной коробки
Карданная передача на шасси Урал 4320-1951-58 и автомобиль Урал 4320-0971-58
Карданная передача на шасси Урал 4320-1151-59 и седельный тягач Урал 44202-0511-58
Вал карданный заднего (переднего) моста
Вал карданный среднего моста
Вал карданный
Картер переднего моста
Передний мост
Дифференциал переднего моста
Картер заднего (среднего) моста
Дифференциал и полуоси среднего и заднего моста
Редуктор главной передачи
Проходной вал редуктора главной передачи
Рама на автомобили 4320-1951-58, 4320-0971-58
Рама на автомобили 4320-1151-59, 44202-0511-58
Установка переднего буфера
Передняя подвеска
Передняя рессора
Задняя балансирная подвеска
Задняя рессора 55571Х-2912012
Задняя рессора 5557-2912012-12
Ось задней балансирной подвески
Реактивная штанга
Колесо и шина на автомобили 4320-1951-58, 4320-0971-58, 44202-0511-58
Колесо и шина на автомобиль 4320-1151-59
Кран колесный
Ступица колеса и тормозной барабан
Система регулирования давления воздуха в шинах на автомобили 4320-1951-58, 4320-0971-58, 44202-58
Система регулирования давления воздуха в шинах на автомобиль 4320-1151-59
Установка электромагнитного клапана на автомобили 4320-1951-58, 4320-0971-58, 44202-0511-58
Установка электромагнитного клапана на автомобиль 4320-1151-59
Установка держателя запасного колеса
Редуктор подъема запасного колеса
Установка запасного колеса без держателя запасного колеса
Рулевое управление
Механизм рулевой с распределителем и сошкой
Механизм рулевой
Колесо и вал рулевого управления
Усилительный механизм
Насос гидроусилителя руля
Масляный бак
Тяга сошки рулевого управления
Тяга рулевой трапеции
Распределитель гидроусилителя
Рабочий тормоз переднего и заднего мостов
Рабочий тормоз среднего моста
Cтояночный тормоз
Пневмопривод стояночного тормоза
Установка тормозной камеры
Камера тормозная
Установка пневмогидравлических усилителей тормозов
Установка фильтров герметизации пневмоусилителей
Установка компрессора
Установка пневмогидравлического привода тормозов на автомобили 4320-1951-58, 4320-1151-59, 4320-0971-58
Установка пневмогидравлического привода тормозов на седельный тягач Урал 44202-0511-58
Установка пневмовыводов от тормозного крана
Установка тормозного крана
Установка воздушных баллонов на автомобили 4320-1951-58, 4320-1151-59, 4320-0971-58
Установка воздушных баллонов на седельный тягач 44202-0511-58
Установка влагомаслоотделителя и 4-х контурного защитного клапана
Установка клапана контрольного вывода
Установка соединительных головок
Установка клапана прицепа
Установка клапана управления тормозами прицепа на тягач 44202-0511-58
Установка клапана ускорительного
Вспомогательный тормоз
Установка вспомогательного тормоза
Установка фар, фонарей знака автопоезда, габаритных и указателей поворота
Установка фары-прожектора
Установка замка зажигания
Установка электрического сигнала
Установка контейнера аккумуляторных батарей
Установка задних осветительных приборов
Установка задних осветительных приборов на седельном тягаче
Панель приборов
Щиток выключателей
Схема электрооборудования
Коммутационный блок
Установка седельного устройства на автомобиль 44202-0511-58
Установка буксирного прибора и заднего защитного устройства на автомобили 4320-1951-58, 4320-0971-58
Установка буксирного прибора и ЗЗУ на автомобили 4320-1151-59, 44202-0511-58
Установка инструментального ящика
1
2
3
3
3
3
4
4
5
5
5
5
5
5
5
5
5
6
6
7
8
8
8
9
9
10
10
11
11
12
13
14
15
16
17
18
19
20
21
22
23
24
25
26
27
28
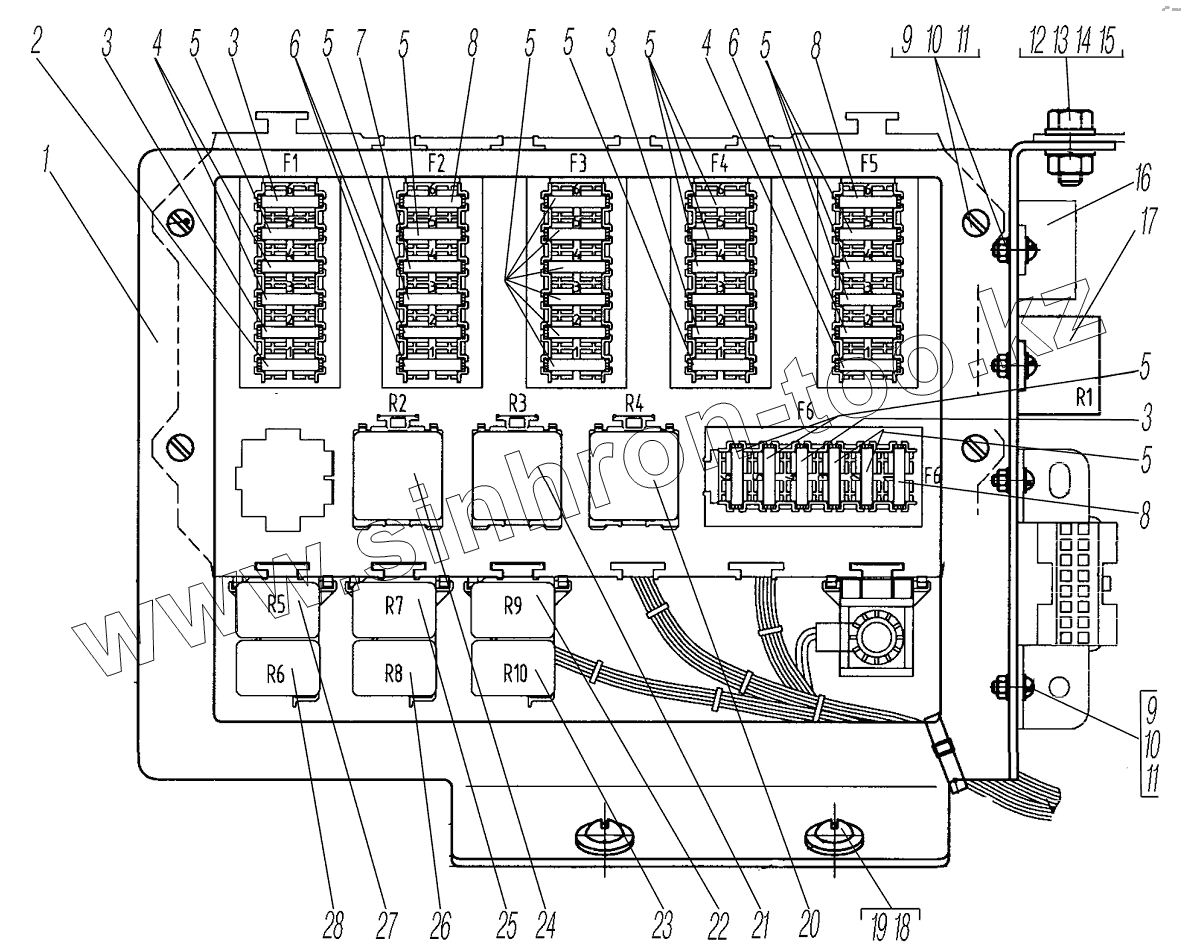
Позиция на иллюстрации
Заводской номер детали
Название детали
1
4320П2-3836010
Панель
2
354.3722
Предохранитель, 20А
3
352.3722
Предохранитель розетки переносной лампы
4
356.3722
Предохранитель независимого отопителя, 30А
5
35.3722
Предохранитель дополнительных плафонов, 5А
6
355.3722
Предохранитель АБС, 25А
7
353.3722
Предохранитель запасной, 15А
8
351.3722
Предохранитель запасной, 7,5А
9
220080-П29
Винт М5-6gх16
10
252008-П29
Шайба 5
11
250464-П29
Гайка М5-6Н
12
201455-П29
Болт М8-6gх18
13
252155-П2
Шайба 8 пружинная
14
252005-П29
Шайба 8
15
250510-П29
Гайка М8-6Н
16
211.3777М
Реле задних противотуманных фонарей
17
738.3747-20
Реле стартера
18
220105-П29
Винт М6-6gх16
19
252004-П29
Шайба 6
20
РС1.2
Реле стеклоочистителя
21
755.3777-01
Реле разгрузки клеммы
22
983.3747-01
Реле
23
983.3747-01
Реле
24
2-1904025-6
Реле разгрузки клеммы
25
983.3747-01
Реле
26
983.3747-01
Реле
27
983.3747-01
Реле
28
983.3747-01
Реле
Содержащиеся в справочниках-каталогах запасные части и детали не предлагаются к продаже, а носят исключительно информационный характер
Дополнительная информация
×
Название:
Номер:
Примечание: