Вернуться на главную
Поиск
Каталоги запчастей к технике
Грузовые автомобили и прицепы
УралАЗ
УРАЛ-43206-41
Трубопроводы системы отопления кабины
Каталог запасных частей к технике: УралАЗ УРАЛ-43206-41. Трубопроводы системы отопления кабины
zoom-in
zoom-out
enlarge
shrink
circle-right
circle-left
file-text2
info
cart
Тип техники
Не выбрано
Легковые автомобили
Грузовые автомобили и прицепы
Автобусы
Сельхозтехника
Спецтехника
Двигатели
Мототехника
Марка
Не выбрано
BAW
DAF
DongFeng
FAW
Foton
HOWO
Hyundai
IVECO
JAC Motors
LGMG
MAN
Shaanxi
SITRAK
Studebaker
Tata
Volvo
Автокомпонент Плюс
БелАЗ
Брянский Арсенал
ГАЗ
ЗИЛ
КАЗ
Камский автозавод
КрАЗ
Мадара
МАЗ
МЗКТ
МоАЗ
Нефтекамский автозавод
Ставропольский Завод АвтоПрицепов
ТАТРА
Тонар
УралАЗ
ЧМЗАП
Модель
Не выбрано
4320-0006982-74 (NEXT) (2017)
УРАЛ-375
УРАЛ-4320
УРАЛ-4320 (1981)
УРАЛ-4320-0971-58 (2010)
УРАЛ-4320-1151-59 (2010)
УРАЛ-4320-1951-58 (2010)
УРАЛ-4320-1958-70И (2012)
УРАЛ-4320-31
УРАЛ-4320-31
УРАЛ-4320-41
УРАЛ-4320-60 (2013)
УРАЛ-4320-61 (2013)
УРАЛ-4320-6951-74 (2015)
УРАЛ-4320-80М/82М (2015)
УРАЛ-43202
УРАЛ-43203-10
УРАЛ-43204-1111-70 (2012)
УРАЛ-43204-1153-70 (2012)
УРАЛ-43206-41
УРАЛ-4420 (1981)
УРАЛ-44202-0511-58 (2010)
УРАЛ-44202-3511-80 (2012)
УРАЛ-44202-3511-80 (2013)
УРАЛ-44202-3511-80М (2015)
УРАЛ-532301
УРАЛ-532361 (2015)
УРАЛ-5557
УРАЛ-5557-31 (2010)
УРАЛ-5557-40
УРАЛ-55571-1121-70 (2011)
УРАЛ-55571-30 (2010)
УРАЛ-55571-40 (2010)
УРАЛ-63674
УРАЛ-63685
УРАЛ-6370-1121 (2011)
УРАЛ-6370-1151 (2011)
УРАЛ-63704 (2011)
Схема
>
Не выбрано
Кабина в сборе
Уплотнители рычагов и коврики пола кабины
Стеклоочиститель и его привод
Омыватель ветрового стекла
Двери кабины
Ручки двери
Стеклоподъемник
Замок двери
Сиденья водителя и пассажиров
Вентиляция и отопление кабины
Трубопроводы системы отопления кабины
Облицовка радиатора
Оперение автомобиля
Установка правой и левой подножек
Платформа
Сиденья платформы
Тент платформы
Подвеска двигателя
Вентиляция картера
Установка агрегатов системы предпускового подогрева
Трубы и шланги системы предпускового подогрева
Котел предпускового подогревателя
Нагнетатель насосного агрегата
Топливный насос насосного агрегата
Основной топливный бак
Дополнительный топливный бак
Трубопроводы и шланги системы питания
Привод акселератора
Тяга ручного останова двигателя
Воздухопровод с воздушным фильтром
Система выпуска газов
Радиатор системы охлаждения
Расширительный бачок
Привод педалей сцепления и тормоза с пневмогидроуправлением
Пневмопривод выключения сцепления
Установка бачка привода сцепления
Цилиндр гидравлический
Установка рычага переключения передач коробки передач
Картер и подвеска раздаточной коробки
Первичный вал раздаточной коробки
Промежуточный вал раздаточной коробки и привод спидометра
Вал привода переднего моста, дифференциал и вал привода заднего моста раздаточной коробки
Управление и механизм переключения раздаточной коробки
Карданная передача
Карданный вал переднего моста
Промежуточный карданный вал
Карданный вал заднего моста
Картер переднего моста
Передний мост
Картер заднего моста
Привод блокировки межколесных дифференциалов
Механизм включения блокировки дифференциала
Дифференциал и полуось
Редуктор главной передачи
Проходной вал редуктора главной передачи
Рама
Передний буфер и буксирные крюки
Передняя подвеска
Передняя рессора
Задняя подвеска
Задняя рессора
Дополнительная рессора
Колесо и шина
Ступица колеса и тормозной барабан
Вертикальный держатель запасного колеса
Редуктор лебедки ДЗК.
Рулевое управление
Рулевой механизм
Клапан управления усилительным механизмом
Колесо и вал рулевого управления
Усилительный механизм
Насос гидроусилителя руля
Бак масляный рулевого механизма
Тяга рулевой трапеции
Тяга сошки рулевого управления
Рабочий тормоз
Цилиндр колесный в сборе
Колодка тормоза в сборе
Установка усилителей тормозов и модуляторов с АБС
Пневматический усилитель с главным тормозным цилиндром
Стояночный тормоз
Привод стояночного тормоза и управление краном торможения прицепа
Установка компрессора
Блок-картер компрессора
Головка и поршень компрессора
Установка агрегатов гидропневматического привода рабочих тормозов
Трубопроводы и шланги пневмогидравлического привода рабочих тормозов с АБС
Крепление трубопроводов и шлангов
Установка воздушных баллонов
Тормозной двухсекционный кран с рычагом
Детали тормозного двухсекционного крана
Одинарный защитный клапан
Тройной защитный клапан
Установка клапана прицепа с защитным клапаном
Клапан управления тормозами прицепа
Кран управления
Вспомогательный тормоз
Система вспомогательного тормоза
Пневматические цилиндры вспомогательного тормоза
Пневматический кран
Установка регулятора тормозных сил
Установка двухмагистрального клапана
Уплотнение трубопроводов
Рабочий тормоз без АБС.
Установка пневматических усилителей с главными тормозными цилиндрами без АБС.
Установка воздушных баллонов без АБС.
Трубопроводы и шланги гидропневматического привода рабочих тормозов без АБС.
Крепление трубопроводов и шлангов без АБС.
Фара
Фара-прожектор
Установка фонарей знака автопоезда и указателя поворота
Установка электрического сигнала
Установка аккумуляторных батарей
Установка задних осветительных приборов
Щиток приборов выключателей
Панель приборов
Щиток приборов в сборе правый
Щиток приборов в сборе левый
Буксирный прибор
Коробка дополнительного отбора мощности
Установка пневмоуправления ДОМ, БМКД
Кран пневмоуправления
Система регулирования давления воздуха в шинах
Установка крана управления давлением
Кран управления давлением
Лебедка с тросоукладчиком в сборе
Редуктор лебедки
Детали редуктора лебедки
Привод лебедки
Тормоз и управление лебедкой
Тросоукладчик
Система герметизации агрегатов
1
1
2
3
4
4
5
6
7
8
9
10
11
12
13
14
15
16
17
Позиция на иллюстрации
Заводской номер детали
Название детали
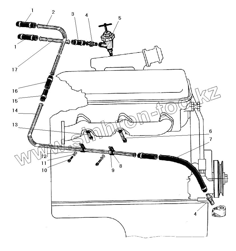
1
4320Я3-8101170
Рукав 16х25-1,47 L=60
2
4320Я3-8101207
Труба отопителя отводящая
3
4320Я3-8101171
Шланг
4
4320-1013123
Штуцер
5
5557-8101180
Кран масляного радиатора в сборе
6
4320Я-8101298
Кронштейн трубы отопителя задний
7
4320-1013105
Шланг водоотводящий отопителя нижний
8
375-3506023
Прокладка хомута
9
339098-П29
Хомут крепления шланга
10
201452-П29
Болт М8х12
11
252155-П2
Шайба 8 пружинная
12
252038-П29
Шайба 8,5
13
4320Я-8101291
Кронштейн трубы отопителя передний
14
4320Я3-8101210
Труба отопителя отводящая
15
00.10.00-02
Хомут червячный (20-32)
16
4320Я3-8101172
Шланг водоотводящий отопителя верхний
17
4320Я3-8101206
Труба отопителя подводящая
Содержащиеся в справочниках-каталогах запасные части и детали не предлагаются к продаже, а носят исключительно информационный характер
Дополнительная информация
×
Название:
Номер:
Примечание: