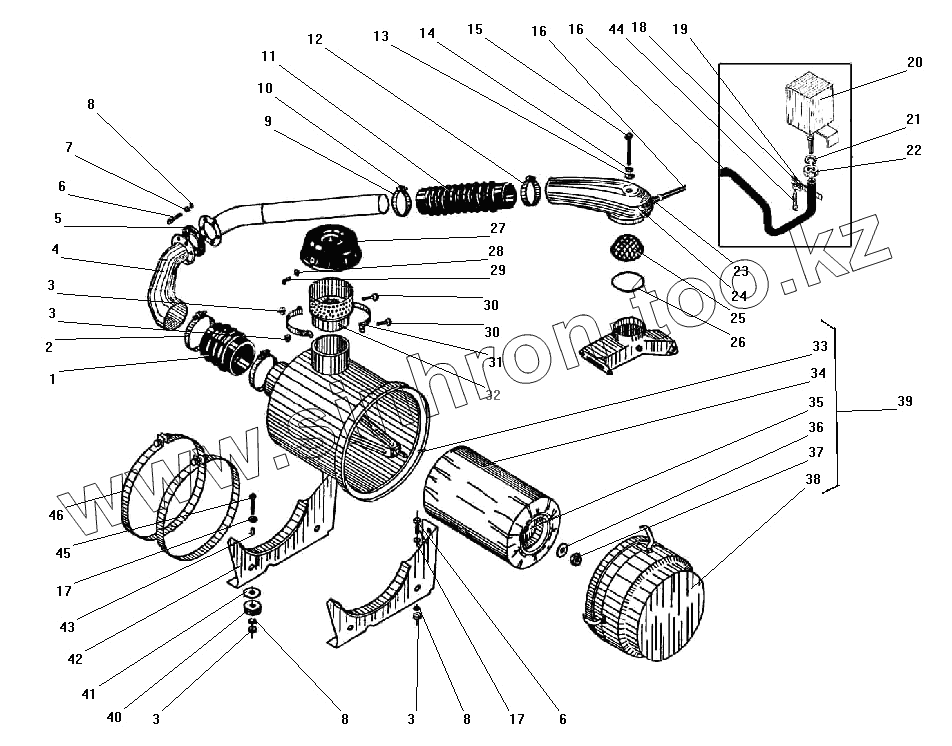
Каталог запасных частей к технике: УралАЗ УРАЛ-43203-10. Воздухопровод с воздушным фильтром
1
2
3
3
3
3
4
5
6
6
7
8
8
8
9
9
10
11
12
13
14
15
16
16
17
17
18
19
20
21
22
23
24
25
26
27
28
29
30
30
31
32
33
34
35
36
37
38
39
40
41
42
43
44
45
46
| Позиция на иллюстрации | Заводской номер детали | Название детали | |
|---|---|---|---|
| 1 | 4322-1109428 | Щланг соединительный в сборе | |
| 2 | 5323-1109182 | Лента хомута | |
| 3 | 250510-П29 | Гайка М8-6Н | |
| 4 | 4320Я-1109120 | Труба воздухопровода в сборе | |
| 5 | 375-1109125-01 | Прокладка | |
| 6 | 201455-П29 | Болт М8-6gх18 | |
| 7 | 252005-П29 | Шайба 8 | |
| 8 | 252135-П2 | Шайба 8 пружинная | |
| 9 | 4320Я-1109183 | Лента хомута в сборе | |
| 10 | 331006 | Болт хомута | |
| 11 | 4320-1109189 | Шланг воздухопровода | |
| 12 | 4320Я-1109184 | Лента хомута | |
| 13 | 4320-8101187 | Уплотнитель | |
| 14 | 252039-П29 | Шайба 10 | |
| 15 | 332716 | Болт | |
| 16 | 4320Я2-1109253 | Трубка индикатора | |
| 17 | 252038-П29 | Шайба 8,5 | |
| 18 | 45 9871 1570 | Лента 14 хомута | |
| 19 | 45 9871 1592 | Пряжка хомута | |
| 20 | ИЗВ-700 | Индикатор засоренности | |
| 21 | 252156-П2 | Шайба 10 пружинная | |
| 22 | 250513-П29 | Гайка М10х1-6Н | |
| 23 | 432001-3706013 | Штуцер | |
| 24 | 4320Я-1109132-10 | Насадок | |
| 25 | 4320Я-1109437 | Сетка | |
| 26 | 4320Я-1109435-10 | Кольцо уплотнительное | |
| 27 | 4320-1109112-01 | Колпак | |
| 28 | 252004-П29 | Шайба 6 | |
| 29 | 220104-П29 | Винт М6-6gх14 | |
| 30 | 201457-П29 | Болт М8-6gх22 | |
| 31 | 4322-1109390 | Хомут | |
| 32 | 4320Я-1109110 | Труба воздухозаборная в сборе | |
| 33 | 740.1109515-02 | Корпус с пылеотбойником в сборе | |
| 34 | 740.1109574 | Предочиститель | |
| 35 | 740.1109560-02 | Элемент фильтрующий в сборе | |
| 36 | 1/26443/01 | Шайба плоская 10х35 | |
| 37 | 1/25745/11 | Гайка М10х1,25 | |
| 38 | 740.1109580-02 | Крышка фильтра | |
| 39 | 740.1109510-03 | Фильтр воздушный в сборе | |
| 40 | 375-1302040-А | Подушка подвески радиатора | |
| 41 | 335632-П29 | Шайба 12 | |
| 42 | 4320Я-1109141 | Кронштейн воздушного фильтра | |
| 43 | 4320Я-1109142 | Втулка | |
| 44 | 258038-П29 | Шплинт 3,2х16 | |
| 45 | 200265-П29 | Болт М8-6gх40 | |
| 46 | 4320Я-1109182 | Хомут в сборе |
Содержащиеся в справочниках-каталогах запасные части и детали не предлагаются к продаже, а носят исключительно информационный характер