Вернуться на главную
Поиск
Каталоги запчастей к технике
Грузовые автомобили и прицепы
УралАЗ
УРАЛ-43203-10
Установка двухмагистрального клапана
Каталог запасных частей к технике: УралАЗ УРАЛ-43203-10. Установка двухмагистрального клапана
zoom-in
zoom-out
enlarge
shrink
circle-right
circle-left
file-text2
info
cart
Тип техники
Не выбрано
Легковые автомобили
Грузовые автомобили и прицепы
Автобусы
Сельхозтехника
Спецтехника
Двигатели
Мототехника
Марка
Не выбрано
BAW
DAF
DongFeng
FAW
Foton
HOWO
Hyundai
IVECO
JAC Motors
LGMG
MAN
Shaanxi
SITRAK
Studebaker
Tata
Volvo
Автокомпонент Плюс
БелАЗ
Брянский Арсенал
ГАЗ
ЗИЛ
КАЗ
Камский автозавод
КрАЗ
Мадара
МАЗ
МЗКТ
МоАЗ
Нефтекамский автозавод
Ставропольский Завод АвтоПрицепов
ТАТРА
Тонар
УралАЗ
ЧМЗАП
Модель
Не выбрано
4320-0006982-74 (NEXT) (2017)
УРАЛ-375
УРАЛ-4320
УРАЛ-4320 (1981)
УРАЛ-4320-0971-58 (2010)
УРАЛ-4320-1151-59 (2010)
УРАЛ-4320-1951-58 (2010)
УРАЛ-4320-1958-70И (2012)
УРАЛ-4320-31
УРАЛ-4320-31
УРАЛ-4320-41
УРАЛ-4320-60 (2013)
УРАЛ-4320-61 (2013)
УРАЛ-4320-6951-74 (2015)
УРАЛ-4320-80М/82М (2015)
УРАЛ-43202
УРАЛ-43203-10
УРАЛ-43204-1111-70 (2012)
УРАЛ-43204-1153-70 (2012)
УРАЛ-43206-41
УРАЛ-4420 (1981)
УРАЛ-44202-0511-58 (2010)
УРАЛ-44202-3511-80 (2012)
УРАЛ-44202-3511-80 (2013)
УРАЛ-44202-3511-80М (2015)
УРАЛ-532301
УРАЛ-532361 (2015)
УРАЛ-5557
УРАЛ-5557-31 (2010)
УРАЛ-5557-40
УРАЛ-55571-1121-70 (2011)
УРАЛ-55571-30 (2010)
УРАЛ-55571-40 (2010)
УРАЛ-63674
УРАЛ-63685
УРАЛ-6370-1121 (2011)
УРАЛ-6370-1151 (2011)
УРАЛ-63704 (2011)
Схема
>
Не выбрано
Кабина в сборе
Уплотнители рычагов и коврики пола кабины
Омыватель ветрового стекла
Стеклоочиститель и его привод
Двери кабины
Ручки двери
Замок двери
Стеклоподъемник
Сиденья водителя и пассажиров
Вентиляция и отопление кабины
Трубопроводы системы отопления кабины
Оперение автомобиля
Облицовка радиатора
Установка правой и левой подножек
Подвеска двигателя
Вентиляция картера
Масляный радиатор
Котел (теплообменник) предпускового подогревателя
Трубы и шланги системы предпускового подогрева
Установка агрегатов системы предпускового подогрева
Топливный насос предпускового подогревателя
Нагнетатель насосного агрегата
Основной топливный бак
Воздухопровод с воздушным фильтром
Тяга ручного останова двигателя
Привод акселератора
Трубопроводы и шланги системы питания
Система выпуска газов
Радиатор системы охлаждения
Штора радиатора
Расширительный бачок
Привод педалей сцепления и тормоза
Установка бачка привода сцепления
Пневмопривод выключения сцепления
Привод педалей сцепления и тормоза с пневмогидроуправлением
Цилиндр гидравлический
Тяга с краном
Установка рычага переключения передач коробки передач
Картер и подвеска раздаточной коробки
Первичный вал раздаточной коробки
Промежуточный вал раздаточной коробки и привод спидометра
Вал привода переднего моста, дифференциал и вал привода заднего моста раздаточной коробки
Управление и механизм переключения раздаточной коробки
Карданная передача
Промежуточный карданный вал
Карданный вал среднего моста
Карданный вал заднего (переднего) моста
Передний мост
Картер переднего моста
Картер заднего (среднего) моста
Редуктор главной передачи
Дифференциал и полуось
Проходной вал редуктора главной передачи
Рама
Передний буфер и буксирные крюки
Передняя подвеска
Передняя рессора
Реактивная штанга
Задняя балансирная подвеска
Задняя рессора
Ось задней балансирной подвески
Колесо и шина
Ступица колеса и тормозной барабан
Держатель запасного колеса
Редуктор лебедки
Рулевое управление
Колесо и вал рулевого управления
Рулевой механизм
Тяга сошки рулевого управления
Тяга рулевой трапеции
Бак масляный рулевого механизма
Насос гидроусилителя руля
Усилительный механизм
Клапан управления усилительным механизмом
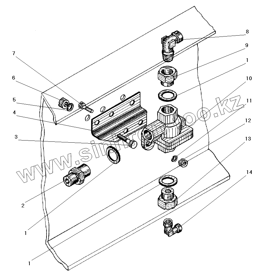
Установка двухмагистрального клапана
Установка регулятора тормозных сил
Пневматический кран
Пневматические цилиндры вспомогательного тормоза
Система вспомогательного тормоза
Вспомогательный тормоз
Кран управления давлением
Кран управления тормозами прицепа
Клапан управления тормозами прицепа
Установка клапана прицепа
Тройной защитный клапан
Одинарный защитный клапан
Детали тормозного двухсекционного крана
Тормозной двухсекционный кран с рычагом
Установка тормозного крана
Установка воздушных баллонов
Трубопроводы и шланги гидропневматического привода рабочих тормозов
Установка агрегатов гидропневматического привода рабочих тормозов
Головка и поршень компрессора
Блок-картер компрессора
Установка компрессора
Привод стояночного тормоза и управление краном торможения прицепа
Стояночный тормоз
Пневматический усилитель с главным тормозным цилиндром
Установка пневматических усилителей с главными тормозными цилиндрами
Рабочий тормоз
Установка задних осветительных приборов
Установка аккумуляторных батарей
Установка электрического сигнала
Установка выключателя зажигания на рулевой колонке
Фонарь указателя поворота
Фонарь знака автопоезда
Фонарь передний
Фара-прожектор
Фара
Панель приборов
Буксирный прибор
Коробка дополнительного отбора мощности
Установка пневмоуправления ДОМ
Кран пневмоуправления
Система регулирования давления воздуха в шинах
Кран управления давлением
Установка крана управления давлением
1
1
1
2
3
4
5
6
7
8
9
10
11
12
13
14
Позиция на иллюстрации
Заводской номер детали
Название детали
1
4320-3514023
Прокладка
2
339545
Штуцер
3
201497-П29
Болт М10-6gх25
4
4320-3562020
Кронштейн
5
252136-П2
Шайба 10 пружинная
6
250512-П29
Гайка М10
7
201454-П29
Болт М8-6gх16
8
339039
Угольник М16х1,5 К3/8"
9
4320-3515068
Пробка
10
100-3562010
Клапан двухмагистральный
11
252155-П2
Шайба 8 пружинная
12
250511-П29
Гайка М8-6Н
13
4320-3514012
Переходник
14
339520-П29
Угольник М10х1 К1/8"
Содержащиеся в справочниках-каталогах запасные части и детали не предлагаются к продаже, а носят исключительно информационный характер
Дополнительная информация
×
Название:
Номер:
Примечание: