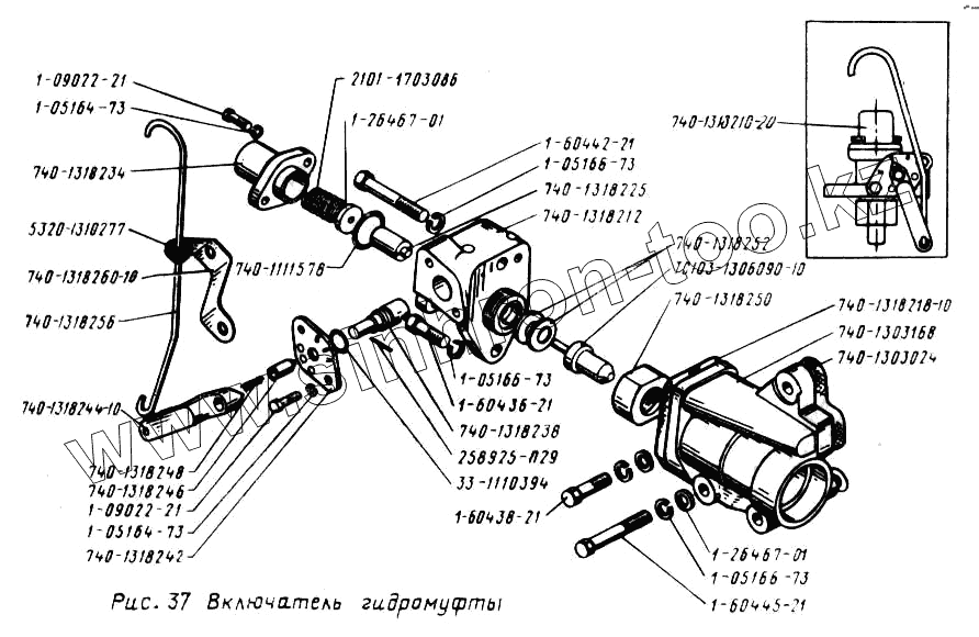
Каталог запасных частей к технике: УралАЗ УРАЛ-43202. Включатель гидромуфты
740-1318242
740-1318238
740-1318252
740-1318250
740-1318218-10
740-1303024
740-1318225
740-1318212
2101-1703086
740-1318234
5320-1310277
740-1318256
740-1318244-10
740-1318248
740-1318246
740-1318210-20
740-1111578
1-09022-21
1-09022-21
1-05164-73
1-05164-73
1-26467-01
1-26467-01
1-60442-21
1-05166-73
1-05166-73
1-05166-73
1-60436-21
258925-П29
33-1110394
1-60438-21
1-60445-21
740-1303168
740-1318260-10
ТС103-1305090-10
| Позиция на иллюстрации | Заводской номер детали | Название детали | |
|---|---|---|---|
| 740-1318242 | 740-1318242 | Крышка пробки крана | |
| 740-1318238 | 740-1318238 | Пробка | |
| 740-1318252 | 740-1318252 | Шайба регулировочная | |
| 740-1318250 | 740-1318250 | Гайка крепления термосилового датчика | |
| 740-1318218-10 | 740-1318218-10 | Прокладка | |
| 740-1303024 | 740-1303024 | Прокладка | |
| 740-1318225 | 740-1318225 | Золотник | |
| 740-1318212 | 740-1318212 | Корпус включателя в сборе | |
| 2101-1703086 | 2101-1703086 | Пружина | |
| 740-1318234 | 740-1318234 | Крышка корпуса включателя гидромуфты | |
| 5320-1310277 | 5320-1310277 | Втулка оболочки троса | |
| 375-1310277 | 375-1310277 | Втулка ролика шторы | |
| 740-1318256 | 740-1318256 | Тяга дистанционного управления включателем гидромуфты | |
| 740-1318244-10 | 740-1318244-10 | Рычаг пробки | |
| 740-1318248 | 740-1318248 | Пружина фиксатора | |
| 740-1318246 | 740-1318246 | Фиксатор рычага пробки крана | |
| 740-1318210-20 | 740-1318210-20 | Включатель гидромуфты | |
| 740-1111578 | 740-1111578 | Кольцо уплотнительное | |
| 1-09022-21 | 1-09022-21 | Болт М6х16 | |
| 1-05164-73 | 1-05164-73 | Шайба 6 пружинная | |
| 1-26467-01 | 1-26467-01 | Шайба 8 | |
| 1-60442-21 | 1-60442-21 | Болт М8х50 | |
| 1-05166-73 | 1-05166-73 | Шайба 8 пружинная | |
| 1-60436-21 | 1-60436-21 | Болт М8х25 | |
| 258925-П29 | 258925-П29 | Штифт 3х16 | |
| 33-1110394 | 33-1110394 | Кольцо уплотнительное | |
| 1-60438-21 | 1-60438-21 | Болт М8х30 | |
| 1-60445-21 | 1-60445-21 | Болт М8х65 | |
| 740-1303168 | 740-1303168 | Патрубок подводящей трубы | |
| 740-1318260-10 | 740-1318260-10 | Кронштейн тяги | |
| ТС103-1305090-10 | ТС103-1305090-10 | Датчик |
Содержащиеся в справочниках-каталогах запасные части и детали не предлагаются к продаже, а носят исключительно информационный характер