Вернуться на главную
Поиск
Каталоги запчастей к технике
Грузовые автомобили и прицепы
УралАЗ
УРАЛ-43202
Шатун
Каталог запасных частей к технике: УралАЗ УРАЛ-43202. Шатун
zoom-in
zoom-out
enlarge
shrink
circle-right
circle-left
file-text2
info
cart
Тип техники
Не выбрано
Легковые автомобили
Грузовые автомобили и прицепы
Автобусы
Сельхозтехника
Спецтехника
Двигатели
Мототехника
Марка
Не выбрано
BAW
DAF
DongFeng
FAW
Foton
HOWO
Hyundai
IVECO
JAC Motors
LGMG
MAN
Shaanxi
SITRAK
Studebaker
Tata
Volvo
Автокомпонент Плюс
БелАЗ
Брянский Арсенал
ГАЗ
ЗИЛ
КАЗ
Камский автозавод
КрАЗ
Мадара
МАЗ
МЗКТ
МоАЗ
Нефтекамский автозавод
Ставропольский Завод АвтоПрицепов
ТАТРА
Тонар
УралАЗ
ЧМЗАП
Модель
Не выбрано
4320-0006982-74 (NEXT) (2017)
УРАЛ-375
УРАЛ-4320
УРАЛ-4320 (1981)
УРАЛ-4320-0971-58 (2010)
УРАЛ-4320-1151-59 (2010)
УРАЛ-4320-1951-58 (2010)
УРАЛ-4320-1958-70И (2012)
УРАЛ-4320-31
УРАЛ-4320-31
УРАЛ-4320-41
УРАЛ-4320-60 (2013)
УРАЛ-4320-61 (2013)
УРАЛ-4320-6951-74 (2015)
УРАЛ-4320-80М/82М (2015)
УРАЛ-43202
УРАЛ-43203-10
УРАЛ-43204-1111-70 (2012)
УРАЛ-43204-1153-70 (2012)
УРАЛ-43206-41
УРАЛ-4420 (1981)
УРАЛ-44202-0511-58 (2010)
УРАЛ-44202-3511-80 (2012)
УРАЛ-44202-3511-80 (2013)
УРАЛ-44202-3511-80М (2015)
УРАЛ-532301
УРАЛ-532361 (2015)
УРАЛ-5557
УРАЛ-5557-31 (2010)
УРАЛ-5557-40
УРАЛ-55571-1121-70 (2011)
УРАЛ-55571-30 (2010)
УРАЛ-55571-40 (2010)
УРАЛ-63674
УРАЛ-63685
УРАЛ-6370-1121 (2011)
УРАЛ-6370-1151 (2011)
УРАЛ-63704 (2011)
Схема
>
Не выбрано
Кабина в сборе
Оперение автомобиля
Двигатель в сборе
Подвеска двигателя
Блок цилиндров двигателя
Картер маховика
Головка цилиндра
Поршень и гильза цилиндра
Шатун
Коленчатый вал двигателя
Маховик
Распределительный вал, клапаны и толкатели
Выпускной коллектор
Маслоналивная горловина
Масляный насос в сборе
Детали масляного насоса
Полнопоточный фильтр очистки масла
Установка агрегатов системы пускового подогрева
Котел пускового подогревателя
Привод агрегатов
Привод топливного насоса
Основной топливный бак
Трубопроводы и шланги топливного насоса высокого давления и фильтра тонкой очистки
Фильтр грубой отчистки топлива
Топливный насос низкого давления и насос ручной подкачки топлива
Державка грузов и рычаги регулятора скорости
Детали регулятора скорости
Топливный насос высокого давления
Секция топливного насоса высокого давления
Форсунка
Муфта опережения впрыска топлива
Система выпуска газов
Радиатор
Водяные трубы и водяная коробка системы охлаждения
Водяной насос
Вентилятор и его привод
Гидромуфта привода вентилятора
Включатель гидромуфты
Сцепление
Картер сцепления
Картер коробки передач
Первичный и промежуточный валы и шестерни коробки передач
Вторичный вал коробки передач
Механизм переключения передач
Картер и подвеска раздаточной коробки
Первичный вал раздаточной коробки
Промежуточный вал РК и привод спидометра
Вал привода переднего моста, дифференциал и вал заднего моста раздаточной коробки
Управление и механизм переключения раздаточной коробки
Схема расположения карданных валов
Карданный вал заднего (переднего моста)
Промежуточный карданный вал
Карданный вал среднего моста
Передний мост
Редуктор главной передачи
Дифференциал и полуось
Проходной вал редуктора главной передачи
Передний буфер и буксировочные крюки
Передняя подвеска
Амортизатор передней подвески
Задняя рессора
Ось балансирной подвески
Реактивные штанги
Тяга рулевой трапеции
Тяга сошки рулевого управления
Ступица колеса
Рулевой механизм
Колесо и вал рулевого управления
Усилительный механизм рулевого управления
Трубопроводы и шланги системы рулевого управления и подъема запасного колеса
Рабочий тормоз
Силовой агрегат тормозов
Трубопроводы и шланги гидропневматической системы тормозов
Агрегаты гидропневматической системы тормозов
Стояночный тормоз
Компрессор
Кран тормозной
Схема электрооборудования автомобиля
Генератор
Стартер
Буксирный прибор
Коробка дополнительная отбора мощности
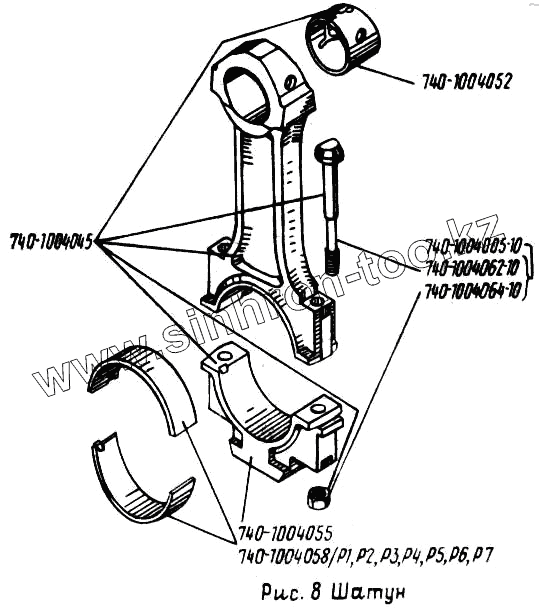
740-1004005-10
740-1004052
740-1004045
740-1004058
740-1004055
740-1004064-10
740-1004062-10
Позиция на иллюстрации
Заводской номер детали
Название детали
740-1004005-10
740-1004005-10
Болт и гайка шатуна
740-1004052
740-1004052
Втулка шатуна
740-1004045
740-1004045
Шатун
740-1004058
740-1004058
Вкладыш нижней головки шатуна
740-1004055
740-1004055
Крышка шатуна
740-1004064-10
740-1004064-10
Гайка
740-1004062-10
740-1004062-10
Болт
Содержащиеся в справочниках-каталогах запасные части и детали не предлагаются к продаже, а носят исключительно информационный характер
Дополнительная информация
×
Название:
Номер:
Примечание: