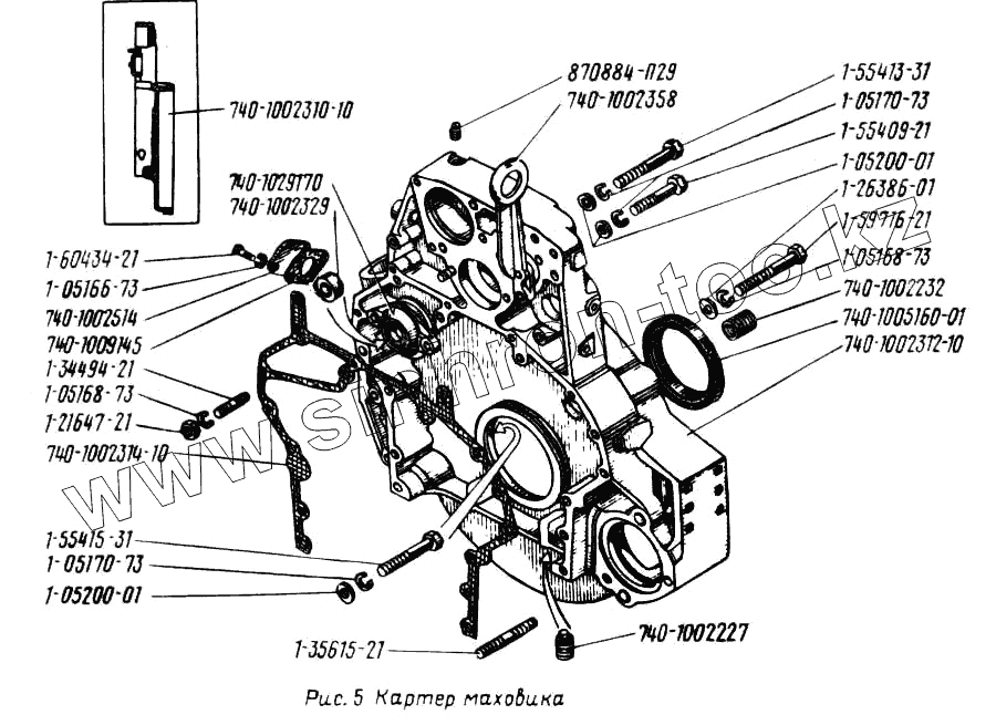
Каталог запасных частей к технике: УралАЗ УРАЛ-43202. Картер маховика
740-1002329
1-55413-31
1-55409-21
1-26386-01
1-59716-21
1-60434-21
1-05166-73
1-34494-21
1-05168-73
1-05168-73
1-21647-21
1-55415-31
1-05170-73
1-05170-73
1-05200-01
1-05200-01
1-35615-21
740-1002314-10
740-1002227
740-1009145
740-1002514
740-1002358
870884-П29
740-1002232
740-1002312-10
740-1005160-01
740-1029170
740-1002310-10
| Позиция на иллюстрации | Заводской номер детали | Название детали | |
|---|---|---|---|
| 740-1002329 | 740-1002329 | Вставка картера маховика | |
| 1-55413-31 | 1-55413-31 | Болт М12х1,25х75 | |
| 1-55409-21 | 1-55409-21 | Болт М12х1,25х55 | |
| 1-26386-01 | 1-26386-01 | Шайба 10 | |
| 1-59716-21 | 1-59716-21 | Болт М10х1,25х90 | |
| 1-60434-21 | 1-60434-21 | Болт М8х20 | |
| 1-05166-73 | 1-05166-73 | Шайба 8 пружинная | |
| 1-34494-21 | 1-34494-21 | Шпилька М10х1,25х22 | |
| 1-05168-73 | 1-05168-73 | Шайба 10 пружинная | |
| 1-21647-21 | 1-21647-21 | Гайка М10х1,25 | |
| 1-55415-31 | 1-55415-31 | Болт М12х1,25х90 | |
| 1-05170-73 | 1-05170-73 | Шайба 12 пружинная | |
| 1-05200-01 | 1-05200-01 | Шайба 12 | |
| 1-35615-21 | 1-35615-21 | Шпилька М16х1,5х32х40 | |
| 740-1009010-20 | 740-1009010-20 | Картер масляный | |
| 740-1002314-10 | 740-1002314-10 | Прокладка | |
| 740-1002227 | 740-1002227 | Ввертыш М14х1,5-М8 | |
| 740-1009145 | 740-1009145 | Прокладка заглушки | |
| 740-1002514 | 740-1002514 | Заглушка отверстия под маслоналивную горловину | |
| 740-1002358 | 740-1002358 | Рым задний | |
| 870884-П29 | 870884-П29 | Пробка КГ1/8 | |
| 740-1002232 | 740-1002232 | Ввертыш М18х1,5-М12х1,25 | |
| 740-1002312-10 | 740-1002312-10 | Картер маховика | |
| 740-1009040-10 | 740-1009040-10 | Прокладка картера масляного | |
| 740-1005160-01 | 740-1005160-01 | Манжета коленчатого вала | |
| 740-1029170 | 740-1029170 | Корпус переднего подшипника | |
| 740-1002310-10 | 740-1002310-10 | Картер маховика |
Содержащиеся в справочниках-каталогах запасные части и детали не предлагаются к продаже, а носят исключительно информационный характер