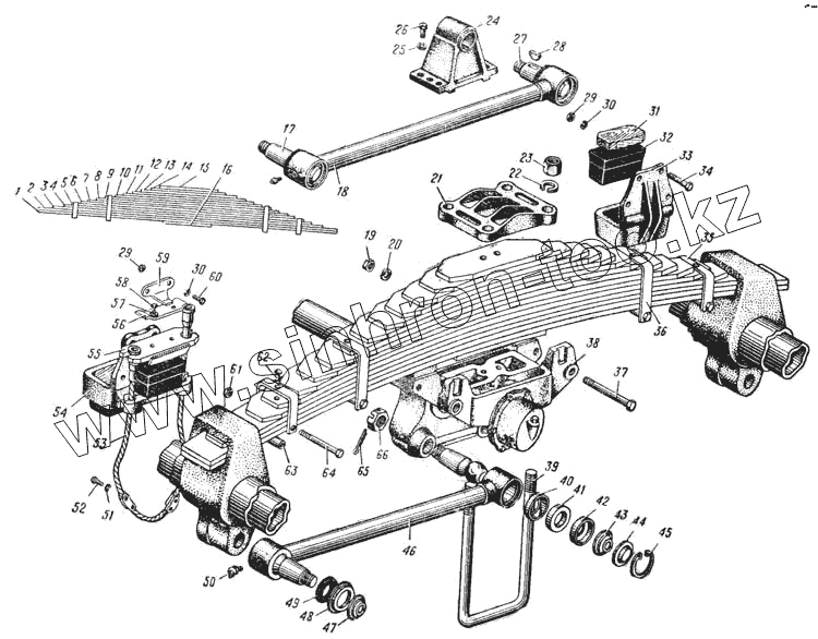
Каталог запасных частей к технике: УралАЗ УРАЛ-375. Задняя подвеска (Рис. 68)
1
2
3
4
5
6
7
8
9
10
11
12
13
14
15
16
17
18
19
20
21
22
23
24
25
26
27
28
29
29
30
30
31
32
33
34
35
36
37
38
39
40
41
42
43
44
45
46
47
48
49
50
51
52
53
54
55
56
57
58
59
60
61
62
63
64
65
66
| Позиция на иллюстрации | Заводской номер детали | Название детали | |
|---|---|---|---|
| 377-2912624 | 377-2912624 | Буфер задней рессоры с пластиной в сборе | |
| 200369-П29 | 200369-П29 | Болт М12-6gх50 | |
| 375-2919010-А | 375-2919010-А | Штанга реактивная нижняя с пальцами в сборе | |
| 375-2919006-А | 375-2919006-А | Штанга реактивная верхняя с пальцами в сборе | |
| 377-2912638 | 377-2912638 | Трос с гильзами в сборе | |
| 375-2912122 | 375-2912122 | Рессора задняя с транспортировочными скобами в сборе | |
| 375-2912012-Б | 375-2912012-Б | Рессора задняя в сборе | |
| 377-2912610 | 377-2912610 | Кронштейн буфера передний | |
| 264035-П29 | 264035-П29 | Масленка 2.3.45.01 в сборе | |
| 221717-П29 | 221717-П29 | Винт М10х16 | |
| 256877-П | 256877-П | Заклепка 12х45 | |
| 377-2912612 | 377-2912612 | Кронштейн буфера задний | |
| 1 | 375-2912101-Б | Лист № 1 задней рессоры | |
| 2 | 375-2912102-Б | Лист № 2 задней рессоры | |
| 3 | 375-2912103-Б | Лист № 3 задней рессоры | |
| 4 | 375-2912104-Б | Лист № 4 задней рессоры | |
| 5 | 375-2912105-Б | Лист № 5 задней рессоры | |
| 6 | 375-2912106-Б | Лист № 6 задней рессоры | |
| 7 | 375-2912107-Б | Лист № 7 задней рессоры | |
| 8 | 375-2912108-Б | Лист № 8 задней рессоры | |
| 9 | 375-2912109-Б | Лист № 9 задней рессоры | |
| 10 | 375-2912110-Б | Лист № 10 задней рессоры | |
| 11 | 375-2912111-Б | Лист № 11 задней рессоры | |
| 12 | 375-2912112-Б | Лист № 12 задней рессоры | |
| 13 | 375-2912113-Б | Лист № 13 задней рессоры | |
| 14 | 375-2912114-Б | Лист № 14 задней рессоры | |
| 15 | 375-2912115-Б | Лист № 15 задней рессоры | |
| 16 | 375-2912120-Б | Лист отбойный | |
| 17 | 375-2919024-В | Палец шаровой | |
| 18 | 375-2919008-Б | Штанга реактивная верхняя в сборе | |
| 19 | 250565-П29 | Гайка М20х1,5-6Н | |
| 20 | 252141-П9 | Шайба 20 пружинная | |
| 21 | 375-2912412-Б | Накладка стремянок | |
| 22 | 252142-П9 | Шайба 22 пружинная | |
| 23 | 334932-П29 | Гайка М22х2,5 | |
| 24 | 375-2919038-Б | Кронштейн верхней реактивной штанги | |
| 25 | 252139-П9 | Шайба 16 пружинная | |
| 26 | 332666-П29 | Болт М16х1,5х50 | |
| 27 | 375-2919024-Г | Палец шаровой верхних реактивных штанг | |
| 28 | Н-1811 | Шпонка 7х14 сегментная | |
| 29 | 250514-П29 | Гайка М12-6Н | |
| 30 | 252137-П9 | Шайба пружинная 12 | |
| 31 | 375-2912636-А | Подкладка буфера | |
| 32 | 375-2912624 | Буфер задней рессоры | |
| 33 | 375-2912612 | Кронштейн буфера задний | |
| 34 | 201544-П29 | Болт М12-6gх40 | |
| 35 | 375-2912061 | Хомут пятого листа | |
| 36 | 375-2912062 | Хомут девятого листа | |
| 37 | 332902-П29 | Болт М20х138 в сборе | |
| 38 | 375-2918010-В | Балансир задней подвески со втулками в сборе | |
| 39 | 375-2912408-Б | Стремянка задней рессоры | |
| 40 | 375-2919029 | Вкладыш головки реактивных штанг нижний | |
| 41 | 375-2919020-Б | Вкладыш головки реактивных штанг верхний | |
| 42 | 375-2919054 | Обойма пружины | |
| 43 | 375-2919022-Б | Пружина головки реактивной штанги | |
| 44 | 375-2919053 | Заглушка головки реактивных штанг | |
| 45 | 339298-П | Кольцо стопорное 65 | |
| 46 | 375-2919012-Б | Штанга реактивная нижняя в сборе | |
| 47 | 375-2919032 | Пружина сальника | |
| 48 | 375-2919028-Б | Крышка сальника | |
| 49 | 375-2919030-А | Прокладка сальника | |
| 50 | 264020-П29 | Масленка 1.3 | |
| 51 | 252136-П9 | Шайба пружинная 10 | |
| 52 | 201497-П29 | Болт М10-6gх25 | |
| 53 | 375-2912638 | Трос с гильзами в сборе | |
| 54 | 375-2912610-А | Кронштейн буфера передний | |
| 55 | 375-2912631-А | Пластина буфера в сборе | |
| 56 | 375-2912646 | Пластина стопорная | |
| 57 | 252136-П9 | Шайба пружинная 10 | |
| 58 | 201495-П29 | Болт М10-6gх20 | |
| 59 | 375-2912648 | Пластина поджимная | |
| 60 | 200367-П29 | Болт М12-6gх45 | |
| 61 | 250512-П29 | Гайка М10 | |
| 62 | 256838-П | Заклепка 10х24 | |
| 63 | 375-2902068 | Трубка распорная хомутов | |
| 64 | 200332-П29 | Болт М10-6gх115 | |
| 65 | 258085-П29 | Шплинт 6х50 | |
| 66 | 335045-П29 | Гайка М30х1,5 |
Содержащиеся в справочниках-каталогах запасные части и детали не предлагаются к продаже, а носят исключительно информационный характер