Вернуться на главную
Поиск
Каталоги запчастей к технике
Грузовые автомобили и прицепы
УралАЗ
УРАЛ-375
Реле-регулятор РР51 (Рис. 108)
Каталог запасных частей к технике: УралАЗ УРАЛ-375. Реле-регулятор РР51 (Рис. 108)
zoom-in
zoom-out
enlarge
shrink
circle-right
circle-left
file-text2
info
cart
Тип техники
Не выбрано
Легковые автомобили
Грузовые автомобили и прицепы
Автобусы
Сельхозтехника
Спецтехника
Двигатели
Мототехника
Марка
Не выбрано
BAW
DAF
DongFeng
FAW
Foton
HOWO
Hyundai
IVECO
JAC Motors
LGMG
MAN
Shaanxi
SITRAK
Studebaker
Tata
Volvo
Автокомпонент Плюс
БелАЗ
Брянский Арсенал
ГАЗ
ЗИЛ
КАЗ
Камский автозавод
КрАЗ
Мадара
МАЗ
МЗКТ
МоАЗ
Нефтекамский автозавод
Ставропольский Завод АвтоПрицепов
ТАТРА
Тонар
УралАЗ
ЧМЗАП
Модель
Не выбрано
4320-0006982-74 (NEXT) (2017)
УРАЛ-375
УРАЛ-4320
УРАЛ-4320 (1981)
УРАЛ-4320-0971-58 (2010)
УРАЛ-4320-1151-59 (2010)
УРАЛ-4320-1951-58 (2010)
УРАЛ-4320-1958-70И (2012)
УРАЛ-4320-31
УРАЛ-4320-31
УРАЛ-4320-41
УРАЛ-4320-60 (2013)
УРАЛ-4320-61 (2013)
УРАЛ-4320-6951-74 (2015)
УРАЛ-4320-80М/82М (2015)
УРАЛ-43202
УРАЛ-43203-10
УРАЛ-43204-1111-70 (2012)
УРАЛ-43204-1153-70 (2012)
УРАЛ-43206-41
УРАЛ-4420 (1981)
УРАЛ-44202-0511-58 (2010)
УРАЛ-44202-3511-80 (2012)
УРАЛ-44202-3511-80 (2013)
УРАЛ-44202-3511-80М (2015)
УРАЛ-532301
УРАЛ-532361 (2015)
УРАЛ-5557
УРАЛ-5557-31 (2010)
УРАЛ-5557-40
УРАЛ-55571-1121-70 (2011)
УРАЛ-55571-30 (2010)
УРАЛ-55571-40 (2010)
УРАЛ-63674
УРАЛ-63685
УРАЛ-6370-1121 (2011)
УРАЛ-6370-1151 (2011)
УРАЛ-63704 (2011)
Схема
>
Не выбрано
Кабина в сборе (Рис. 136)
Кабина автомобиля (вид изнутри) (Рис. 137)
Кабина автомобиля Урал-375 с дугами тента в сборе (Рис. 145)
Рама ветрового окна (Рис. 138)
Стеклоочиститель (Рис. 139)
Омыватель ветрового стекла (Рис. 140)
Установка бачка омывателя новой конструкции: I - изменение крепления бачка, II - доработка усилителей боковины капота для установки бачка. а - верхний, б - нижний усилители (Рис. 141)
Тент кабины автомобиля Урал-375 (Рис. 144)
Дверь автомобиля Урал-375 (Рис. 146)
Дверь автомобиля Урал-375Д (Рис. 147)
Стеклоподъемник (Рис. 148)
Замок двери (Рис. 149)
Сиденья водителя и пассажиров (Рис. 150)
Вентиляция и отопление автомобиля Урал-375 (Рис. 142)
Вентиляция и отопление автомобиля Урал-375Д (Рис. 143)
Облицовка радиатора (Рис. 151)
Детали оперения (Рис. 152)
Заднее крыло (Рис. 153)
Платформа автомобиля Урал-375Д (Рис. 154)
Платформа автомобиля Урал-377 (Рис. 155)
Сиденья платформы автомобиля Урал-375Д (Рис. 156)
Тент платформы автомобиля Урал-375Д (Рис. 157)
Двигатель в сборе (Рис. 6)
Подвеска двигателя (Рис.7)
Блок цилиндров, масляный картер, крышки подшипников коленчатого вала, втулки распределительного вала, картер маховика (Рис.8)
Головка блока цилиндров, клапаны и толкатели (Рис.9)
Поршень, шатун, гильза (Рис.10)
Коленчатый и распределительный валы, приводы распределителя, топливного насоса и центробежного датчика ограничителя оборотов коленчатого вала (Рис. 11)
Впускная труба, вентиляция картера, установка маслоналивного патрубка и фильтра вентиляции картера, установка карбюратора выпускного патрубка водяной рубашки двигателя, термостата и датчика температуры воды (Рис.12)
Выпускной газопровод (Рис. 13)
Маслоприемник и масляный насос (Рис. 14)
Масляные фильтры грубой и тонкой очистки (Рис. 15)
Масляный радиатор (Рис. 16)
Схема системы пускового подогрева (Рис. 17)
Полнопоточный центробежный фильтр очистки масла (Рис.18)
Топливные баки и топливопроводы автомобиля Урал-375Д (Рис. 19)
Топливные баки и топливопроводы автомобиля Урал-375С (Рис. 20)
Топливные баки и топливопроводы автомобиля Урал-377 (Рис. 21)
Топливные баки и топливопроводы автомобиля Урал-377С (Рис. 22)
Фильтр-отстойник тонкой очистки топлива (Рис. 23)
Топливный насос Б10 (Рис. 24)
Карбюратор К89А (Рис. 25)
Управление подачей топлива автомобиля Урал-375Д (Рис. 26)
Воздушный фильтр автомобиля Урал-375Д (Рис. 27)
Воздушный фильтр автомобиля Урал-377 (Рис. 28)
Центробежный датчик ограничителя оборотов коленчатого вала двигателя, топливопроводы карбюратора и топливного насоса (Рис. 29)
Система выпуска газов автомобиля Урал-377 (Рис. 31)
Система выпуска газов и трубы эжекции шасси автомобиля с горизонтальным расположением держателя запасного колеса и седельного тягача Урал-375С (Рис. 32)
Система выпуска газов и трубы эжекции автомобиля Урал-375Д (Рис. 30)
Эскиз доработки приемной трубы глушителя (Рис. 33)
Система охлаждения (Рис. 34)
Подвеска и жалюзи радиатора (Рис. 35)
Водяной насос и вентилятор автомобиля Урал-375Д (Рис. 36)
Водяной насос и вентилятор автомобиля Урал-377. Установка патрубка и перепускного шланга (байпас) (Рис. 37)
Штора радиатора (Рис. 158)
Установка шторы радиатора (Рис. 159)
Сцепление (Рис. 38)
Картер и привод сцепления (Рис. 39)
Картер коробки передач (Рис. 40)
Коробка передач и масляный насос (Рис. 41)
Установка дополнительной опоры коробки передач (Рис. 42)
Механизм переключения передач (Рис. 43)
Картер и подвеска раздаточной коробки (Рис. 44)
Картер и управление дополнительной коробкой (Рис. 45)
Раздаточная коробка (Рис. 46)
Дополнительная коробка (Рис. 47)
Управление раздаточной коробкой (Рис. 48)
Эскиз доработки правого кронштейна раздаточной коробки (Рис. 49)
Схема расположения карданных валов автомобиля Урал-375Д (Рис. 50)
Схема расположения карданных валов автомобиля Урал-377 (Рис. 51)
Карданный вал заднего (переднего) моста (Рис. 52)
Промежуточный карданный вал (Рис. 53)
Карданный вал среднего моста (Рис. 54)
Передний мост (Рис. 55)
Главная передача (Рис. 56)
Дифференциал и полуось (Рис. 57)
Картер заднего моста (Рис. 58)
Рама автомобиля Урал-375Д (Рис. 61)
Рама автомобиля Урал-377 (Рис. 62)
Буксирный прибор (Рис. 63)
Доработка лонжеронов рамы (Рис. 64)
Эскиз доработки правого лонжерона (Рис. 65)
Передняя подвеска (Рис. 66)
Амортизатор передней подвески (Рис. 67)
Задняя подвеска (Рис. 68)
Балансир задней подвески (Рис. 69)
Изменение крепления тросов отбоя задней подвески (Рис. 70)
Изменение конструкции шарниров реактивных штанг (Рис. 71)
Передняя ось и ступица колеса автомобиля Урал-377 (Рис. 72)
Рулевые тяги (Рис. 73)
Изменение конструкции шарниров рулевого управления (Рис. 74)
Колесо автомобиля Урал-375Д (Рис. 75)
Колесо автомобиля Урал-377 (Рис. 76)
Ступица колеса (Рис. 77)
Изменение конструкции ступиц (Рис. 78)
Держатель запасного колеса автомобиля Урал-375Д (Рис. 79)
Держатель запасного колеса автомобиля Урал-375С (Рис. 80)
Держатель запасного колеса седельного тягача Урал-377С (Рис. 81)
Держатель запасного колеса автомобиля Урал-377 (Рис. 82)
Держатель запасного колеса шасси Урал-375А (Рис. 83)
Гидравлический подъемник запасного колеса (Рис. 84)
Вертикальный держатель запасного колеса (Рис. 160)
Горизонтальный держатель запасного колеса (Рис. 161)
Рулевой механизм (Рис. 85)
Рулевое колесо с валом и карданами в сборе (Рис. 86)
Гидроусилитель руля (Рис. 87)
Насос гидроусилителя руля (Рис. 88)
Схема системы рулевого управления (Рис. 89)
Схема системы рулевого управления (Рис. 162)
Изменение конструкции крепления золотника (Рис. 90)
Ножной тормоз (Рис. 91)
Привод тормозного крана (Рис. 92)
Силовой агрегат тормозов (Рис. 93)
Схема пневмогидравлических тормозов автомобиля Урал-375Д (Рис. 94)
Схема пневмогидравлических тормозов автомобиля Урал-377 (Рис. 95)
Ручной тормоз (Рис. 96)
Управление ручного тормоза (Рис. 97)
Компрессор (Рис. 98)
Установка компрессора и регулятора давления (Рис. 99)
Установка компрессора с регулировкой натяжения ремня перемещением компрессора (Рис. 100)
Регулятор давления (Рис. 101)
Тормозной кран (Рис. 102)
Междубаллонный редуктор (Рис. 103)
Схема электрооборудования автомобиля Урал-375Д (Рис. 104)
Схема электрооборудования автомобиля Урал-377 (Рис. 105)
Генератор Г51 (Рис. 106)
Генератор Г130 (Рис. 107)
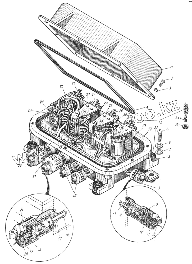
Реле-регулятор РР51 (Рис. 108)
Реле-регулятор РР130 (Рис. 109)
Аккумуляторная батарея (Рис. 110)
Распределитель Р102 (Рис. 111)
Распределитель Р4-В (Рис. 112)
Схема зажигания автомобиля Урал-375Д (Рис. 113)
Схема зажигания автомобиля Урал-377 (Рис. 114)
Стартер СТ2 (Рис. 115)
Стартер СТ130-А1 (Рис. 116)
Электрическая схема отопителя автомобиля Урал-375 (Рис. 117)
Фара (Рис. 118)
Поворотная фара (Рис. 119)
Электрическая схема присоединения поворотной фары: I - для седельного тягача Урал-375С, II - для седельного тягача Урал-377С (Рис. 120)
Подфарник (Рис. 121)
Щиток приборов автомобиля Урал-375Д (Рис. 122)
Седельное устройство и рама автомобиля Урал-375С (Рис. 59)
Седельное устройство и рама автомобиля Урал-377С (Рис. 60)
Коробка дополнительного отбора мощности (Рис. 124)
Коробка отбора мощности (Рис. 125)
Трубопроводы системы накачивания шин и подвод воздуха к шинам (Рис. 126)
Кран управления давлением (Рис. 127)
Блок шинных кранов (Рис. 128)
Схема системы герметизации (Рис. 129)
Лебедка с редуктором в сборе и управление лебедкой (Рис. 130)
Редуктор лебедки (Рис. 131)
Тросоукладчик лебедки (Рис. 132)
Привод лебедки (Рис. 133)
Эскиз доработки кронштейна: А - два отверстия М10х1,5 (Рис. 134)
Блок лебедки (Рис. 135)
Инструмент (Рис. 123)
Крепление инструментального ящика и дополнительного топливного бака седельного тягача Урал-375С (Рис. 163)
Крепление инструментального ящика и дополнительного топливного бака на основании держателя запасного колеса седельного тягача Урал-377С (Рис. 164)
1
2
3
4
5
6
7
8
9
9
10
11
12
13
14
15
16
17
18
19
20
21
21
22
23
24
25
26
26
26
26
27
28
29
29
30
31
32
33
34
35
Позиция на иллюстрации
Заводской номер детали
Название детали
РР23-3702550
РР23-3702550
Сопротивление 15ом
РР20-3702547
РР20-3702547
Сопротивление 15ом
РР23-3702549
РР23-3702549
Сопротивление 80ом
РР23-3702547
РР23-3702547
Сопротивление 35ом
РР23-3702542
РР23-3702542
Сопротивление 80ом
1
РР51-3702003
Крышка реле-регулятора
2
МХ-0093
Винт крепления крышки
3
Х-4001
Шайба пружинная
4
РР51-3702015
Кольцо уплотнительное крышки
5
220109-П8
Винт М6х22 крепления реле-регулятора
6
339417-П29
Шайба пружинная 7,6
7
252004-П8
Шайба 6
8
РР51-3702100
Основание реле-регулятора в сборе
9
РР51-3702009
Гайка специальная
10
Г54-3701018
Втулка конусная
11
Г54-3701017
Втулка конусная
12
РР51-3702025
Втулка уплотнительная
13
Г54-3701090
Втулка с кольцом в сборе
14
РР51-3702040
Вилка в сборе
15
Г54-3701009
Гайка специальная
16
Г54-3701030-А
Вилка в сборе
17
Г54-3701060
Втулка с кольцом в сборе
18
РР51-3702024
Втулка уплотнительная
19
Г54-3701015
Втулка конусная
20
Г54-3701016
Втулка конусная
21
Г54-3701008
Гайка специальная
22
РР21-3702009
Гайка специальная
23
РР20-3702440
Держатель с вольфрамовым контактом реле обратного тока и регуляторов напряжения в сборе
24
РР8-3702200
Ярмо с обмотками реле обратного тока в сборе
25
РР23-3702205
Якорь реле обратного тока в сборе
26
РР20-3702418
Пружина
27
РР23-3702305
Якорь ограничителя тока в сборе
28
РР8-3702300
Ярмо с катушкой ограничителя тока в сборе
29
РР23-3702420
Якорь регуляторов напряжения в сборе
30
РР23-3702400-Б
Ярмо с шунтовой катушкой I регулятора напряжения в сборе
31
РР23-3702700
Ярмо с шунтовой катушкой II регулятора напряжения в сборе
32
РР8-3702500
Панель реле-регулятора в сборе
33
РР20-3702006-Б
Втулка амортизационная
34
РР20-3702215
Винт регулировочный
35
РР20-3702214
Гайка регулировочная
Содержащиеся в справочниках-каталогах запасные части и детали не предлагаются к продаже, а носят исключительно информационный характер
Дополнительная информация
×
Название:
Номер:
Примечание: