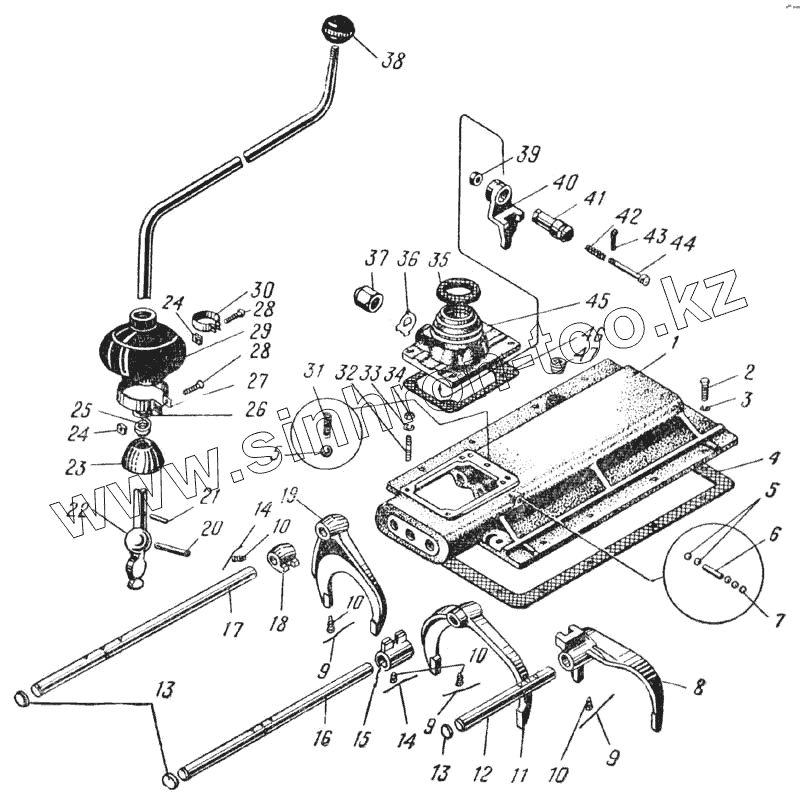
Каталог запасных частей к технике: УралАЗ УРАЛ-375. Механизм переключения передач (Рис. 43)
1
2
3
4
5
5
6
7
8
9
9
9
10
10
10
10
11
12
13
13
14
14
15
16
17
18
19
20
21
22
23
24
24
25
26
27
28
28
29
30
31
32
33
34
35
36
37
38
39
40
41
42
43
44
45
46
47
| Позиция на иллюстрации | Заводской номер детали | Название детали | |
|---|---|---|---|
| 204У-1702000-Б | 204У-1702000-Б | Крышка коробки передач верхняя с рычагом в сборе | |
| 214-1702010-А | 214-1702010-А | Крышка коробки передач верхняя с вилками в сборе | |
| 14-019 | 14-019 | Штуцер суфлера | |
| 258025-П | 258025-П | Шплинт 2,5х20 | |
| 14-0110 | 14-0110 | Крышка суфлера | |
| 204У-1702114-Б | 204У-1702114-Б | Рычаг переключения передач с опорой в сборе | |
| 1 | 200-1702015-В3 | Крышка коробки передач верхняя | |
| 2 | 201497-П29 | Болт М10-6gх25 | |
| 3 | 252136-П2 | Шайба 10 пружинная | |
| 4 | 200-1702014 | Прокладка верхней крышки коробки передач | |
| 5 | Шарик диаметром 9,525мм замка штоков вил | Шарик диаметром 9,525мм замка штоков вилок переключения передач | |
| 6 | 200-1702087 | Штифт замка штоков вилок переключения передач | |
| 7 | 260303-П15 | Заглушка 12,5 | |
| 8 | 214-1702033 | Вилка переключения четвертой и пятой передач | |
| 9 | 258255-П | Шплинт-проволока 1,2х225 | |
| 10 | 200-1702025 | Винт установочный вилки переключения передач | |
| 10 | 200-1702025 | Винт установочный вилки переключения передач | |
| 11 | 200-1702027 | Вилка переключения второй и третьей передач | |
| 12 | 200-1702074-А | Шток вилки переключения четвертой и пятой передач | |
| 13 | 260308-П15 | Заглушка 22 | |
| 14 | 258252-П | Шплинт-проволока 1,2х150 | |
| 15 | 214-1702028 | Головка штока вилки переключения второй и третьей передач | |
| 16 | 200-1702064-А | Шток вилки переключения второй и третьей передач | |
| 17 | 200-1702060-А2 | Шток вилки переключения первой передачи и заднего хода | |
| 18 | 200-1702053-А | Головка штока вилки переключения первой передачи и заднего хода | |
| 19 | 200-1702024 | Вилка переключения первой передачи и передачи заднего хода | |
| 20 | 200-1702128 | Штифт опоры рычага переключения передач | |
| 21 | 313408-П29 | Штифт 4х27 | |
| 22 | 204У-1702118-Б | Рычаг переключения передач с наконечником в сборе | |
| 23 | 200-1702123 | Крышка опоры рычага переключения передач | |
| 24 | 251084-П8 | Гайка М5 | |
| 25 | 200-1702130 | Пружина рычага переключения передач | |
| 26 | 200-1702131-А | Шайба пружины | |
| 27 | 288026-П29 | Хомут 85 | |
| 28 | 220086-П29 | Винт М5-6gх30 | |
| 29 | 204У-1702133-Б | Колпак защитный опоры рычага переключения передач | |
| 30 | 288007-П29 | Хомут 30 | |
| 31 | 200-1702106 | Пружина стопорного шарика механизма переключения передач | |
| 32 | 216257-П2 | Шпилька М10-М10х1х22 | |
| 33 | 252136-П2 | Шайба 10 пружинная | |
| 34 | 250513-П2 | Гайка М10х1 | |
| 35 | 200-1702124 | Кольцо уплотнительное крышки | |
| 36 | 312507-П29 | Шайба 22,5 | |
| 37 | 312102-П29 | Гайка М22х1,5 | |
| 38 | 200-1702159 | Рукоятка рычага переключения передач в сборе | |
| 39 | 311708-П | Гайка М8х1 предохранителя | |
| 40 | 214-1702125 | Поводок переключения первой передачи и заднего хода | |
| 41 | 214-1702126 | Ось поводка переключения | |
| 42 | 214-1702127 | Пружина предохранительная | |
| 43 | 258013-П | Шплинт 2х15 | |
| 44 | 214-1702129 | Предохранитель включения первой передачи и заднего хода | |
| 45 | 204У-1702121 | Опора рычага переключения передач | |
| 46 | 200-1702122 | Прокладка опоры рычага переключения передач | |
| 47 | 262522-П | Пробка К1,1/4" |
Содержащиеся в справочниках-каталогах запасные части и детали не предлагаются к продаже, а носят исключительно информационный характер