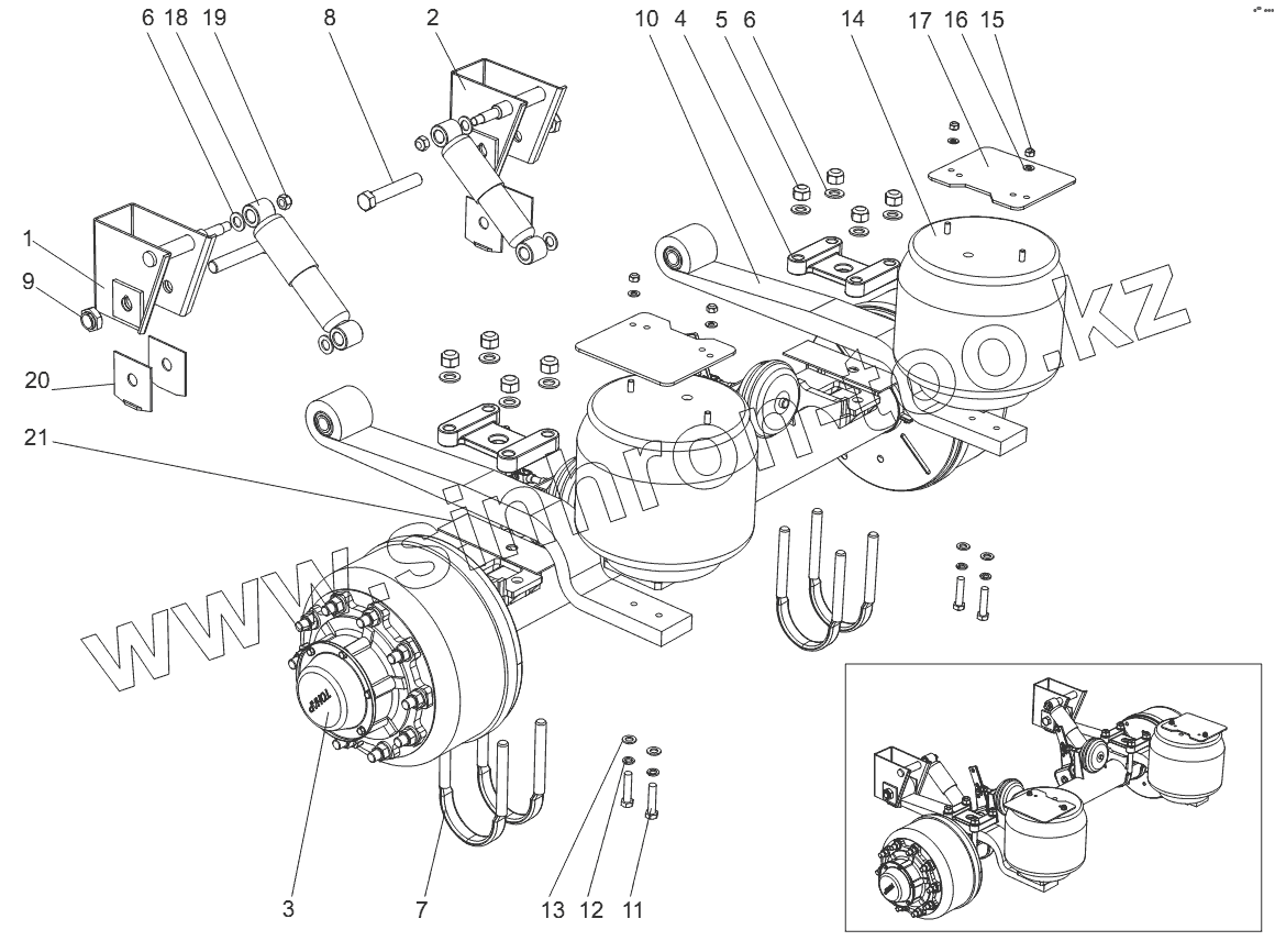
Каталог запасных частей к технике: Тонар-9746. Ось с рессорами 9746-2410009
1
2
3
4
5
6
6
7
8
9
10
11
12
13
14
15
16
17
18
19
20
21
| Позиция на иллюстрации | Заводской номер детали | Название детали | |
|---|---|---|---|
| 1 | 974623-2912440-10 | Кронштейн рессоры | |
| 2 | 974623-2912440-11 | Кронштейн рессоры | |
| 3 | 9042-2410011 | Ось с тормозами средняя | |
| 4 | 2312520187 | Накладка рессоры 9042-2912426-10 | |
| 5 | 1283001324 | Гайка М24хЗ тип BPW самоконтрящаяся | |
| 6 | 1283000129 | Шайба 24.03.019 ГОСТ 11371-78 | |
| 7 | 2312520190 | Стремянка 1042-2912408-50 | |
| 8 | 9746-2912478 | Болт М30х3,5 | |
| 9 | 1283001236 | Гайка болта М30хЗ,5 | |
| 10 | 4533169709 | Рессора ALS 31 2305-TN | |
| 11 | 1282001670 | Болт М16х70-6д ГОСТ 7805-70 | |
| 12 | 1286010016 | Шайба 16 | |
| 13 | 1286020116 | Шайба 16Т ГОСТ 6402-70 | |
| 14 | 4533169707 | Пневморессора MD1881K | |
| 15 | 1283000112 | Гайка М12 самостопорящаяся | |
| 16 | 1286010012 | Шайба 12 | |
| 17 | 9523-2912541-10 | Пластина | |
| 18 | 4542054238 | Амортизатор П 50.1.2905005 (ПААЗ) | |
| 19 | 1282000622 | Гайка М20 самоконтрящаяся | |
| 20 | 9746-2922102-10 | Вкладыш | |
| 21 | 9746-2922171 | Пластина |
Содержащиеся в справочниках-каталогах запасные части и детали не предлагаются к продаже, а носят исключительно информационный характер