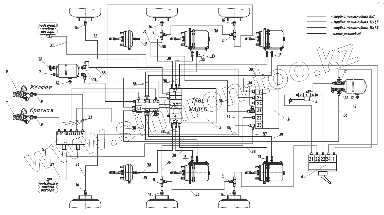
Каталог запасных частей к технике: Тонар-97461. Схема пневматическая с компонентами WABCO
2
3
4
5
6
7
8
8
8
9
9
9
9
9
10
11
12
12
12
13
13
13
13
15
15
16
16
16
16
16
16
17
18
35
36
36
36
36
36
36
36
36
36
36
37
37
37
37
37
38
38
38
38
38
38
38
38
38
38
38
38
| Позиция на иллюстрации | Заводской номер детали | Название детали | |
|---|---|---|---|
| 2 | 1284000173 | Блок EBS-2S/2M 480 102 063 0 Wabco | |
| 3 | 1284000392 | Кран уровня пола 464 006 102 0 | |
| 4 | 1284000272 | Клапан управления подъёмной осью 463 084 100 0 | |
| 5 | 4591191117 | Клапана растормаживания полуприцепа 971 002 900 0 | |
| 6 | 1284000191 | Кран управления пневмоподвеской 463 032 220 0 с фитингами, WABCO | |
| 7 | 1284000108 | Головка с фильтром красная | |
| 8 | 1284000107 | Головка с фильтром желтая | |
| 9 | 1284000190 | Фитинг М16х1,5 трубка 8x1 из блока EBS | |
| 10 | 1284000152 | Клапан контрольного вывода | |
| 11 | 1284000167 | Пробка М22х1,5 №26952212, SIRIT | |
| 12 | 1284000160 | Клапан слива конденсата | |
| 13 | 1284000168 | Фитинг-угольник 90 градусов | |
| 14 | 2332900001 | Тройник 9540 12-12-8 CAMOZZI | |
| 15 | 1284000117 | Фитинг ёлочка | |
| 16 | 1284000157 | Фитинг прямой | |
| 17 | 1284000163 | Фитинг-тройник | |
| 18 | 2332900006 | Тройник с контрольным выводом | |
| 19 | 1284002256 | Фитинг- тройник под трубку М12х1,5 | |
| 20 | 4598700098 | Хомут ABA 15-24 C7/W1 | |
| 21 | 2312523013 | Стяжка кабельная 5/011234 | |
| 22 | 1284000181 | Кабель питания EBS 449 173 120 0 | |
| 23 | 1284000176 | Кабель датчика АБС 449 723 030 0 | |
| 25 | 1284000180 | Кабель клапана подъемной оси 449 445 050 0 | |
| 26 | 2247210011 | Трубка полиамидная ф15х1,5 | |
| 35 | 2247210012 | Трубка полиамидная ф12х1,5 | |
| 36 | 2247210008 | Трубка полиамидная ф8х1 | |
| 37 | 1284000120 | Шланг 828 876 411 6 Wabco | |
| 38 | 2200080078 | Кольцо защитное 9746-2801128 | |
| 47 | 3491522007 | Лента спиральная | |
| 48 | 3491522009 | Лента спиральная |
Содержащиеся в справочниках-каталогах запасные части и детали не предлагаются к продаже, а носят исключительно информационный характер