Вернуться на главную
Поиск
Каталоги запчастей к технике
Грузовые автомобили и прицепы
Тонар
Тонар-6428
Клапан управления механизмом сцепления
Каталог запасных частей к технике: Тонар-6428. Клапан управления механизмом сцепления
zoom-in
zoom-out
enlarge
shrink
circle-right
circle-left
file-text2
info
cart
Тип техники
Не выбрано
Легковые автомобили
Грузовые автомобили и прицепы
Автобусы
Сельхозтехника
Спецтехника
Двигатели
Мототехника
Марка
Не выбрано
BAW
DAF
DongFeng
FAW
Foton
HOWO
Hyundai
IVECO
JAC Motors
LGMG
MAN
Shaanxi
SITRAK
Studebaker
Tata
Volvo
Автокомпонент Плюс
БелАЗ
Брянский Арсенал
ГАЗ
ЗИЛ
КАЗ
Камский автозавод
КрАЗ
Мадара
МАЗ
МЗКТ
МоАЗ
Нефтекамский автозавод
Ставропольский Завод АвтоПрицепов
ТАТРА
Тонар
УралАЗ
ЧМЗАП
Модель
Не выбрано
ПТ4-30 (2013)
Тонар-4525 (2013)
Тонар-6428 (до 01.2013)
Тонар-9523 (2010)
Тонар-9523 (вариант) (до 01.2013)
Тонар-9523 (вариант) (с 01.2013)
Тонар-952302 (c 11.2014)
Тонар-95231 (2010)
Тонар-95234 (2012)
Тонар-95234 (2013)
Тонар-95235 (2013)
Тонар-9746 (2012)
Тонар-97461 (2010)
Тонар-97461 (2013)
Тонар-97461 (с 01.2013)
Тонар-97461 (с 01.2013)
Схема
>
Не выбрано
Подвеска кабины
Кабина в сборе
Механизм подъёма кабины
Механизм замка кабины
Лобовое стекло
Облицовочная панель передняя боковая
Кронштейн подножкии крепление
Панель приборов
Накладки панели приборов
Комплекс приборов в сборе
Элементы панели приборов
Окно левой двери
Окно правой двери
Механизм двери
Подножка левой двери
Подножка правой двери
Элементы для обогрева и вентиляции
Отопительное оборудование
Воздухозаборное оборудование кабины
Стеклоочистители
Кронштейн стеклоочистителей
Водяной насос стеклоочистителей
Воздуховоды
Зеркало заднего вида с подогревом
Бампер дополнительный
Бампер и крепление
Заднее крыло кабины левое
Заднее крыло кабины правое
Крепление левого и правого крыльев
Крыло левое
Крыло правое
Выхлопная система
Воздушный фильтр
Воздушный фильтр
Регулятор воздушного фильтра
Расширительный бачок
Радиатор в сборе
Корпус сцепления
Диафрагма сцепления
Сцепление в сборе
Механизм привода сцепления
Клапан управления механизмом сцепления
Коробка переключения передач
Первичный вал в сборе
Вторичный вал в сборе
Промежуточный вал в сборе
Вал передачи заднего хода
Сервоусилитель в сборе
Вал делителя
Левый и правый вал делителя
Шестерня привода делителя
Механизм переключения передач
Механизм переключения передач
Задняя крышка в сборе
Рама в сборе
Установка передней подвески
Поперечная рулевая тяга
Установка задней подвески
Мост передний с рессорами
Передний мост
Мост средний с рессорами
Кожух среднего моста
Средний мост
Редуктор среднего моста
Мост задний с рессорами
Кожух заднего моста
Дифференциал заднего моста
Рулевая колонка
Шины и колеса
Гидроусилитель рулевого управления
Бачок в сборе
Пневмосистема
Тормоз заднего колеса
Тормоз переднего колеса
Карданный вал
Передние противотуманные фары
Передние фары
Ящик аккумуляторных батарей
Электропроводка
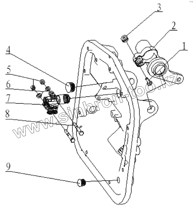
1
2
3
4
5
6
7
8
9
Позиция на иллюстрации
Заводской номер детали
Название детали
1
Q2140625
Винт
2
81.97640.0227
Пружинный хомут
3
81.90685.0276
Гайка
4
81.96002.0130
Пробка
5
Q33206
Стопорная гайка
6
Q40106
Шайба
7
81.52170.6156
Клапан
8
Q150В0645
Болт
9
81.96002.0131
Пробка
Содержащиеся в справочниках-каталогах запасные части и детали не предлагаются к продаже, а носят исключительно информационный характер
Дополнительная информация
×
Название:
Номер:
Примечание: