Каталог запасных частей к технике: Tata LPT 613 Euro-III. FUEL SYSTEM
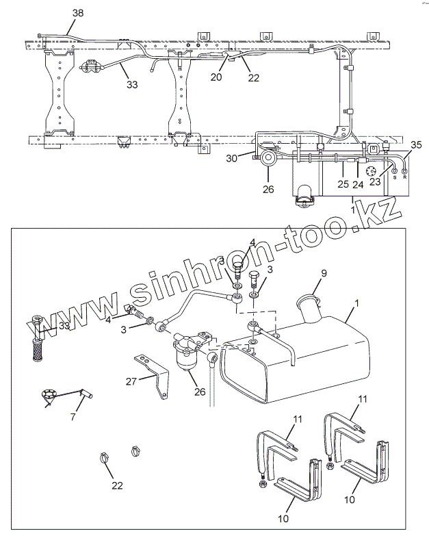
1
1
3
3
3
4
4
7
9
10
10
11
11
20
22
22
23
24
25
26
26
27
30
33
33
35
38
| Позиция на иллюстрации | Заводской номер детали | Название детали | |
|---|---|---|---|
| 264142900179 | 264142900179 | ASSY.CLAMP (FOR FUEL SRAINER) | |
| 264347605802 | 264347605802 | FUEL HOSE | |
| 3124761426 | 3124761426 | RUBBER HOSE | |
| 264347600157 | 264347600157 | ASSY BRACKET (FEED PUMP MOUNTING) | |
| 264747605801 | 264747605801 | FUEL HOSE (SUCTION SIDE) | |
| 264747605802 | 264747605802 | FUEL HOSE (ENGINE SIDE) | |
| 16220510216 | 16220510216 | SEALING WASHER 14X18 AL | |
| 1 | 264447000101 | FUEL TANK(120 LT)-WITH STRAP & SUPPORT | |
| 3 | 16220510577 | SEALING WASHER 38X44 AL | |
| 4 | 16531999049 | PIPE UNION BOLT 10 | |
| 7 | 265154210101 | TANK UNIT | |
| 9 | 0424700605J | ASSY. FUEL TANK CAP | |
| 10 | 264047500104 | ASSY. BRACKET (FUEL TANK MTG) | |
| 11 | 265147500102 | ASSY. STRAP | |
| 20 | 252707100189 | ELECTRIC FUEL FEED PUMP | |
| 22 | 14280500209 | HOSE CLAMP 20 | |
| 23 | 264347600158 | ASSY.SUCTION LINE(FUEL TANK TO STRAINER) | |
| 24 | 278609999951 | FUEL STRAINER | |
| 25 | 264347600159 | ASSY. SUCTION LINE (STRAINER TO W/SEP) | |
| 26 | 264347100101 | WATER SEP WITH HEATER(FLEETGUARD-FH232) | |
| 27 | 264347600170 | ASSY BKT(FLEETGUARD W/SEP WITH HEATER) | |
| 30 | 264347600160 | ASSY.SUCTION LINE(W/SEP TO FEED PUMP) | |
| 33 | 264347600161 | ASSY. SUCTION LINE (FEED PUMPTO FILTER) | |
| 35 | 264347600162 | ASSY. RETURN LINE | |
| 38 | 264347600163 | ASSY.SUCTION LINE (W/SEP TO HEATER) |
Содержащиеся в справочниках-каталогах запасные части и детали не предлагаются к продаже, а носят исключительно информационный характер