Каталог запасных частей к технике: Tata LP/LPT 613 LHD. CAB HEATING
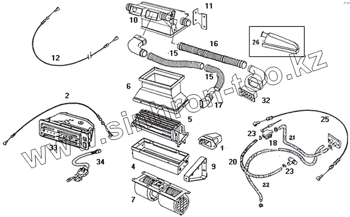
1
2
4
5
6
7
9
9
10
11
11
12
15
15
16
17
18
20
20
21
22
23
23
25
26
32
33
34
| Позиция на иллюстрации | Заводской номер детали | Название детали | |
|---|---|---|---|
| 2654 8350 01 09 | 2654 8350 01 09 | Assy Lever (N/D Type Water Valve | |
| 2659 8330 63 38 | 2659 8330 63 38 | Control Knob | |
| 2651 8330 01 32 | 2651 8330 01 32 | Assy.Control Cover.- Heater | |
| 2659 8330 63 38 | 2659 8330 63 38 | Control Knob | |
| 2651 8330 01 32 | 2651 8330 01 32 | Assy.Control Cover.- Heater | |
| 2651 8350 01 19 | 2651 8350 01 19 | Assy.Brkt.-LHD [Water Valve Mtg.] | |
| 2651 8340 01 35 | 2651 8340 01 35 | Assy.Strip (Twin Blower Mtg.) | |
| 1 | 2659 8311 01 24 | Assy Fresh Air Valve RHD(without Cable) | |
| 2 | 2659 8330 01 78 | Assy.Push Pull Cable | |
| 4 | 2154 8310 01 03 | Assy. Coil Housing | |
| 5 | 2154 8340 01 01 | Assy. Heater Coil Compl. | |
| 6 | 2150 8310 01 08 | Adaptor Housing Plenum Chamber. | |
| 7 | 2651 5470 01 13 | Assy.Twin Blower With MSSL Ters & Hsg. | |
| 9 | 2150 8350 01 01 | Assy. Bkt.For Coil Hsg.Mtg. R.H. | |
| 9 | 2150 8350 01 02 | Assy. Bkt.For Coil Hsg. Mtg. L.H. | |
| 10 | 2150 8310 01 03 | Assy. Plenum Chamber Compl. | |
| 11 | 2641 8310 01 20 | Assy.Bracket (Plenum Mtg.) RH | |
| 11 | 2641 8310 01 19 | Assy.Bracket (Plenum Mtg.) LH | |
| 12 | 2659 8330 01 59 | Assy.Push Pull Cable -Black | |
| 15 | 2654 8310 63 62 | Hose (Leg Room Connector) | |
| 16 | 2654 8310 63 22 | Hose (ventilation) | |
| 17 | 2654 8310 63 50 | Diffuser (Leg Room Ventilation) | |
| 18 | 2654 8350 01 08 | Assy Water Valve-(5113600605) | |
| 20 | 2654 8350 58 03 | Rubber Tube (17 ID X 360) | |
| 20 | 2150 8350 58 05 | Rubber Hose (Water Valve To Engine). | |
| 21 | 2150 8350 58 06 | Rubber Hose Heating Coil To Water Valve) | |
| 22 | 2150 8350 58 04 | Rubber Hose (Heating Coil To Engine). | |
| 23 | 2654 8330 01 77 | Hose Clamp-25 | |
| 25 | 2641 8330 01 08 | Assy.Push Pull Cable `Z' Type | |
| 26 | 2150 8310 63 08 | Cover (Heater Unit)LHD | |
| 32 | 2651 6890 01 52 | Assy. Ventilation Nozzle | |
| 33 | 2651 6891 01 18 | Control Mounting Bracket (Heater) | |
| 34 | 2654 5470 01 59 | Blower Switch |
Содержащиеся в справочниках-каталогах запасные части и детали не предлагаются к продаже, а носят исключительно информационный характер