Каталог запасных частей к технике: Ставропольский Завод АвтоПрицепов СЗАП-9915. Механизм подъема оси
1
2
3
4
5
6
7
8
9
10
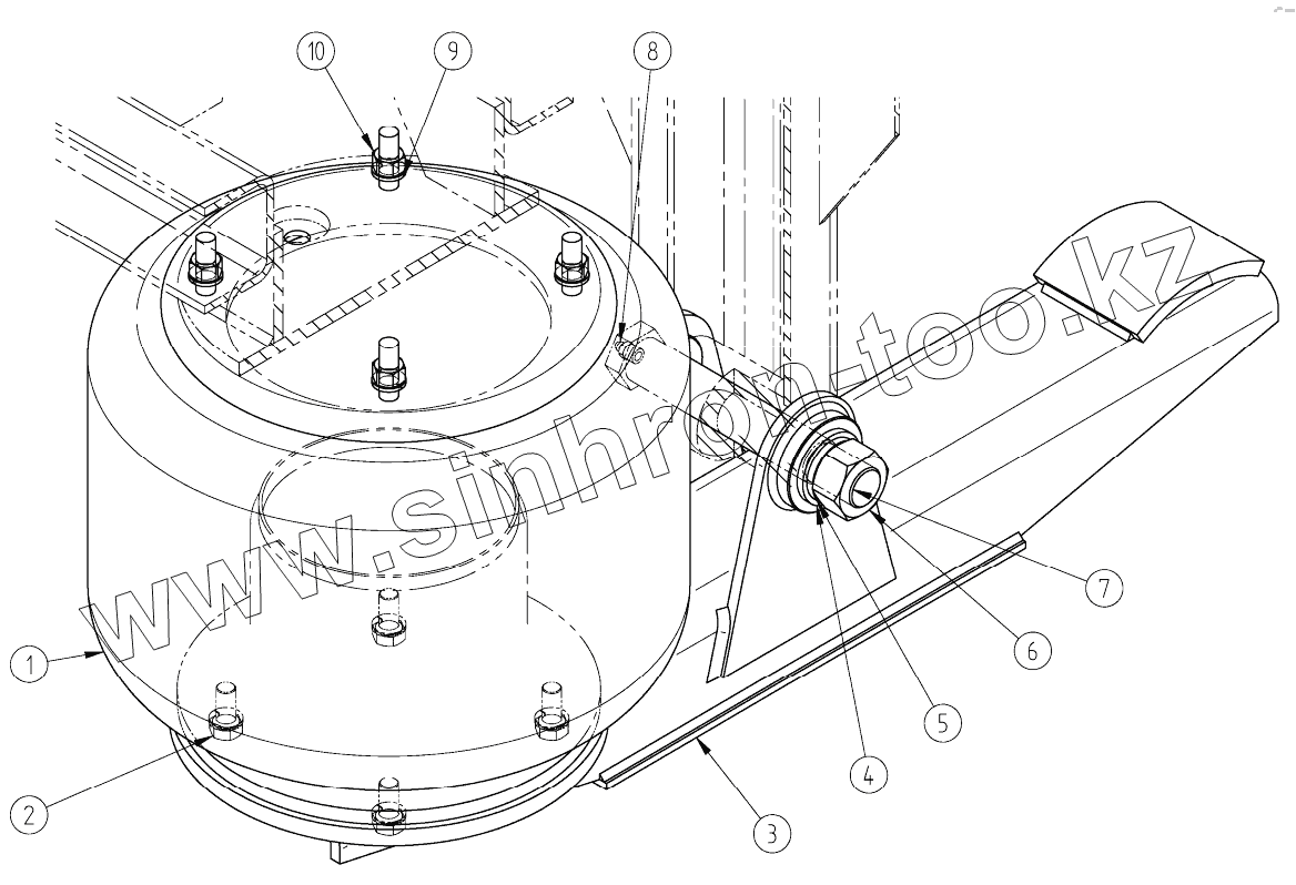
| Позиция на иллюстрации | Заводской номер детали | Название детали | |
|---|---|---|---|
| 93282.003000.012 | 93282.003000.012 | Ось передняя со ступицами и тормозами | |
| 93282.003000.012-10 | 93282.003000.012-10 | Ось передняя со ступицами и тормозами | |
| 1 | 9518147160 | Пневмобалон подвески | |
| 2 | 201538 | Болт М12х25 | |
| 3 | 9328.002920.100-10 | Рычаг подъема сои | |
| 4 | 252022 | Шайба 27 | |
| 5 | 252164 | Шайба пружинная 27 | |
| 6 | 853518 | Гайка М27х1,5 | |
| 7 | 93282.002912.478-20 | Палец ушка | |
| 8 | Масленка1,3УХЛ1 | Масленка 1,3 УХЛ1 | |
| 9 | 1/05170/70 | Шайба пружинная 12 | |
| 10 | 250514 | Гайка М12 |
Содержащиеся в справочниках-каталогах запасные части и детали не предлагаются к продаже, а носят исключительно информационный характер