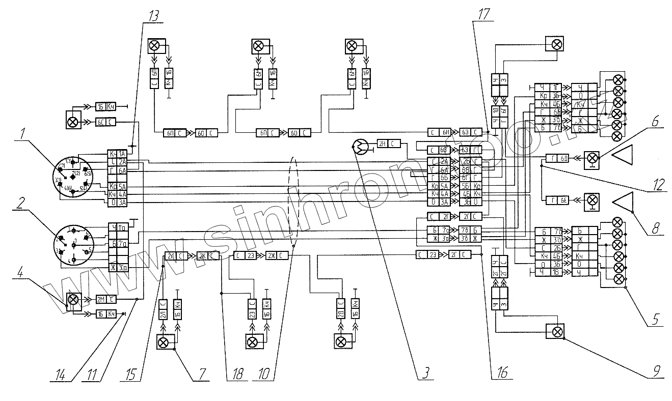
Каталог запасных частей к технике: Ставропольский Завод АвтоПрицепов СЗАП-9340 (2005). Электрооборудование
1
2
3
4
5
6
7
8
9
10
11
12
13
14
15
16
17
18
| Позиция на иллюстрации | Заводской номер детали | Название детали | |
|---|---|---|---|
| 1 | ПС325-3723100 | Розетка | |
| 2 | ПС326-3723100 | Розетка | |
| 3 | ПС400-3723200 | Розетка переносной лампы | |
| 4 | 112.0113 | Подфарник | |
| 5 | 7442.3716-10 | Фонарь задний | |
| 6 | ФП131АБ | Фонарь освещения номерного знака | |
| 7 | 4422.3731 | Фонарь боковой габаритный | |
| 8 | ФП401Б | Световозвращатель | |
| 9 | 29.3731 | Фонарь полного габарита | |
| 10 | 9340.003724.012-10 | Жгут проводов по раме прицепа | |
| 11 | 9340.003724.013 | Провод к передним габаритным фонарям | |
| 12 | 9915.003724.028 | Жгут проводов задний | |
| 13 | 9915.003724.040 | Провод от розетки на массу | |
| 14 | 8350-3724038-01 | Провод от габаритного фонаря на массу | |
| 15 | 9915.003724.062 | Жгут проводов к маркерным фонарям крайний | |
| 16 | 93271.003724.062 | Жгут проводов к маркерным фонарям | |
| 17 | 93271.003724.064 | Жгут проводов к маркерным фонарям | |
| 18 | 9915.003724.068 | Жгут проводов к маркерным фонарям |
Содержащиеся в справочниках-каталогах запасные части и детали не предлагаются к продаже, а носят исключительно информационный характер