Каталог запасных частей к технике: Ставропольский Завод АвтоПрицепов СЗАП-9328. Подвеска пневматическая
1
2
3
4
5
6
7
8
9
10
11
12
13
14
15
16
17
18
19
20
21
22
23
24
25
26
27
28
29
30
31
32
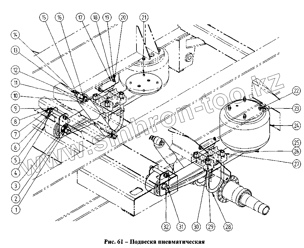
| Позиция на иллюстрации | Заводской номер детали | Название детали | |
|---|---|---|---|
| 1 | 853518 | Гайка М27х1,5 | |
| 2 | 252164 | Шайба пружинная 27 | |
| 3 | 252022 | Шайба 27 | |
| 4 | 9758-2912012-10 | Опора подвески | |
| 5 | 93282.002912.545-10 | Вкладыш | |
| 6 | 93282.002912.546-10 | Втулка распорная | |
| 7 | 1/21647/11 | Гайка М10х1,25 | |
| 8 | 93282.002912.547-10 | Ось втулки | |
| 9 | 1/05172/70 | Шайба пружинная 16 | |
| 10 | 1/07338/01 | Шплинт разводной 4х40 | |
| 11 | 1/07230/11 | Гайка М18х1,5 | |
| 12 | 93283.002905.484-10 | Втулка | |
| 13 | 93283.002905.486 | Болт амортизатора | |
| 14 | 93283.002905.482 | Шайба | |
| 15 | 84327-2915006-20 | Амортизатор | |
| 16 | 1/05203/01 | Шайба плоская 18х32 | |
| 17 | 5320-2912624 | Буфер задней рессоры | |
| 18 | 1/05168/70 | Шайба пружинная 10 | |
| 19 | 1/21647/11 | Гайка М10х1,25 | |
| 20 | 1/59705/21 | Болт М10х1,25х25 | |
| 21 | 201538 | Болт М12х25 | |
| 22 | 250514 | Гайка М12 | |
| 23 | 1/05170/70 | Шайба пружинная 12 | |
| 24 | 810МВ 4st Contitech | Пневмобалон подвески | |
| 25 | 1/61015/11 | Гайка М12х1,25 | |
| 26 | 93282.002934.040 | Опора нижняя | |
| 27 | 8350-2912708 | Гайка М22х1,5-6Н | |
| 28 | 93282.002912.408-10 | Стремянка рессоры | |
| 29 | 252142 | Шайба 22Т | |
| 30 | 93282.002912.412-10 | Накладка рессоры | |
| 31 | Масленка 1,3 УХЛ1 | Масленка 1,3 УХЛ1 | |
| 32 | 93282.002912.478-20 | Палец ушка |
Содержащиеся в справочниках-каталогах запасные части и детали не предлагаются к продаже, а носят исключительно информационный характер