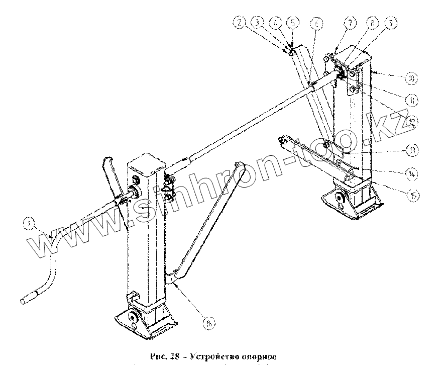
Каталог запасных частей к технике: Ставропольский Завод АвтоПрицепов СЗАП-93271. Устройство опорное
1
2
3
4
5
6
7
8
9
10
11
12
13
14
15
16
| Позиция на иллюстрации | Заводской номер детали | Название детали | |
|---|---|---|---|
| 1 | 9328.002721.002 | Устройство опорное правое | |
| 2 | 1/13762/21 | Болт М16х35 | |
| 3 | 1/21641/11 | Гайка М16х1,5 | |
| 4 | 252139 | Шайба пружинная 16 | |
| 5 | 9328.002721.050 | Раскос | |
| 6 | 9328.002724.013-40 | Вал | |
| 7 | 9328.002724.014 | Палец | |
| 8 | 1/59810/21 | Болт М16х55 | |
| 9 | 93401-2724012 | Муфта | |
| 10 | 9328.002721.001 | Устройство опорное левое | |
| 11 | 1/07964/01 | Шплинт разводной 3х20 | |
| 12 | 1/26386/01 | Шайба плоская 10х18 | |
| 13 | 9340.002724.072 | Кронштейн | |
| 14 | 9340.002720.063 | Кронштейн | |
| 15 | 9328.002721.050 | Раскос | |
| 16 | 9340.002720.062 | Кронштейн |
Содержащиеся в справочниках-каталогах запасные части и детали не предлагаются к продаже, а носят исключительно информационный характер