Вернуться на главную
Поиск
Каталоги запчастей к технике
Грузовые автомобили и прицепы
Shaanxi
SX-3255-DR 3804B 6х4
Генератор
Каталог запасных частей к технике: Shaanxi SX-3255-DR 3804B 6х4. Генератор
zoom-in
zoom-out
enlarge
shrink
circle-right
circle-left
file-text2
info
cart
Тип техники
Не выбрано
Легковые автомобили
Грузовые автомобили и прицепы
Автобусы
Сельхозтехника
Спецтехника
Двигатели
Мототехника
Марка
Не выбрано
BAW
DAF
DongFeng
FAW
Foton
HOWO
Hyundai
IVECO
JAC Motors
LGMG
MAN
Shaanxi
SITRAK
Studebaker
Tata
Volvo
Автокомпонент Плюс
БелАЗ
Брянский Арсенал
ГАЗ
ЗИЛ
КАЗ
Камский автозавод
КрАЗ
Мадара
МАЗ
МЗКТ
МоАЗ
Нефтекамский автозавод
Ставропольский Завод АвтоПрицепов
ТАТРА
Тонар
УралАЗ
ЧМЗАП
Модель
Не выбрано
DeLONG Е-3 (самосвал) (2008)
DeLONG Е-3 (тягач) (2008)
MAN-F2000 (SX3254JS384) (2008)
Shacman F2000 (2013)
Shacman F3000 (2013)
Shacman SX3255DR385 (2011)
Shacman SX3256DR384 (F3000) (2015)
Shacman SX3256DT384 (2011)
Shacman SX3258DR384—F2000
Shacman SX3316DR366 (F2000) (2011)
Shacman SX3316DT366 (2011)
Shacman SX3316DT426C
Shacman SX3316HT406C
Shacman SX4255DV385 (2011)
Shacman SX4256NT324
Shacman SX42584V324
Shacman SX42584V384TL
Shacman SX5256GJBMR364 (2018)
Shacman SX5318GJBDT386TL
SX-3255-DR 3804B 6х4
Схема
>
Не выбрано
Каркас кабины
Элементы передней подвески кабины
Механизм подъема кабины
Механизм гидравлический подъема кабины
Механизм замка кабины
Покрытие звукоизоляционное
Крепление
Кронштейн пола
Крепление кронштейна пола
Изоляция кожуха двигателя с кронштейном
Пол и кожух двигателя
Коврики
Покрытие теплоизоляционное
Панель звукоизоляционная
Стеклоочиститель
Кронштейн стеклоочистителя
Насос водяной стеклоочистителя и принадлежности
Панель приборов
Панель приборов и ручки
Панель приборная кабины
Панель передняя с панелью приборов
Панель передняя ремонтная трехсоставная
Усилитель облицовочной панели боковой
Боковина кабины
Панель боковая уплотнительная с кронштейном
Панель боковая уплотнительная с кронштейном
Панель задняя
Панель задняя верхняя
Панель задняя уплотнительная
Крышка задней панели
Крыша кабины высокая в сборе
Крыша с люком
Люк в крыше
Электроподъемник люка
Облицовка внутренняя с кронштейном и ручкой
Ограничитель положения и механизм замка левой двери
Ограничитель положения и механизм замка левой двери
Шарнир левой и правой двери
Стеклоподъемник ручной
Механизм стеклоподъемника электрический левой двери
Механизм стеклоподъемника электрический правой двери
Элементы левой двери
Элементы правой двери
Окно левой двери
Окно правой двери
Панель облицовочная левой двери
Панель облицовочная правой двери
Сиденье пневматическое левое
Сиденье правое
Крышка сиденья
Элементы для обогрева и вентиляции
Воздуховоды
Вентилятор с датчиком
Оборудование кабины воздухозаборное
Оборудование отопительное (с кондиционером)
Оборудование отопительное (без кондиционера)
Система кондиционирования и управления
Управление кондиционером
Радиатор кондиционера
Кондиционер кабины P2000
Трубки кондиционера
Емкость для жидкости кондиционера
Крепление спального места
Крепление нижнего спального места
Место спальное нижнее
Место спальное верхнее
Занавеска солнцезащитная
Шторка и крепление
Козырек солнцезащитный
Багажник
Крепление диагностической системы
Крышка правая дополнительной электрической системы
Ручка задней панели кабины
Зеркало нижнего вида с подогревом
Зеркало заднего вида с подогревом
Зеркало заднего вида широкое правое с подогревом
Крепление зеркала заднего вида левое
Крепление зеркала заднего вида правое
Эмблемы марки
Решетка радиаторная и вакуумный индикатор воздушного фильтра
Кожух кабеля
Крышка передней панели
Крыло левое
Крыло правое
Крыло заднее в сборе
Крыло заднее в сборе
Крыло заднее кабины левое
Крыло заднее кабины правое
Крепление левого и правого крыльев
Подножка левой двери
Подножка правой двери
Кронштейн подножки
Подвеска двигателя (Евро 2)
Картер двигателя
Картер механизма газораспределения, маховика и маслоохладителя
Вал коленчатый
Шатуны и поршень
Головка цилиндра
Ролик натяжной
Механизм газораспределительный
Система облегчения пуска двигателя
Блок цилиндров
Головка цилиндров и крышка головки цилиндров
Поршень и шатун
Вал коленчатый и маховик
Вал распределительный
Блок коромысел
Горловина маслозаливная и масломерный щуп
Трубопроводы масляного сепаратора
Насос масляный
Насос масляный и маслозаборник
Насос масляный и масляный фильтр
Поддон масляный
Поддон масляный
Трубка подачи масла
Фильтр масляный тонкой очистки
Маслоохладитель
Коллектор выпускной
Коллектор выпускной
Насос топливный и трубки высокого давления
Привод топливного насоса высокого давления в сборе
Топливопровод возвратный
Коллектор впускной
Коллектор впускной
Система подачи топлива
Фильтр топливный
Насос топливный высокого давления
Форсунка
Турбокомпрессор
Радиатор системы охлаждения воздуха (интеркулер)
Бак топливный и топливопроводы
Бак топливный алюминиевый
Фильтр воздушный в сборе и воздухозаборник
Фильтр воздушный
Система регулирования подачи топлива
Механизм управления акселератором
Механизм управления акселератором
Система выпуска газов
Система выпуска газов
Помпа водяная в сборе
Помпа водяная и гидромуфта вентилятора
Патрубок радиатора
Клапан водяной впускной
Термостат
Насос водяной
Радиатор
Сцепление
Сцепление в сборе
Диафрагма сцепления
Кожух сцепления, муфта сцепления и кожух коробки передач
Клапан управления механизма сцепления
Вал первичный коробки передач и шестерня
Вал вторичный коробки передачи в сборе
Вал промежуточный коробки передачи
Вал передачи заднего хода
Механизм переключения передач
Привод управления механизма переключения передач
Шестерня привода делителя
Вал делителя коробки передач
Валы делителя левый и правый
Крышка задняя в сборе
Сервоусилитель в сборе
Тормоз среднего вала в сборе
Регулятор воздушного фильтра в сборе
Подвеска коробки передач
Механизм переключения передач
Вал карданный
Вал карданный
Вал карданный
Вал карданный
Вал карданный
Опора промежуточная карданного вала
Опора задняя карданного вала
Кожух заднего моста
Дифференциал заднего моста
Редуктор колесный заднего моста
Редуктор заднего моста
Редуктор заднего моста одноосного автомобиля
Балка заднего моста одноосного автомобиля
Мост средний в сборе
Мост средний в сборе
Мост средний
Кожух среднего моста
Рама в сборе (4x2)
Рама в сборе (6x4)
Рама в сборе (8x4)
Бампер и крепление
Бампер дополнительный и крепление
Защита боковая и рабочая площадка
Бампер задний и сцепное устройство
Крепление задних фонарей
Подвеска передняя 4x2, 6x4
Подвеска передняя 8x4
Подвеска передняя 4x2
Подвеска балансирная (6x4, 8x4)
Подвеска балансирная (6x4, 8x4)
Стабилизатор передний в сборе (6x4, 4x2)
Стабилизатор передний в сборе (8x4)
Стабилизатор задний (4x2)
Стабилизатор задний (6x2)
Амортизатор задний
Амортизатор горизонтальный (8x4)
Штанга верхняя
Штанга нижняя
Рессора передняя
Рессора задняя
Рессора
Ось передняя
Ось передняя
Колеса и шины
Крепление запасного колеса
Подъемник запасного колеса ручной гидравлический
Управление двухосное
Тяги рулевые (две передние оси)
Кулак поворотный в сборе
Колонка рулевая
Бачок в сборе
Гидроусилитель рулевого управления
Гидроусилитель рулевого управления двухосевой
Насос гидроусилителя в сборе
Насос гидравлический
Блокировка рулевого колеса
Тормоз заднего колеса в сборе
Механизм тормозной промежуточной оси
Тормоз задний с ABS и полуось одноосного автомобиля
Механизм тормозной
Тормоз стояночный
Тормоз передний в сборе
Тормоз передний для вездеходов в сборе
Тормоз среднего моста
Механизм тормоза среднего моста
Тормоз заднего моста
Тормоз заднего моста
Схема тормозной системы для бортовых автомобилей 4x2 и 6x2
Схема тормозной системы для тягачей 4x2 и 6x2
Схема тормозной системы для бортовых автомобилей 6x4
Схема тормозной системы для тягачей 6x4
Схема тормозной системы для бортовых автомобилей 8x4
ABS для грузовиков 4x2
Компрессор воздушный
Компрессор воздушный
Пневмопроводы воздушного компрессора
Контроль тормозного привода
Контур стояночного тормоза
Линия блокировки дифференциала воздушная
Линия воздушная контрольная блокировки дифференциала двухосного автомобиля
Соединения трубок
Соединения трубок
Клапан защитный четырехходовой
Влагоотделитель
Ресивер
Клапан ускорительный
Камера тормозная передняя
Камера тормозная с пружинным энергоаккумулятором
Клапан управления тормозами прицепа
Клапан тормозной
Датчик давления тормозной системы и включатель стоп сигнала
Включатель вспомогательной тормозной системы
Генератор, стартер
Генератор
Стартер
Ящик аккумуляторных батарей
Фары передние и лампочки поворота в сборе
Фонари противотуманные передние
Лампочки поворота (на бампере)
Фары задние и электрооборудование шасси
Лампочки боковые
Фонарь верхний (на крыше кабины)
Лампочки внутренние кабины (низкая крыша)
Фонари задние
Кронштейн задних фонарей
Блок предохранителей и реле
Блок предохранителей и реле
Элементы контроля термостатического кондиционера
Жгут проводов
Жгут проводов кабины (внутри панели приборов)
Жгут проводов кабины с высокой крышей (внутри панели приборов)
Жгут проводов электроподъемника стекол
Жгут проводов
Проводка одометра
Жгут проводов для диагностики
Жгут проводов центральной части
Жгут проводов для системы кондиционирования
Жгут проводов левой и правой передней части
Переключатель электроподъемника стекол
Переключатель и прикуриватель
Переключатели
Комплект приборов в сборе
Спидометр электрический
Тахометр электрический
Лампочки и индикаторы
Динамики, антенна, трансформатор и жгуты проводов
Устройство седельно-сцепное
Коробка отбора мощности QH50-4211010
Коробка отбора мощности QH50-4211010
Шестерня задняя отбора мощности в сборе
Коробка отбора мощности в сборе QF60-4211010
Коробка отбора мощности QF60-4211010
Коробка отбора мощности в сборе QF60-4211010
Коробка отбора мощности в сборе QH70-4211010
Коробка задняя отбора мощности QH70-4211010
Коробка отбора мощности в сборе QH70-4211010
Ящик инструментов
Место хранения ручного домкрата гидравлического
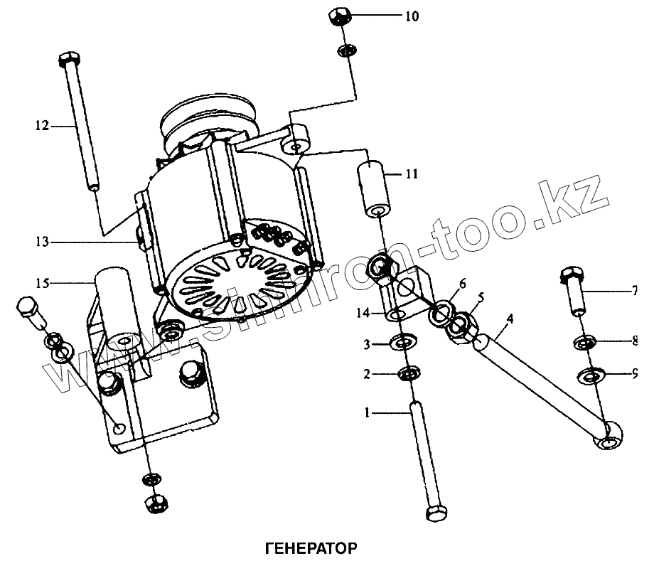
1
2
3
4
5
6
7
8
9
10
11
12
13
14
15
Позиция на иллюстрации
Заводской номер детали
Название детали
1
Q150В10110
Болт с шестигранной головкой М10х110
2
Q40110
Шайба
3
Q40310
Шайба
4
В3010-3701031
Регулировочный винт
5
Q340В16
Гайка
6
Q40316
Шайба пружинная
7
Q150В1235
Болт с шестигранной головкой М12х35
8
Q40110
Шайба
9
Q40310
Шайба
10
Q340В10
Гайка М10
11
М3400-3701051
Блок
12
Q150В10130
Болт с шестигранной головкой М10х130
13
А3008-3701100
Генератор
14
G0206-3701032
Крейцкопф
15
М3400-3701002А
Кронштейн
Содержащиеся в справочниках-каталогах запасные части и детали не предлагаются к продаже, а носят исключительно информационный характер
Дополнительная информация
×
Название:
Номер:
Примечание: