Вернуться на главную
Поиск
Каталоги запчастей к технике
Грузовые автомобили и прицепы
Shaanxi
Shacman SX42584V384TL
SPRING
Каталог запасных частей к технике: Shaanxi Shacman SX42584V384TL. SPRING
zoom-in
zoom-out
enlarge
shrink
circle-right
circle-left
file-text2
info
cart
Тип техники
Не выбрано
Легковые автомобили
Грузовые автомобили и прицепы
Автобусы
Сельхозтехника
Спецтехника
Двигатели
Мототехника
Марка
Не выбрано
BAW
DAF
DongFeng
FAW
Foton
HOWO
Hyundai
IVECO
JAC Motors
LGMG
MAN
Shaanxi
SITRAK
Studebaker
Tata
Volvo
Автокомпонент Плюс
БелАЗ
Брянский Арсенал
ГАЗ
ЗИЛ
КАЗ
Камский автозавод
КрАЗ
Мадара
МАЗ
МЗКТ
МоАЗ
Нефтекамский автозавод
Ставропольский Завод АвтоПрицепов
ТАТРА
Тонар
УралАЗ
ЧМЗАП
Модель
Не выбрано
DeLONG Е-3 (самосвал) (2008)
DeLONG Е-3 (тягач) (2008)
MAN-F2000 (SX3254JS384) (2008)
Shacman F2000 (2013)
Shacman F3000 (2013)
Shacman SX3255DR385 (2011)
Shacman SX3256DR384 (F3000) (2015)
Shacman SX3256DT384 (2011)
Shacman SX3258DR384—F2000
Shacman SX3316DR366 (F2000) (2011)
Shacman SX3316DT366 (2011)
Shacman SX3316DT426C
Shacman SX3316HT406C
Shacman SX4255DV385 (2011)
Shacman SX4256NT324
Shacman SX42584V324
Shacman SX42584V384TL
Shacman SX5256GJBMR364 (2018)
Shacman SX5318GJBDT386TL
SX-3255-DR 3804B 6х4
Схема
>
Не выбрано
X3000 HIGH ROOF CAB ASSY
FRONT COVER
CAR WINDOW
WINDSCREEN RINSE SYSTEM/LEFT
WINDSCREEN RINSE SYSTEM/LEFT
SUN VISOR
DASHBOARD
MUDGUARDS
LEFT DOOR LIMIT
RIGHT DOOR LIMIT
LEFT DOOR WINDOW LIFTER (ELECTROMOTION)
RIGHT DOOR WINDOW LIFTER (ELECTROMOTION)
DOOR COVERING LEFT (ELECTROMOTION)
DOOR COVERING RIGHT (ELECTROMOTION)
LEFT DOOR INNER PANEL ASSENBLY (ELECTROMOTION)
RIGHT DOOR INNER PANEL ASSENBLY (ELECTROMOTION)
LEFT DOOR SEAL AND DOOR CLASS SEAL
RIGHT DOOR SEAL AND DOOR CLASS SEAL
DOOR HINGE LEFT
DOOR HINGE LEFT
DOOR HINGE RIGHT
DOOR HINGE RIGHT
AIL-ROUND CURTAIN
TRANSVERSE CURTAIN
FLOOR MAT WIDE
SOUND INSULATION BOARD DEVICE UNDER THE ENGINE
NOISE INSULATION CAB
DASHBOARD PANELLING
VIEW MIRROR
LEFT VIEW MIRROR
RIGHT VIEW MIRROR
THE INTERIOR TRIM ASSEMBLY
THE INTERIOR TRIM ASSEMBLY
THE INTERIOR TRIM ASSEMBLY
THE INTERIOR TRIM ASSEMBLY
THE INTERIOR TRIM ASSEMBLY
THE INTERIOR TRIM ASSEMBLY
LEFT FOOT PANEL FOR CAB
RIGHT FOOT PANEL FOR CAB
ROOF VENT/MANUAL
LOWER BERTH
UPPER BERTH
LEFT WING DAUGHTER BOARD
RIGHT WING DAUGHTER BOARD
SUNSHADE
DECORATIVE ASSEMBLY
DECORATIVE ASSEMBLY
DECORATIVE ASSEMBLY
DECORATIVE ASSEMBLY
DAMPER
SEAT
CONNECTING PARTS,LINE & NIPPLE JOINT
CONNECTING PARTS,LINE & NIPPLE JOINT
CONNECTING PARTS,LINE & NIPPLE JOINT
MAN 7.5 TON DRUM STEERING SHAFT
MAN TWO-STAGE DECELERATION DRIVE AXLE MIDDLE AXLE AXLE SHELL (STR SUSPENSION)
MAN TWO-STAGE DECELERATION DRIVE AXLE REAR AXLE AXLE SHELL (STR SUSPENSION)
MAN TWO-STAGE DECELERATION DRIVE MIDDLE AXLE MIDDLE SECTION
MAN TWO-STAGE DECELERATION DRIVE IN THE MIDDLE OF THE REAR AXLE
MAN TWO-STAGE DECELERATION DRIVE AXLE WHEEL SIDE
AIR CLEANING DEVICE (X3000/WP12)
COOLER SYSTEM (F3000/WP12)
DUSTPROOF NET
EXHAUST SYSTEM
ENGINE SUSPENSION
SHIFTING DEVECE
GEAR BOX SUPPORT
PULL CLUTCH CONTROL DEVICE
PULL-TYPE DIAPHRAGM SPRING CLUTCH
DRIVE SHAFT PROTECTION FRAME
PROPELLER SHAFT
FRONT SUSPENSION (DC95259690622)
CAB TILTING MECHANISM L.H. DRIVE VEHICLE
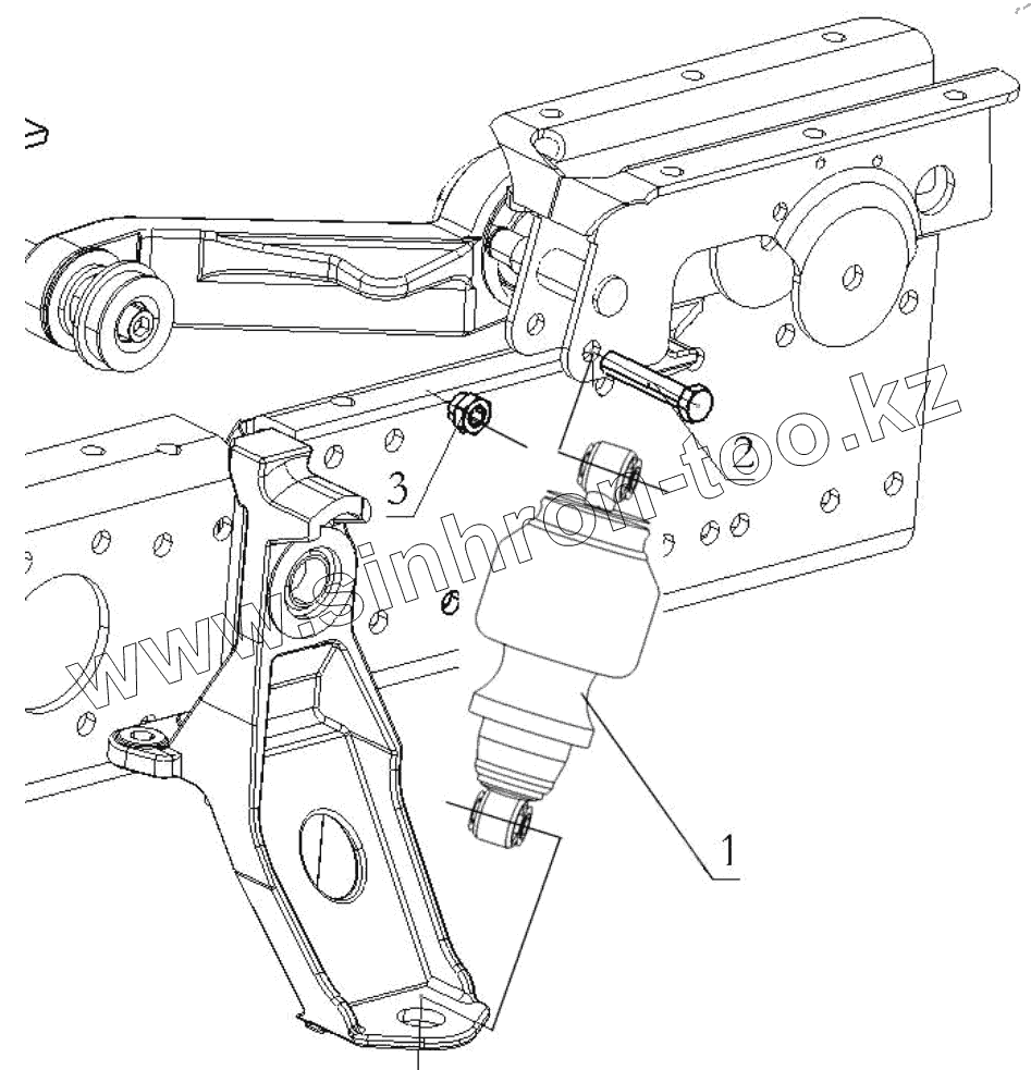
SPRING
FRONT AIR SPRING AIR CONTROL DEVICE
AIR SPRING CONTROL PIPELINE DEVICE
REAR SUSPENSION (DC95259520432)
FRONT SHOCK ABSORBER (DC95259680451)
FRONT STABILIZER ASSY (DC95259680451)
WHEELS
STEERING COLUMN ADJUSTABLE
SINGLE SHAFTS STEERING TRANSMISSION DEVICE
FRAM FOREPART ACCESSORY
FRAM ASSISTANT CROSS MEMBER
FRAM
THROTTLE CONTROL DEVICE
LNG SYSTEM GAS PIPELINE
LNG SYSTEM INSTALLATION (GAS CYLINDER INSTALLATION DIAGRAM)
LNG SYSTEM SHIELD (DOUBLE BOTTLE)
LNG SYSTEM SHIELD (SINGLE BOTTLE)
LNG SYSTEM_2Г—450/500 (STRUCTURE)
LNG SYSTEM_450/500 (STRUCTURE)
DOUBLE BOTTLE LNG SYSTEM_2Г—450/500_DESEN (PIPELINE)
SINGLE BOTTLE LNG SYSTEM_450/500_DESEN (PIPELINE)
DOUBLE BOTTLE LNG SYSTEM_2Г—450/500_DESEN (UPPER BOTTLE)
DOUBLE BOTTLE LNG SYSTEM_2Г—450/500_DESEN (LOWER BOTTLE)
SINGLE BOTTLE LNG SYSTEM 450/500_DESEN
DOUBLE BOTTLE LNG SYSTEM_2Г—450/500_ SINOMA (PIPELINE)
SINGLE BOTTLE LNG SYSTEM_450/500_ SINOMA (PIPELINE)
DOUBLE BOTTLE LNG SYSTEM_2Г—450/500_SENGDAIN (PIPELINE)
SINGLE BOTTLE LNG SYSTEM_450/500_ SAINT DYNE (PIPELINE)
DOUBLE BOTTLE LNG SYSTEM_2Г—450/500_SENGDAIN (UPPER BOTTLE)
DOUBLE-BOTTLE LNG SYSTEM_2Г—450/500_SENGDAINE (LOWER BOTTLE) AND SINGLE-BOTTLE LNG SYSTEM 450/500_SENGDAINE
DOUBLE BOTTLE LNG SYSTEM_2Г—450/500_TIANHAI (PIPELINE)
DOUBLE BOTTLE LNG SYSTEM_2Г—450/500_TIANHAI (UPPER BOTTLE)
DOUBLE BOTTLE LNG SYSTEM_2Г—450/500_TIANHAI (LOWER BOTTLE)
SERVE BRAKE CONTROL DEVICE
PARKING BRAKE CONTROL DEVICE
CONNECTING PARTS, LINE & NIPPLE JOINT
CONNECTING PARTS, LINE & NIPPLE JOINT
SERVE BRAKE CONTROL DEVICE
PARKING BRAKE CONTROL DEVICE
PNEUMATIC HORN
DISTRIBUTION FITTING ASSEMBLE
TRAILER LINE
AIR TANK FIXING (I)
AIR TANK FIXING (II)
RELAY VALVE FIXING
CONNECTING PARTS,LINE & NIPPLE JOINT
CONNECTING PARTS,LINE & NIPPLE JOINT
SINGLE FRONT AXLE BRAKE LINE
SWITCH
LOUDHAILER WINDOW LIFTER
REMOTE CONTROL
FRONT WINDSHIELD GLASS SPRAY PUMP (24V)
FLOODLIGHT (HIGH ROOF)
CAB WIRING HARNESS (INSIDE THE INSTRUMENT PANEL)
DOOR WIRING
ROOF WIRING
LOOMS ON CAB OUTER
CAB ELECTRICAL APPLIANCES/CONTROLLER BRACKET/CBCU/ABS
INSTRUMENT CLUSTER
ELECTRIC PANEL
ELECTRIC PANEL
ELECTRIC PANEL SCUTCHEON
COMBINATION SWITCH
CABIN WIRING ASSEMBLY
BRAKE LIGHT SWITCH
DIAGNOSIS BRACKET
BODY CONTROLLER
ECU BRACKET
ABS CONTROLLER
WIRING HARNESS
SWITCH
ROCKER SWITCH
FUSE
CAB ELECTRICAL APPLIANCES/ACCESSORIES/TIANXINGJIAN/REGULATORY EDITION/BEIDOU/MULTIMEDIA SCREEN
CAB ELECTRICAL APPLIANCES/ACCESSORIES/TIANXINGJIAN/REGULATORY EDITION/BEIDOU/MULTIMEDIA SCREEN
CAB ELECTRICAL APPLIANCES/ACCESSORIES/TIANXINGJIAN/REGULATORY EDITION/BEIDOU/MULTIMEDIA SCREEN
CAB ELECTRICAL APPLIANCES/ACCESSORIES/INVERTER POWER SUPPLY/BCM
LOOMS ON CAB OUTER
FRONT TERMINAL BOX
SWITCH
SWITCH
CIGRATE
COMBINATION SWITCH
BRAKE LIGHT SWITCH
REAR LIGHT
LOUDHAILER
HEADLAMP ASSEMBLY (WITH TURN SIGNAL)
TAILLIGHT
FLASHERS IN FOOTPLANE
SIDE SIGN LIGHT (FENDER)
SUNSHADE LAMPS
ROOF WIRING
LOOMS ON CAB OUTER
WORKING LAMP
CHASSIS ELECTRICAL APPLIANCES/TRACTORS
CHASSIS ELECTRICAL APPLIANCES/ABS SOLENOID VALVES AND WIRING HARNESSES
CHASSIS ELECTRICAL APPLIANCES/ABS TRAILER SOCKETS
CHASSIS ELECTRICAL APPLIANCES/ACCESSORIES/ELECTRIC FLIP
CHASSIS ELECTRICAL APPLIANCES/TRACTORS
CHASSIS ELECTRICAL APPLIANCES/TRACTORS
CHASSIS ELECTRICAL APPLIANCES/TRACTORS
SIDE MARKER LAMP AND CHASSIS ELECTIRC EQUIPMENT S32
BATTERY BOX MOUNTING
BATTERY BOX
POWER MASTER SWITCH (SWITCH CENTER)
HEADLAMPS WITH FLASHER
TAILLIGHT
FLASHERS IN FOOTPLANE
SIDE MARKER LAMP
SUNSHADE LAMPS
ROOF WIRING
LOOMS ON CAB OUTER
AIR CONDITION CONTROLLER
SENSOR
AIR SYSTEM
AIR SYSTEM
AIR SYSTEM
AIR DUCT
AIR CONDITION PIPES
HEATER DIVICE (WITH AIR CONDITION)
AIR SYSTEM
AIR INTAKE BOX ON CAB
AIR SYSTEM
AIR DUCT
AIR CONDITION PIPES
HEATER DEVICE (WITH AIR CONDITION)
CAB LOCKING DEVICE
CAB HYDRAULIC TILTING EQUIPMENT
LEFT WING SUB-BOARD ON THE REAR SIDE OF THE CAB
RIGHT WING SUB-BOARD ON THE REAR SIDE OF THE CAB
LEFT WING DAUGHTER BOARD
RIGHT WING DAUGHTER BOARD
RIGHT FOOT PANEL
LEFT FOOT PANEL
BUMPER
RADIATOR PROTECTOR SYSTEM
OPERATING FLAT ROOF AND LADDER
AIR TANK FIXING (I)
DRAW GEAR
SEMI TRAILING BASE
SPARE WHEEL FRAME
FENDER DC95189951007
PUBLIC PARAMETERS
CAB OSTENTATIOUS SCUTCHEON GLISTEN MARK
1
2
3
Позиция на иллюстрации
Заводской номер детали
Название детали
1
81.41722.6051
Пружина
2
Q151B1475
Hex bolt
3
190003888458
Гайка
Содержащиеся в справочниках-каталогах запасные части и детали не предлагаются к продаже, а носят исключительно информационный характер
Дополнительная информация
×
Название:
Номер:
Примечание: