Вернуться на главную
Поиск
Каталоги запчастей к технике
Грузовые автомобили и прицепы
Shaanxi
Shacman SX3316DR366 (F2000)
REAR STABILIZER BAR (DC93319680109)
Каталог запасных частей к технике: Shaanxi Shacman SX3316DR366 (F2000). REAR STABILIZER BAR (DC93319680109)
zoom-in
zoom-out
enlarge
shrink
circle-right
circle-left
file-text2
info
cart
Тип техники
Не выбрано
Легковые автомобили
Грузовые автомобили и прицепы
Автобусы
Сельхозтехника
Спецтехника
Двигатели
Мототехника
Марка
Не выбрано
BAW
DAF
DongFeng
FAW
Foton
HOWO
Hyundai
IVECO
JAC Motors
LGMG
MAN
Shaanxi
SITRAK
Studebaker
Tata
Volvo
Автокомпонент Плюс
БелАЗ
Брянский Арсенал
ГАЗ
ЗИЛ
КАЗ
Камский автозавод
КрАЗ
Мадара
МАЗ
МЗКТ
МоАЗ
Нефтекамский автозавод
Ставропольский Завод АвтоПрицепов
ТАТРА
Тонар
УралАЗ
ЧМЗАП
Модель
Не выбрано
DeLONG Е-3 (самосвал) (2008)
DeLONG Е-3 (тягач) (2008)
MAN-F2000 (SX3254JS384) (2008)
Shacman F2000 (2013)
Shacman F3000 (2013)
Shacman SX3255DR385 (2011)
Shacman SX3256DR384 (F3000) (2015)
Shacman SX3256DT384 (2011)
Shacman SX3258DR384—F2000
Shacman SX3316DR366 (F2000) (2011)
Shacman SX3316DT366 (2011)
Shacman SX3316DT426C
Shacman SX3316HT406C
Shacman SX4255DV385 (2011)
Shacman SX4256NT324
Shacman SX42584V324
Shacman SX42584V384TL
Shacman SX5256GJBMR364 (2018)
Shacman SX5318GJBDT386TL
SX-3255-DR 3804B 6х4
Схема
>
Не выбрано
HIGH ROOF CAB WELDING ASSY
LEFT FENDER
RIGHT FENDER
FRONT COVER
DASHBOARD
TOOL BOX
DOOR WINDOW LIFTER LEFT OPERATED
DOOR WINDOW LIFTER RIGHT OPERATED
DOOR AND DOOR GLASS
DOOR AND DOOR GLASS
DOOR COVERING LEFT
DOOR COVERING RIGHT
DOOR ARRESTOR AND DOOR ACUATING SYSTEM RIGHT
DOOR HINGE LEFT AND RIGHT
SEAT
SAFETY BELT
LOWER BERTH
UPPER BERTH
AIL-ROUND CURTAIN
TRANSVERSE CURTAIN
HEADLINING WITH MOUNTING AND GRAB HANDLE
SIDE-WALL PANELING CLOSED WITH NOUNTING
LUGGAGE RACK
FLOOR MATS FRONT AND ANTI-SKID STRIP
SUN VISOR ROLLER
DASHBOARD PANELLING
ENGINE COWLING INSULATION
FRONT WINDSHIELD ASSEMBLY
FRONT WINDSHIELD ASSEMBLY
WIPER SYSTEM
WINDSCREEN WASHER PUMP AND ACCESSORIES
REARVIEW MIRROR
REAR VIEW MIRROR LEFT BRACKET
REAR VIEW MIRROR RIGHT BRACKET
DOOR MIRROR
SUN VISOR
MELT-ON FOIL
SOUND PROOFING
DECORATIVE ASSEMBLY
DECORATIVE ASSEMBLY
DECORATIVE ASSEMBLY
DECORATIVE ASSEMBLY
DECORATIVE ASSEMBLY
DECORATIVE ASSEMBLY
STEYR 6.5 TONS STEERING SHAFT
STEYR 6.5 TON STEERING SHAFT BRAKE
STR TWO-STAGE BRIDGE HOUSING
STR REAR AXLE DRIVE
STR DRIVE AXLE WHEEL PLANETARY REDUCER I
STR DRIVE BRIDGE WHEEL PLANETARY REDUCER II
STR DRIVE AXLE BRAKE I
STR DRIVE BRIDGE BRAKE II
AIR CLEANING DEVICE
EXPANSION BOX SYSTEM
COOLER SYSTEM (F3000/WP10)
DUSTPROOF NET
PREVENTING CIRCUMFLUENCE SYSTEM
WP10 EXHAUSTING AND MUFFLER
UREA SUPPLY TANK
ENGINE SUSPENSION
GEAR BOX SUPPORT
SHIFTING DEVECE
PULL DIAPHRAGM CLUTCH
PULL CLUTCH CONTROL DEVICE
PROPELLER SHAFT SYSTEM
FRONT SUSPENSION (DC93319690507)
REAR SUSPENSION 1
REAR SUSPENSION 2
FRONT SHOCK ABSORBER (DC93319680109)
FRONT STABILIZER BAR (DC93319680109)
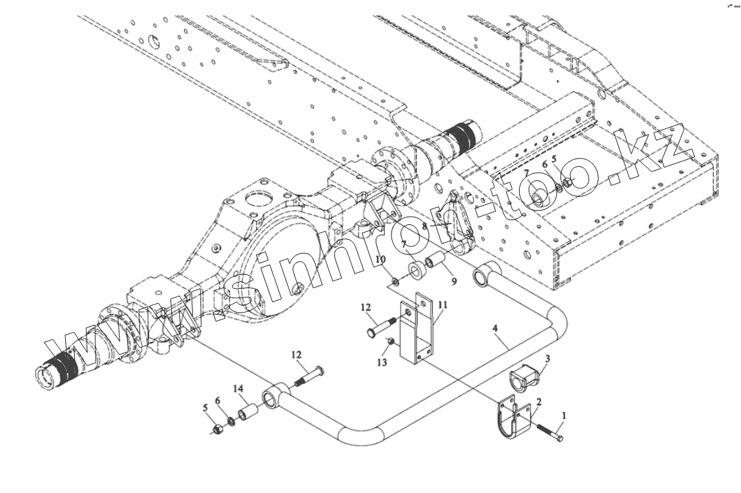
REAR STABILIZER BAR (DC93319680109)
WHEELING SYSTEM
STEERING TRANSMISSION DEVICE
STEERING COLUMN ADJUSTABLE
STEERING HYDRAULIC DEVICE
FRAM ASSY
CROSS MEMBER
FUEL TANK ASSEMBLY
ACCELEROGRAPH CONTROL DEVICE
EXHAUST BRAKE CONTROL
AIR COMPESSOR OUTER LINE
AIR TANK FIXING
AIR TANK FIXING
AIR COMPESSOR OUTER LINE
AIR DRYER, FOUR-LOOP GUARD VALVE, AIR TANK FIXING
CONNECTING PARTS, LINE AND NIPPLE JOINT
CONNECTING PARTS, LINE AND NIPPLE JOINT
CONNECTING PARTS, LINE AND NIPPLE JOINT
SERVE BRAKE CONTROL DEVICE
PARKING BRAKE CONTROL DEVICE
SWITCH AND CIGARETTE LIGHTER
SWITCH
COMMBINATION SWITCH
BRAKE LIGHT SWITCH
DIAGNOSIS PANEL
LOUDHAILER WIRE
LEFTN RIGHT FRONT WIRING
ELECTRONICAL HORN
AIR PRESSURE SENSOR
COMBINATION GAUGE ASSY WITH FRAME
SWITCH RADIO AND CIGARETTE LIGHTER
EXHAUST BRAKE SWITCH
NEAR SWITCH
ELECTRIC PANEL 1
CENTER ELECTRIC PANEL 2
ELECTRIC PANEL SCUTCHEON
PLUG
CENTRAL ELECTRICAL SYSTEM
SWITCH
WIRING
OTHER CABIN WIRING
RELAY FUSE
ABS CONTROLLER
OTHER CABIN WIRING
RELAY FUSE
SWITCH
OTHER CABIN WIRING
RELAY FUSE
OTHER CABIN WIRING
RELAY FUSE
CAB INNER ELECTRONICAL DEVICE
PUMP
PLUG KEY FOR ELECTRIC WINDOW LIFTER SWITCH
FLOODLIGHT
FLOODLIGHT ON REAR PANNEL
WIRING HARNESS
GEARBOX WIRING HARNESS
GEARBOX WIRING HARNESS
GEARBOX WIRING HARNESS
GEARBOX WIRING HARNESS
GEARBOX WIRING HARNESS
FRAME WIRING HARNESS
FRAME WIRING HARNESS
FRAME WIRING HARNESS
FRAME WIRING HARNESS
CHASSIS APPLIANCE/WP10/COLD ZONE
VALVE
CHASSIS APPLIANCE/COLD ZONE
CHASSIS APPLIANCE/ADDITIONAL/K36/8x4/WABCO 6ABS/NEW
CHASSIS APPLIANCE/COLD ZONE
CHASSIS APPLIANCE/COLD ZONE
BATTERY BOX MOUNTING
BATTERY BOX
MAIN BATTERY SWITCH
HEADLAMPS
FOGLIGHTS
FLASHERS IN BUMPER
HIGH POSITION LIGHTS
SIDE-MARKER LIGHTS
TAILLIGHT BRACKET/UNIVERSAL/F3000
AIR SYSTEM
AIR SYSTEM
AIR INTAKE BOX ON CAB
AIR DUCT
AIR CONDITION PIPES
HEATER DEVICE (WITH AIR CONDITION)
HEATER DEVICE (WITH AIR CONDITION) (WP104, WP124, WD12)
TEMPERATURE SENSOR
AIR CONDITION CONTROLLER
ELECTRONIC CONTROL UNITS FOR AIR CONDITIONING
CAB TILTING MECHANISM L.H. DRIVE VEHICLE
FRONT BEARING SPRING
CAB LOCKING DEVICE
CAB HYDRAULIC TILTING EQUIPMENT
LEFT/RIGHT FENDER BRACKET
FENDER LEFT BEHIND CAB
FENDER RIGHT BEHIND CAB
FOOT PANEL BRACKET
LEFT DOOR STEP
RIGHT DOOR STEP
BUMPER AND FRONT BRACKET
ПРОТИВОПОДКАТНОЕ УСТРОЙСТВО
FRAM FOREPART ACCESSORY
DRAW GEAR
CAB VEHICLE TYPE LETTERS
CAB DECORATIVE SIGNAGE AND REFLECTIVE LOGO
PARKING WEDGE
1
2
3
4
5
5
6
6
7
7
8
9
10
11
12
12
13
14
Позиция на иллюстрации
Заводской номер детали
Название детали
1
Q151C12100
Hexagon head bolts - fine teeth
2
178000680032
Хомут
3
199100680067
Подушка
4
DZ9100681016
Stabilizer
5
190003888459
Гайка VМ16х1,5DIN980
6
178000680030
Шайба
7
199100680066
Проставка
8
DZ95319680800
Rear stabilizer bar bracket
9
199100680037
Втулка
10
199100680071
Шайба
11
199100680015
Balance clamp assembly
12
178000680029
Болт
13
190003888457
Гайка самоблокировочная
14
178000680035
Втулка
Содержащиеся в справочниках-каталогах запасные части и детали не предлагаются к продаже, а носят исключительно информационный характер
Дополнительная информация
×
Название:
Номер:
Примечание: