Каталог запасных частей к технике: Shaanxi Shacman SX3316DR366 (F2000). COOLER SYSTEM (F3000/WP10)
1
2
3
4
5
6
7
8
8
8
8
8
8
8
8
8
8
8
8
8
8
8
8
8
8
8
8
8
8
8
8
8
9
10
11
11
11
11
11
11
11
11
11
12
12
12
12
13
14
15
16
16
16
16
18
19
20
21
22
23
24
25
26
27
28
28
28
28
29
30
30
30
30
31
32
33
34
35
36
37
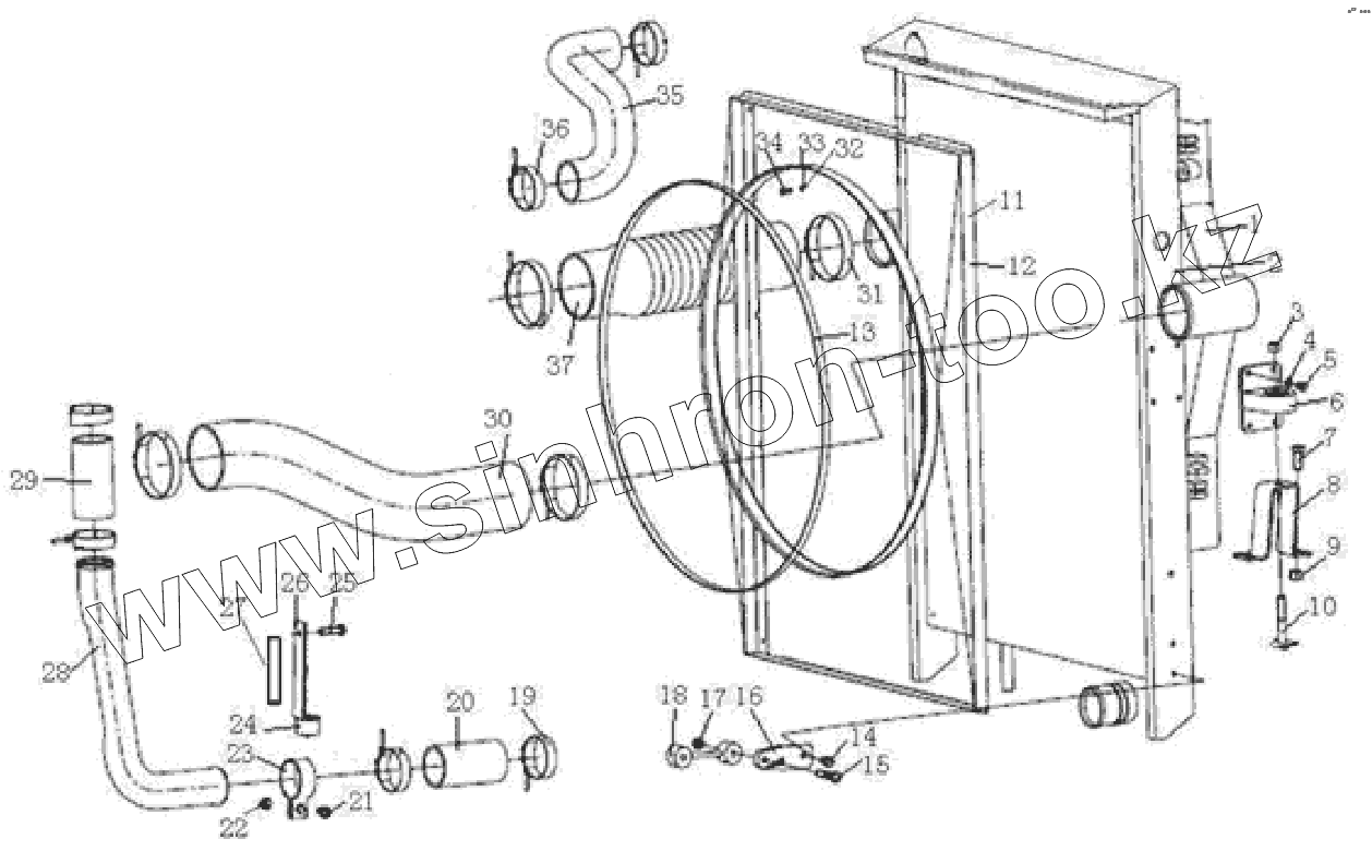
| Позиция на иллюстрации | Заводской номер детали | Название детали | |
|---|---|---|---|
| 1 | DZ95259532213 | Radiator | |
| 2 | DZ95259531501 | Промежуточный радиатор | |
| 3 | 06.11240.0411 | Гайка | |
| 4 | Q40308 | Шайба пружинная | |
| 5 | Q150B0816 | Болт | |
| 6 | 81.06225.6008 | Держатель радиатора в сборе | |
| 7 | Q150B1445 | Болт | |
| 8 | DZ95259538860 | Левый держатель радиатора | |
| 8 | DZ95259538870 | Правый держатель радиатора | |
| 8 | DZ95259538999 | Right support | |
| 8 | DZ95259538896 | Right support | |
| 8 | DZ95259538895 | Left support | |
| 9 | Q33214 | Гайка | |
| 10 | DZ9112538040 | Опора в сборе | |
| 11 | DZ91259537012 | Hermetical pastern | |
| 11 | DZ91259537015 | Hermetical pastern | |
| 11 | DZ95259536056 | Air duct assembly | |
| 12 | DZ95259536064 | Air duct assembly | |
| 12 | DZ91259538601 | Worm drive hose clamp | |
| 13 | Q150B0816 | Болт | |
| 14 | Q150B1050 | Hex.screw | |
| 15 | DZ95259538816 | Right connect bracket | |
| 16 | Q33210 | Гайка | |
| 16 | DZ95259538817 | Left connect bracket | |
| 18 | 81.06245.0043 | Опора в сборе | |
| 19 | Q67683 | Хомут | |
| 20 | DZ95259535508 | Outlet pipe | |
| 21 | Q150B1085 | Hex screw | |
| 22 | Q33210 | Гайка | |
| 23 | DZ93259538605 | Water pipe clip | |
| 24 | DZ93259537002 | Buffer | |
| 25 | Q150B1025 | Болт | |
| 26 | DZ93259538076 | Bracket | |
| 27 | DZ93259538077 | Bracket buffer | |
| 28 | DZ95259534407 | Drain pipe | |
| 28 | DZ95259535508 | Outlet pipe | |
| 29 | DZ93259535804 | Rubber hose | |
| 30 | DZ93259535315 | Rubber hose | |
| 30 | DZ93259535306 | Internal fluorine silicone tube | |
| 31 | DZ9003532115 | Хомут | |
| 32 | Q40308 | Шайба пружинная | |
| 33 | Q40208 | Шайба | |
| 34 | Q150B0816TF2 | Болт | |
| 35 | DZ95259535407 | Inlet pipe | |
| 36 | Q67664 | Clip | |
| 37 | DZ93259535308 | Rubber hose |
Содержащиеся в справочниках-каталогах запасные части и детали не предлагаются к продаже, а носят исключительно информационный характер