Каталог запасных частей к технике: Shaanxi Shacman SX3256DR384 (F3000). SUN VISOR
1
2
2
2
2
2
2
2
2
2
3
3
3
3
4
4
4
6
6
6
6
7
7
8
10
11
11
11
11
12
13
13
13
13
13
13
14
14
15
15
15
15
15
15
15
15
15
16
16
16
16
17
17
18
18
20
20
21
22
23
23
23
23
24
24
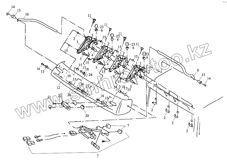
| Позиция на иллюстрации | Заводской номер детали | Название детали | |
|---|---|---|---|
| 1 | 81.63735.0025 | Кронштейн | |
| 2 | 81.63735.5005 | Хомут | |
| 3 | 06.01470.0516 | Болт М8х35Z1-8,8-МАN183-А2С | |
| 4 | 06.13169.0007 | Болт АМ5х15,2-СR60/СUZN | |
| 5 | 81.63735.0018 | Шайба уплотнительная | |
| 6 | 06.11229.0003 | Гайка М8SС-8-А3С | |
| 7 | 81.63701.6023 | Пластиковое крепление | |
| 8 | 06.13189.0012 | Гайка SТ4,2-2-А3С | |
| 9 | 81.63701.0023 | Кронштейн левый | |
| 10 | 81.63701.0022 | Кронштейн правый | |
| 11 | 81.90470.0607 | Болт РТ-КА6х50-WN1442-SТ-А3В | |
| 12 | 81.63701.0021 | Солнцезащитный козырек | |
| 13 | 81.96210.0509 | Втулка | |
| 14 | 06.04201.8611 | Винт | |
| 15 | 81.96601.0456 | Уплотнитель асбестовый | |
| 16 | 81.90470.0626 | Болт РТ-К6х30-WN1451-SТ-Т25-А3L | |
| 17 | 06.15191.0207 | Шайба 6,4х18х1,6-140НV-МАN183-В1 | |
| 18 | 06.11184.0112 | Гайка АМ6-8-МАN183-В1 | |
| 19 | 81.63701.0013 | Кронштейн лампочек | |
| 20 | 06.13189.0071 | Пластина-фиксатор SТ4,2-7-А3С | |
| 21 | 06.13189.0012 | Гайка SТ4,2-2-А3С | |
| 22 | 06.07175.1506 | Винт SТ4,2х22С-Н-А3R | |
| 23 | 81.96410.0503 | Крышка | |
| 24 | 82.96002.0017 | Пробка |
Содержащиеся в справочниках-каталогах запасные части и детали не предлагаются к продаже, а носят исключительно информационный характер