Каталог запасных частей к технике: Shaanxi Shacman SX3256DR384 (F3000). FRONT SUSPENSION (DC95259690902)
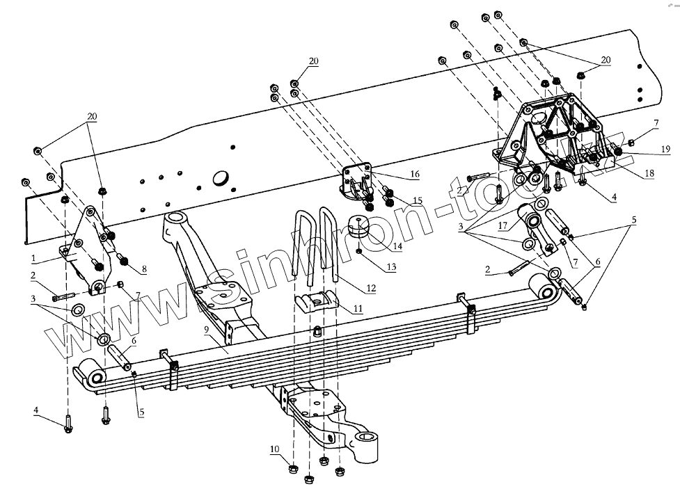
1
2
2
2
2
3
3
4
4
5
5
5
6
6
6
7
7
7
8
9
9
10
11
12
12
13
14
15
16
17
18
18
19
20
20
20
| Позиция на иллюстрации | Заводской номер детали | Название детали | |
|---|---|---|---|
| 1 | SZ970000736 | Front spring front bracket | |
| 2 | Q151C1275 | Hexagon head bolts - fine teeth | |
| 2 | Q151C1270 | Болт | |
| 3 | 168000520050 | Шайба | |
| 4 | Q1811455TF3 | Hexagon flange face bearing toothed bolt - fine teeth | |
| 5 | 190003963127 | Масленка | |
| 5 | 190003963124 | Масленка | |
| 6 | DZ9100520065 | Spring pin | |
| 6 | DZ9100520007 | Стремянка рессоры | |
| 7 | 190003888457 | Гайка самоблокировочная | |
| 8 | Q1811450TF2 | Hexagon flange face bearing toothed bolt - fine teeth | |
| 9 | SZ970000795 | Front left leaf spring assembly | |
| 9 | SZ970000796 | Front right leaf spring assembly | |
| 10 | 06.11289.0003 | Shoulder nut | |
| 11 | 81.41335.0084 | Spring clamping plate | |
| 12 | DZ9118526031 | U-bolt | |
| 12 | DZ9118526032 | U-bolt | |
| 13 | 190003888457 | Гайка самоблокировочная | |
| 14 | 81.96020.6013 | Hollow rubber bumper | |
| 15 | Q1811435TF2 | Hexagon flange face bearing toothed bolt - fine teeth | |
| 16 | SZ970000790 | Front spring limit bracket assembly | |
| 17 | 199100520034 | Ушко рессоры | |
| 18 | SZ970000737 | Front spring left rear bracket | |
| 18 | SZ970000782 | Front spring right rear bracket | |
| 19 | Q1811460TF3 | Angle flange face bearing toothed bolt - fine teeth | |
| 20 | 06.11251.2005 | Гайка М14х1,5-10-МАN183-В1 |
Содержащиеся в справочниках-каталогах запасные части и детали не предлагаются к продаже, а носят исключительно информационный характер