Вернуться на главную
Поиск
Каталоги запчастей к технике
Грузовые автомобили и прицепы
Shaanxi
Shacman F3000
A COMBINED FLYWHEEL HOUSING GRP100010665
Каталог запасных частей к технике: Shaanxi Shacman F3000. A COMBINED FLYWHEEL HOUSING GRP100010665
zoom-in
zoom-out
enlarge
shrink
circle-right
circle-left
file-text2
info
cart
Тип техники
Не выбрано
Легковые автомобили
Грузовые автомобили и прицепы
Автобусы
Сельхозтехника
Спецтехника
Двигатели
Мототехника
Марка
Не выбрано
BAW
DAF
DongFeng
FAW
Foton
HOWO
Hyundai
IVECO
JAC Motors
LGMG
MAN
Shaanxi
SITRAK
Studebaker
Tata
Volvo
Автокомпонент Плюс
БелАЗ
Брянский Арсенал
ГАЗ
ЗИЛ
КАЗ
Камский автозавод
КрАЗ
Мадара
МАЗ
МЗКТ
МоАЗ
Нефтекамский автозавод
Ставропольский Завод АвтоПрицепов
ТАТРА
Тонар
УралАЗ
ЧМЗАП
Модель
Не выбрано
DeLONG Е-3 (самосвал) (2008)
DeLONG Е-3 (тягач) (2008)
MAN-F2000 (SX3254JS384) (2008)
Shacman F2000 (2013)
Shacman F3000 (2013)
Shacman SX3255DR385 (2011)
Shacman SX3256DR384 (F3000) (2015)
Shacman SX3256DT384 (2011)
Shacman SX3258DR384—F2000
Shacman SX3316DR366 (F2000) (2011)
Shacman SX3316DT366 (2011)
Shacman SX3316DT426C
Shacman SX3316HT406C
Shacman SX4255DV385 (2011)
Shacman SX4256NT324
Shacman SX42584V324
Shacman SX42584V384TL
Shacman SX5256GJBMR364 (2018)
Shacman SX5318GJBDT386TL
SX-3255-DR 3804B 6х4
Схема
>
Не выбрано
DIESEL WP10E32 SERIES EURO
A COMBINED ENGINE BODY GRP100010599
A COMBINED ENGINE BODY GRP100010599
CAMSHAFT BUSHING
NOZZLE GRP100010202
A COMBINED MARK GRP100010661
GEAR ROOM FOR TIME SETTING GRP100010632
A COMBINED END COVER GRP100010507
A COMBINED OIL-GAS SEPARATOR GRP100010634
A COMBINED OIL GAUGE STICK GRP100010664
A COMBINED FILLER PIPE GRP100010249
A COMBINED FLYWHEEL HOUSING GRP100010665
A COMBINED CRANKSHAFT GRP100020314
A COMBINED FLYWHEEL GRP100020357
A COMBINED PULLEY CRANKSHAFT GRP100020180
CONNECTOR AND PISTON GRP100030003
СYLINDER HEAD ASSEMBLY GRP100040163
CYLINDER HEAD COVER GRP100040074
A COMBINED VALVE TRAIN GRP100050029
A COMBINED OUTLET PIPE GRP100040211
A COMBINED THERMOSTAT GRP100040212
A COMBINED PUMP GRP100060571
A COMBINED WATER PIPE JOINT GRP100060211
A COMBINED FAN ANDWHEEL HUB GRP100060429 300PS
A COMBINED FAN ANDWHEEL HUB GRP100060581 300PS
A COMBINED TENSIONER AND BELT GRP100060577
A COMBINED OIL PUMP GRP100070096
A COMBINED OIL FILTER GRP100070036
A COMBINED SUMP STRAINER GRP100070035
OIL COOLER COVER GRP100070120 300PS
OIL COOLER COVER GRP100070123 300PS
A COMBINED INJECTOR
FUEL INJECTION PIPE GR615081429
A COMBINED HIGH-PRESSURE FUEL PUMP
A COMBINED FUEL FILTER GR615081485
A COMBINED LOW-PRESSURE-PIPE GRP100080461
SHUT-DOWN DEVICE GROUP GRP100080549
A COMBINED ALTERNATER GRP100090180
A COMBINED ALTERNATER PLANK GRP100090335
A COMBINED STARTER GRP100090200
FLAME PREHEATER GROUP GRP100090175
A COMBINED AIR INLET PIPE GRP100110723
A COMBINED EXHAUST PIPE GRP100110727 300PS
A COMBINED EXHAUST PIPE GRP100110749 300PS
A COMBINED TURBOCHARGER
A COMBINED SHIM OIL PIPE GRP100110279 300PS
A COMBINED SHIM OIL PIPE GRP100110751 300PS
A COMBINED COMPRESSOR PIPELINE
REAR EXHAUST GROUP
INTER-COOLER GROUP
AIR COMPRESSOR ASSEMBLY GRP100130262
A COMBINED HYDRAULIC PUMP GRP100130230
OIL PAN GR615150127
A COMBINED ENGINE SUPPORT GRP100540008
ENGINE BLOCK GROUP
PRE-ASSEMBLED CYLINDER BLOCK
TIMING GEAR HOUSING GROUP
COVER GROUP
OIL-GAS SEPARATOR GROUP
DIPSTICK GROUP
OIL DIPSTICK ASSEMBLY
OIL TILLING TUBE GROUP
FLYWHEEL HOUSING GROUP
CRANKSHAFT GROUP
CRANKSHAFT ASSEMBLY
FLYWHEEL GROUP
CRANKSHAFT PULLEY GROUP
PISTON AND CONNECTING ROD GROUP
CONNECTING ROD ASSEMBLY
PISTON RING ASSEMBLY
CYLINDER HEAD ASSEMBLY
CYLINDER HEAD SUB ASSEMBLY
CYLINDER COVER ASSEMBLY (01)
CYLINDER COVER ASSEMBLY (02)
VALVE TRAIN GROUP
CAMSHAFT ASSEMBLY
INTERMEDIATE GEAR ASSEMBLY
EVB EXHAUST ROCKER ARM SET
INTAKE VALVE ROCKER ARM ASSEMBLY
WATER OUTLET PIPE GROUP (01)
WATER OUTLET PIPE GROUP (02)
WATER PUMP ASSEMBLY (01)
WATER PUMP ASSEMBLY (02)
TIGHTEN WHEEL AND BELT GROUP
FAN AND HUB GROUP (01)
FAN AND HUB GROUP (02)
OIL PUMP ASSEMBLY
OIL PUMP IDLE GEAR ASSEMBLY
OIL FILTER GROUP
OIL FILTER ASSEMBLY
OIL SUCTION STRAINER GROUP
OIL COOLER ASSEMBLY
INJECTOR ASSEMBLY
HIGH PRESSURE FUEL INJECTION PIPE GROUP
HIGH PRESSURE PUMP ASSEMBLY
HIGH PRESSURE PUMP ASSEMBLY
FUEL FILTER GROUP
FUEL FILTER
LOW PRESSURE OIL PIPE GROUP
GENERATOR GROUP
GENERATOR BRACKET GROUP
STARTER MOTOR GROUP
FLAME PREHEATED GROUP
FLAME PREHEATED EQUIPMENT
GENERAL-USE WIRE AND SENSOR GROUP
GENERAL-USE WIRE AND SENSOR GROUP
INTAKE MANIFOLD GROUP
AIR INLET PIPE ASSEMBLY
EXHAUST MANIFOLD GROUP
TURBOCHARGER ASSEMBLY
TURBOCHARGER OIL PIPE GROUP
PIPELINE GROUP
AIR COMPRESSOR COMPRESSOR
AIR COMPRESSOR ASSEMBLY
HYDRAULIC PUMP GROUP
OIL PAN
OIL PAN ASSEMBLY
ENGINE BRACKET GROUP
PARTS KIT ASSEMBLY
FUEL SYSTEM PROTECTOR
PARTS KIT ASSEMBLY
FUEL FILTER-WATER SEPARATOR
WP10E32 ENGINE SUSPENSION
ISM ENGINE SUSPENSION
WD12 (8X4) ENGINE SUSPENSION
AIR CLEANING DEVICE (F2000/UNIVERSAL)
AIR CLEANING DEVICE
AIR CLEANING DEVICE
COOLER SYSTEM (F2000/WP10E32)
RADIATO (F2000/WP10E32)
PREVENTING CIRCUMFLUENCE SYSTEM
RADIATOR PROTECTOR SYSTEM
COOLER SYSTEM (F2000/WD12)
EXPANSION BOX SYSTEM
F2000 UNDER POLE
COOLER SYSTEM (F2000)
WIND RETAINING RING SYSTEM
DUSTPR00F NET
EXHAUSTING AND MUFFLER DC93259540210 (WP10)
EXHAUSTING AND MUFFLER F2000 (WD12)
EXHAUSTING AND MUFFLER F2000 (ISM 6X4)
EXHAUSTING AND MUFFLER (WP10 6X2)
ALUMINUM ALLOY FUEL TANK ASSEMBLY 400L
FUEL TANK AND OIL LINE 380L
FUEL TANK ASSEMBLY 380L
FUEL RADIATOR SYSTEM
FUEL TANK ASSEMBLY (EGR)
ACCELEROGRAPH CONTROL DEVICE
ACCELEROGRAPH CONTROL DEVICE (ISM)
Ф430 PUSH DIAPHRAGM CLUTCH
Ф430 PULL DIAPHRAGM CLUTCH
PUSH CLUTCH CONTROL DEVICE
PULL CLUTCH CONTROL DEVICE
9JS135T-B CLUTCH AND GEARBOX HOUSING ASSEMBLY
9JS135T-B SECOND SHAFT ASSEMBLY
9JS135T-B COUNTERSHAFT ASSEMBLY
9JS135T-THE FIRST SHAFT ASSEMBLY
9JS135T-B THE REVERSE GEAR SHAFT ASSEMBLY
9JS135T-B THE TRANSMISSION COVER ASSEMBLY
9JS135T-B THE SHIFT CONTROL DEVICE ASSEMBLY
9JS135T-B AIR FILTER REGULATOR ASSEMBLY
9JS135T-B AUXILIARY BOX DRIVE GEAR ASSEMBLY
9JS135T-B AUXILIARY BOX MAIN SHAFT ASSEMBLY
9JS135T-B AUXILIARY BOX MIDDLE SHAFT ASSEMBLY
9JS135T-B REAR COVER ASSEMBLY
9JS135T-B AUXILIARY BOX CYLINDER ASSEMBLY
9JS135T-B COUNTERSHAFT BRAKE ASSEMBLY
CLUTCH HOUSING AND TRANSMISSION HOUSING ASSEMBLY (FAST 12JS180TA)
THE TWO-AXIS ASSEMBLY (FAST 12JS180TA)
ONE-AXIS ASSEMBLY (FAST 12JS180TA)
THE MIDDLE SHAFT OF THE MAIN BOX (FAST 12JS180TA)
REVERSE GEAR SHAFT ASSEMBLY (FAST 12JS180TA)
AUXILIARY BOX DRIVE GEAR (FAST 12JS180TA)
AUXILIARY BOX INTERMEDIATE SHAFT (FAST 12JS180TA)
OUTPUT SHAFT ASSEMBLY (FAST 12JS180TA)
BACK COVER HOUSING ASSEMBLY (FAST 12JS180TA)
RANGE GEAR CYLINDER (FAST 12JS180TA)
UPPER COVER ASSEMBLY (FAST 12JS180TA)
H VALVE HOUSING ASSEMBLY (FAST 12JS180TA)
RANGE GEAR AIR VALVE, AIR FILTER PRESSURE REGULATOR, ODOMETER BUSHING (FAST 12JS180TA)
POWER TAKE-OFF DEVICE QH50 (G16796)
POWER TAKE-OFF DEVICE QH70 (G16796)
SHIFTING DEVECE
SHIFTING DEVECE
SHIFTING DEVECE417036
GEAR BOX SUPPORT
GEAR BOX SUPPORT
GEAR BOX SUPPORT (F2000/940-762 FRAME)
200T GEAR BOX SUPPORT
F2000 TRANSMISSION SHAFT
PROPELLER SHAFT SYSTEM
F2000 STEERING SHAFT
STEYR 6.5 TON STEERING SHAFT BRAKE
MAN 7.5 TON DRUM STEERING SHAFT
MAN 9.5 TON STEERING SHAFT
MAN 9.5 TON STEERING SHAFT
MAN 9.5 TON STEERING SHAFT
STR TWO-STAGE BRIDGE SHELL
STR MIDDLE BRIDGE DRIVE DEVICE I
STR MIDDLE AXLE DRIVE DEVICE II
STR MIDDLE AXLE DRIVE DEVICE III
STR REAR AXLE DRIVE DEVICE
STR DRIVE AXLE WHEEL SIDE PLANETARY REDUCER I
STR DRIVE AXLE WHEEL SIDE PLANETARY REDUCER II
STR DRIVE AXLE BRAKE I
STR DRIVE AXLE BRAKE II
HD469 SINGLE-STAGE BRIDGE MIDDLE BRIDGE BRIDGE SHELL
HD469 SINGLE-STAGE BRIDGE REAR AXLE BRIDGE SHELL
HD469 SINGLE-STAGE BRIDGE MIDDLE BRIDGE MIDDLE SECTION
HD469 SINGLE-STAGE DECELERATION DRIVE AXLE, MIDDLE SECTION OF REAR AXLE
HD469 SINGLE-STAGE BRIDGE WHEEL EDGE
MAN (1860) HOUSING MIDDLE AXLE
MAN TWO-STAGE DECELERATION DRIVE AXLE REAR AXLE SHELL (1860)
MAN TWO-STAGE DECELERATION DRIVE MIDDLE AXLE MIDDLE SECTION
MAN TWO-STAGE DECELERATION DRIVE MIDDLE AXLE MIDDLE SECTION
MAN TWO-STAGE DECELERATION DRIVE IN THE MIDDLE OF THE REAR AXLE
MAN TWO-STAGE DECELERATION DRIVE AXLE WHEEL SIDE
DUAL-CIRCUIT BRAKE SYSTEM (84) TRUCK
DUAL-CIRCUIT BRAKE SYSTEM II FOR TRACTOR 6X4
SERVE BRAKE CONTROL DEVICE
PARKING BRAKE CONTROL DEVICE
PARKING BRAKE CONTROL DEVICE
EXHAUST BRAKE CONTROL
PNEUMATIC HORN
CONNECTING PARTS,LINE & NIPPLE JOINT
CONNECTING PARTS,LINE & NIPPLE JOINT
LINE AND NIPPLE JOINT
CONNECTING PARTS, LINE & NIPPLE JOINT
CONNECTING PARTS, LINE & NIPPLE JOINT
CONNECTING PARTS, LINE & NIPPLE JOINT
CONNECTING PARTS, LINE & NIPPLE JOINT
CONNECTING PARTS, LINE & NIPPLE JOINT
RELAY VALVE
DIAPHRAGM BRAKE CHAMBER
AUX.BRAKE CHAMBER
CONTROL VALVE, TRAILER BRAKE
GENERAL BRAKE VALVE
SUPPORT FOR BRAKE
AIR DRYER LINE
AIR TANK FIXING
RELAY VALVE FIXING (I)
SCHEMATIC DIAGRAM OF AIR PIPELINE
AIR DRYER LINE
AIR TANK FIXING
AIR TANK FIXING (I)
AIR TANK FIXING (II)
AIR TANK FIXING (II)
AIR TANK FIXING (I)
AIR TANK FIXING (I)
AIR TANK FIXING (I)
AIR TANK FIXING (II)
AIR TANK FIXING (I)
AIR TANK FIXING
AIR TANK FIXING (I)
AIR TANK FIXING (II)
AIR TANK FIXING (II)
RELAY VALVE FIXING (I)
AIR COMPESSOR OUTER LINE
FRAME ASSY
FRAME ASSY
FRAME ASSY
FRAME ASSEMBLY (REINFORCED FRONT END)
FRAME ASSEMBLY (4.6M SINGLE BRIDGE)
FRAME ASSISTANT CROSS MEMBER
FRAME ASSISTANT CROSS MEMBER
FRAME FOREPART ACCESSORY
FRAME FOREPART ACCESSORY
DRAW GEAR
SEMI TRAILING BASE
CHASSIS ELECTRICAL APPLIANCES/WPE32/F2000/DUMP TRUCK/WPE32/F3000/(NEW/42/64) TRACTOR
CHASSIS ELECTRICAL APPLIANCES/WPE32/F2000/DUMP TRUCK
CHASSIS ELECTRICAL APPLIANCES/WPE32/F3000/(NEW/42/64) TRACTOR
CHASSIS ELECTRICAL APPLIANCES/WPE32/F3000/(NEW/42/64) TRACTOR
CHASSIS ELECTRICAL APPLIANCES/TRACTOR/F2000/64/2925/725/MAN FRAME
CHASSIS ELECTRICAL APPLIANCES/TRACTOR/F2000/64/2925/725/MAN FRAME
CHASSIS ELECTRICAL APPLIANCES/TRACTOR/F2000/64/2925/725/MAN FRAME
CHASSIS ELECTRICAL APPLIANCES/TRACTOR/F2000/64/2925/725/MAN FRAME
CHASSIS ELECTRICAL APPLIANCES/TRACTOR/F2000/64/2925/725/MAN FRAME
WORKING LAMP
CHASSIS ELECTRICAL APPLIANCES/ACCESSORIES/MACHINERY LANQING II GENERATION DUMP TRUCK
CHASSIS ELECTRICAL APPLIANCES/ACCESSORIES/SOLENOID VALVE DUMP TRUCK
TAILLIGHT BRACKET/UNIVERSAL/F2000
TAILLIGHT BRACKET/TRACTOR/F2000
CHASSIS ELECTRICAL/NON-TRACTION/CHASSIS WIRING HARNESS
CHASSIS ELECTRICAL/NON-TRACTION/DISTRIBUTION BOX
CHASSIS ELECTRICAL APPLIANCES/NON-TRACTION/ACCESSORIES
CHASSIS ELECTRICAL APPLIANCES/ACCESSORIES/SOLENOID VALVES
BATTERY BOX
BATTERY BOX MOUNTING
BATTERY BOX
BATTERY BOX
MAIN BATTERY SWITCH
DASHBOARD (10 INTERIOR)
DASHBOARD
HAND GRIPER
SWITCH, RADIO AND CIGARETTE LIGHTER
SWITCH
SWITCH
CAB APPLIANCES/ACCESSORIES/DUMP TRUCK/LIFT BUZZER
ROCKER SWITCH
SWITCH
CAB INNER ELECTRONICAL DEVICE
PUMP
FLOODLIGHT
FLOODLIGHT ON REAR PANNEL
WIRING
LOOMS ON CAB OUTER
WIRING
WIRING
WIRING
CABIN WIRING ASSEMBLY
WINDOW LIFTER WIRING
WIRING HARNESS
PLUG KEY FOR ELECTRIC WINDOW LIFTER SWITCH
ELECTRIC GLASS LIFTER ROCKER SWITCH
CENTRAL ELECTRICAL DEVICE BOARD
CENTER ELECTRIC PANEL II
PUSH KEY FOR ELECTRIC WINDOW LIFTER (FOR SELECT)
ABS/ASR
HEADLAMPS
HEADLAMP GUARD GRILLE
FLASHERS IN BUMPER
SIDE-MARKER LIGHTS
HIGH POSITION LIGHTS
COMBINATION REAR LIGHT
REAR LIGHT
AIR PRESSURE SENSOR
RADIO LOUDHAILER TRANSFORMER WIRE
BRAKE SWITCH
ELECTRIC PANEL I
ELECTRIC PANEL I
ELECTRIC PANEL I
CENTER ELECTRIC PANEL II
ELECTRIC PANEL SCUTCHEON
COMMBINATION SWITCH
EXHAUST BRAKE SWITCH
INSTRUMENT CLUSTER
CAB APPLIANCES/ACCESSORIES/DUMP TRUCK/LIFT BUZZER
CAB APPLIANCES/ACCESSORIES/DUMP TRUCK/LIFT BUZZER
AIR SYSTEM
AIR SYSTEM
AIR INTAKE BOX ON CAB
AIR DUCT
HEATER DEVICE (WITH AIR CONDITION)
AIR CONDITION PIPES
AIR CONDITION PIPES
TEMPERATURE SENSOR
AIR CONDITION CONTROLLER
ELECTRONIC CONTROL UNITS FOR AIR CONDITIONING
DOOR AND WINDOW CONTROL UNIT
STEERING COLUMN ADJUSTABLE
STEERING HYDRAULIC DEVICE
DOUBLE SHAFTS STEERING HYDRAULIC DEVICE
HYDRAULIC DEVICE
STEERING TRANSMISSION DEVICE
STEERING TRANSMISSION DEVICE
STEERING TRANSMISSION DEVICE
DOUBLE SHAFTS STEERING TRANSMISSION DEVICE
FRONT SUSPENSION
FRONT SUSPENSION (DC93319690501) DUMP TRUCK 8X4
FRONT SHOCK ABSORBER (DC93259680300)
FRONT STABILIZER ASSY
FRONT STABILIZER BAR (DC93259680300) TRACTOR
REAR SUSPENSION I
REAR SUSPENSION II
TRACTOR REAR SUSPENSION 6X4
TRACTOR BALANCING SHAFT ASSEMBLY 6X4
REAR SHOCK ABSORBER 6X4
TRACTOR REAR TRANSVERSE STABILIZER 6X4
ENGINNERING VEHICLE REAR SUSPENSION 6X4, 8X4
ENGINNERING VEHICLE BALANCING SHAFT ASSEMBLY 6X4, 8X4
EQUALIZING SUSPENSION LIMIT STOP 6X4, 8X4
ENGINNERING VEHICLE REAR TRANSVERSE STABLIZER 6X4, 8X4
REAR SUSPENSION 4X2
REAR SUSPENSION (DC95189520507)
REAR STABLIZER 4X2
REAR SHOCK ABSORBER 4X2
F2000D HALF HIGH ROOF CAB WELDING ASSY
F2000N CAB WELDING ASSY
F2000J CAB WELDING ASSY
F2000 HIGH ROOF CAB AIR DEFLECTOR
MELT-ON FOIL
MELT-ON FOIL
SOUND PROOFING
SOUND PROOFING
FLOOR MATS FRONT AND ANTI-SKID STRIP
DASHBOARD PANELLING
ENGINE COWLING INSULATION
HEADLINING WITH MOUNTING AND GRAB HANDLE
HEADLINING WITH MOUNTING AND GRAB HANDLE
SIDE-WALL PANELING CLOSED WITH NOUNTING I
SIDE-WALL PANELING CLOSED WITH NOUNTING I F3000J
SIDE-WALL PANELING CLOSED WITH NOUNTING I
LUGGAGE RACK
LUGGAGE RACK
LOWER BERTH
UPPER BERTH
SEAT
SAFETY BELT
TOOL BOX
SUN VISOR ROLLER
SUN VISOR
AIL-ROUND CURTAIN
TRANSVERSE CURTAIN
DOOR WINDOW LIFTER LEFT OPERATED
DOOR WINDOW LIFTER RIGHT OPERATED
DOOR AND DOOR GLASS
DOOR AND DOOR GLASS
DOOR COVERING LEFT
DOOR COVERING RIGHT
DOOR HINGE LEFT AND RIGHT
DOOR ARRESTOR AND DOOR ACTUATING SYSTEM LEFT
DOOR ARRESTOR AND DOOR ACUATING SYSTEM RIGHT
ROOF VENT
FRONT WINDSHIELD GLASS ASSEMBLY
BUMPER AND FRONT BRACKET
BUMPER AND FRONT BRACKET
LEFT/RIGHT FENDER BRACKET
FENDER LEFT BEHIND CAB
FENDER RIGHT BEHIND CAB
LEFT FENDER
RIGHT FENDER
LEFT FOOT PANEL BRACKET
RIGHT FOOT PANEL BRACKET
LEFT DOOR STEP
RIGHT DOOR STEP
LEFT DOOR STEP
RIGHT DOOR STEP
GRILLE COVERS
WIPER SYSTEM
WINDSCREEN WASHER PUMP AND ACCESSORIES
NOISE INSULATION CAB
DECORATIVE ASSEMBLY
DECORATIVE ASSEMBLY
DECORATIVE ASSEMBLY
DECORATIVE ASSEMBLY
DECORATIVE ASSEMBLY
DECORATIVE ASSEMBLY
REARVIEW MIRROR
REARVIEW MIRROR LEFT BRACKET
REARVIEW MIRROR RIGHT BRACKET
VIEW MIRROR UNDER THE DOOR
CAB DECORATION SIGNS AND REFLECTIVE SIGNS
SUN VISOR (F3000)
FRONT COVER (F3000)
REARVIEW MIRROR RIGHT BRACKET (F3000)
CAB TILTING MECHANISM LH. DRIVE VEHICLE
CAB TILTING MECHANISM R.H. DRIVE VEHICLE
CAB HYDRAULIC TILTING EQUIPMENT
SPRING
CAB LOCKING DEVICE
WITH THE LATHER OPERATOR APPARATUS
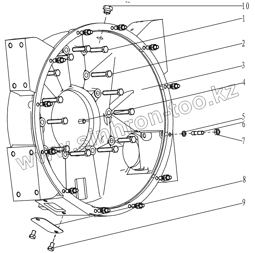
1
2
3
4
5
6
7
8
9
10
Позиция на иллюстрации
Заводской номер детали
Название детали
1
61500010062
Болт
2
61500010101
Болт
3
612600010305
Картер маховика
4
90003901604
Вкладыш цилиндрический 12m6х20 DIN7
5
90003931122
Шайба В10 D00127
6
90011620021
Through bolt
7
90003871305
Гайка заклепная М10 D00934
8
1800210011
Крышка
9
90003802511
Болт М10х18 D00933
10
90003962030
Heaxgon head plug
Содержащиеся в справочниках-каталогах запасные части и детали не предлагаются к продаже, а носят исключительно информационный характер
Дополнительная информация
×
Название:
Номер:
Примечание: