Каталог запасных частей к технике: Shaanxi MAN-F2000 (SX3254JS384). Передняя ось
1
2
3
4
5
6
7
8
9
9
10
11
12
13
14
15
15
15
16
17
18
19
19
20
20
21
22
23
25
26
27
28
29
30
31
32
33
34
35
36
37
38
39
39
39
39
40
41
41
42
42
43
44
44
44
45
46
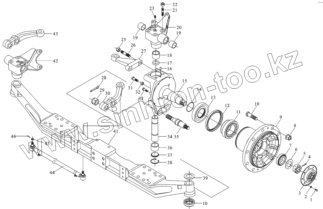
| Позиция на иллюстрации | Заводской номер детали | Название детали | |
|---|---|---|---|
| 1 | Q150B0816 | Болт | |
| 2 | Q40308 | Шайба пружинная | |
| 3 | 880410043 | Колпак | |
| 4 | Q5006375 | Шплинт | |
| 5 | Q387C36 | Гайка | |
| 6 | 1160-3001136 | Шайба | |
| 7 | 90003326531 | Подшипник | |
| 8 | 99012340103 | Гайка | |
| 9 | 99000410066 | Ступица колеса | |
| 9 | 99112410010 | Ступица колеса АВS | |
| 10 | 99000410104 | Болт | |
| 11 | 90003326543 | Подшипник | |
| 12 | 99100410028 | Кольцо уплотнительное | |
| 13 | 99000410114 | Промежуточное кольцо | |
| 14 | 295420033 | Кольцо уплотнительное | |
| 15 | 99000410028 | Кулак поворотный | |
| 15 | 99112410058 | Кулак поворотный правый АВS | |
| 15 | 99112410057 | Кулак поворотный левый АВS | |
| 16 | Q5211016 | Фиксатор | |
| 17 | 880 410 052 | Кольцо | |
| 18 | 880 410 033 | Втулка шкворни | |
| 19 | 8803417 | Втулка шкворни | |
| 20 | 880410032 | Кронштейн (левый) | |
| 20 | AZ9100410033 | Кронштейн (левый) | |
| 21 | 8804175 | Шпилька | |
| 22 | Q30215 | Гайка | |
| 23 | 90003963114 | Пресс масленка | |
| 25 | Q30218 | Гайка | |
| 26 | 880 410 060 | Шпилька | |
| 27 | 99000410001 | Поворотный кулак | |
| 28 | Q5005050 | Шплинт | |
| 29 | Q387C27 | Гайка | |
| 30 | 880 410 040 | Рычаг поворотный правый | |
| 31 | Q26114 | Болт | |
| 32 | Q351B14T15 | Гайка | |
| 33 | Q151C1220 | Болт | |
| 34 | 880 410 031 | Шкворень | |
| 35 | 880 410 038 | Шпилька | |
| 36 | 880 410 029 | Втулка | |
| 37 | 880 410 100 | Крышка | |
| 38 | Q43056 | Кольцо стопорное | |
| 39 | 880410097 | Шайба | |
| 39 | 880410108 | Шайба | |
| 39 | 880410104 | Шайба | |
| 39 | 880410094 | Шайба | |
| 40 | 880410049 | Подшипник | |
| 41 | 880410054 | Передняя ось (балка) | |
| 41 | 880410103 | Передня соь | |
| 42 | 880410074 | Кронштейн | |
| 42 | AZ9100410037 | Кронштейн | |
| 43 | 880 410 041 | Рычаг поворотный | |
| 44 | 99100430018 | Рулевая тяга | |
| 44 | AZ9100430018 | Рулевая тяга | |
| 44 | 1,99018E+11 | Рулевая тяга | |
| 45 | 90003872359 | Гайка | |
| 46 | 90003920351 | Шплинт |
Содержащиеся в справочниках-каталогах запасные части и детали не предлагаются к продаже, а носят исключительно информационный характер