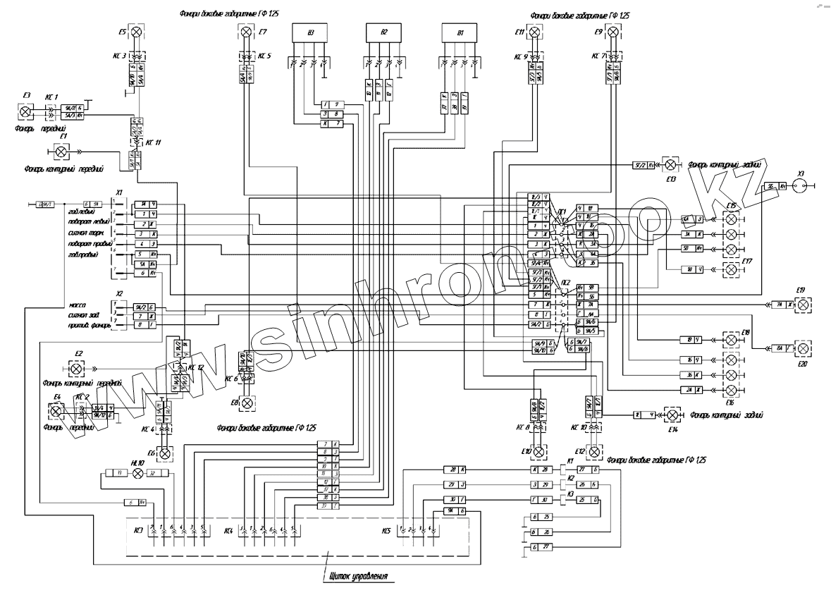
Каталог запасных частей к технике: Нефтекамский автозавод НефАЗ-9693-10. 9693-3700020Э4 Схема электрическая
Е19
КС11,КС12
КС11,КС12
КС1-КС10
КС1-КС10
КС1-КС10
КС1-КС10
КС1-КС10
КС1-КС10
КС1-КС10
КС1-КС10
КС1-КС10
КС1-КС10
В1, В2, В3
В1, В2, В3
В1, В2, В3
HL10
КС1… КС6
КС1… КС6
КС1… КС6
ПС1, ПС2
ПС1, ПС2
К1, К2, К3
К1, К2, К3
К1, К2, К3
Е20
Х1
Е16, Е17
Е16, Е17
Е15, Е18
Е15, Е18
Е13, Е14
Е13, Е14
Е5…Е12
Е5…Е12
Е5…Е12
Е5…Е12
Е5…Е12
Е5…Е12
Е5…Е12
Е5…Е12
Е5…Е12
Е3,Е4
Е1, Е2
Е1, Е2
Х3
Х2
| Позиция на иллюстрации | Заводской номер детали | Название детали | |
|---|---|---|---|
| Е19 | Е19 | Фонарь заднего хода 211.3711 | |
| КС11,КС12 | КС11,КС12 | Колодка 02-6,3-01- ОСТ 37.003.032-88 | |
| КС1-КС10 | КС1-КС10 | Колодка 282189-1 | |
| В1, В2, В3 | В1, В2, В3 | Датчик уровня жидкости 96742-3827010 | |
| HL10 | HL10 | Светильник «Плафон ВII» | |
| КС1… КС6 | КС1… КС6 | Колодка гнездовая 02-6.3-04 ОСТ 37.003.032-88 | |
| ПС1, ПС2 | ПС1, ПС2 | Панель соединительная 16 3723ТУ37.003.419-76 | |
| К1, К2, К3 | К1, К2, К3 | Затворы | |
| Е20 | Е20 | Фонарь задний ФП133-АБ | |
| Х1 | Х1 | Вилка ПС325 | |
| Е16, Е17 | Е16, Е17 | Фонарь номерного знака ФП134-Б | |
| Е15, Е18 | Е15, Е18 | Фонарь задний ФП133-АБ | |
| Е13, Е14 | Е13, Е14 | Фонарь контурный задний 381.3831 | |
| Е5…Е12 | Е5…Е12 | Фонарь боковой габаритный ГФ1.25 | |
| Е3,Е4 | Е3,Е4 | Фонарь передний габаритный ГФ 1.15 | |
| Е1, Е2 | Е1, Е2 | Фонарь передний 16.3712 | |
| Х3 | Х3 | Розетка переносной лампы ПС400 | |
| Х2 | Х2 | Вилка ПС326 |
Содержащиеся в справочниках-каталогах запасные части и детали не предлагаются к продаже, а носят исключительно информационный характер