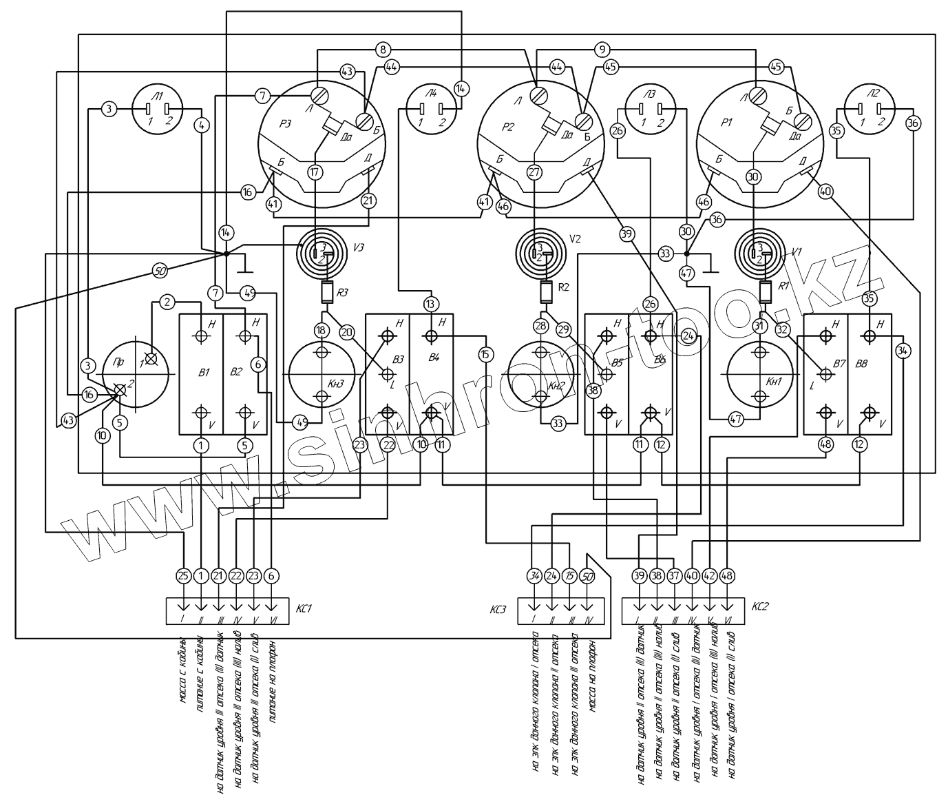
Каталог запасных частей к технике: Нефтекамский автозавод НефАЗ-96894. 9693-3718400 Э4 Схема электрическая щитка
Л
Л
Л
Р1,Р2,Р3
Р1,Р2,Р3
Р1,Р2,Р3
В3,В5,В7
В3,В5,В7
В3,В5,В7
В3,В5,В7
В1,В2,В4,В6,В8
В1,В2,В4,В6,В8
В1,В2,В4,В6,В8
В1,В2,В4,В6,В8
КС3
R1,R2,R3
R1,R2,R3
R1,R2,R3
V1,V2,V3
V1,V2,V3
V1,V2,V3
КС1,КС2
КС1,КС2
Л1
Л2,Л3,Л4
Л2,Л3,Л4
Л2,Л3,Л4
Пр
Кн1,Кн2,Кн3
Кн1,Кн2,Кн3
Кн1,Кн2,Кн3
| Позиция на иллюстрации | Заводской номер детали | Название детали | |
|---|---|---|---|
| Л | А24-1 | Лампа | |
| Р1,Р2,Р3 | УБ170 | Указатель уровня топлива ТУ37.003.614-79 | |
| В3,В5,В7 | 57.3709 | Переключатель 57.3709 | |
| В1,В2,В4,В6,В8 | 46.371 | Выключатель 46.371 | |
| КС3 | 0,2-6,3-04 | Колодка соединительная 0,2-6,3-04 | |
| R1,R2,R3 | С2-10-0,5-300 ом | Резистор С2-10-0,5-300 ом | |
| V1,V2,V3 | Тиристор | Тиристор | |
| КС1,КС2 | 0,2-6,3-06 | Колодка соединительная 0,2-6,3-06 | |
| Л1 | 123.3803 | Фонарь контрольной лампы ТУ37.003.293-72 | |
| Л2,Л3,Л4 | 123.3803 | Фонарь контрольной лампы ТУ37.003.293-72 | |
| Пр | 292.3722 | Предохранитель | |
| Кн1,Кн2,Кн3 | ВК322 | Кнопка контроля схемы сигнализации ВК322 ТУ37.003.402-73 |
Содержащиеся в справочниках-каталогах запасные части и детали не предлагаются к продаже, а носят исключительно информационный характер