Каталог запасных частей к технике: Нефтекамский автозавод НефАЗ-96742. 9693-3718400Э4 Схема электрическая щитка
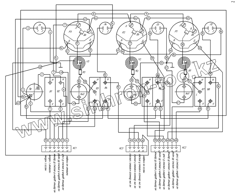
Л
Р1, Р2, Р3
Р1, Р2, Р3
Р1, Р2, Р3
В3, В5, В7
В3, В5, В7
В3, В5, В7
В1, В2, В4, В6, В8
В1, В2, В4, В6, В8
В1, В2, В4, В6, В8
В1, В2, В4, В6, В8
В1, В2, В4, В6, В8
КС3
R1, R2, R3
R1, R2, R3
R1, R2, R3
V1, V2, V3
V1, V2, V3
V1, V2, V3
КС1, КС2
КС1, КС2
Л1
Л2, Л3,Л4
Л2, Л3,Л4
Л2, Л3,Л4
Пр
Кн1, Кн2, Кн3
Кн1, Кн2, Кн3
Кн1, Кн2, Кн3
| Позиция на иллюстрации | Заводской номер детали | Название детали | |
|---|---|---|---|
| Л | Л | Лампа А24-1 ГОСТ 2023-88 | |
| Р1, Р2, Р3 | Р1, Р2, Р3 | Указатели уровня | |
| В3, В5, В7 | В3, В5, В7 | Переключатели режима работ («Налив-Слив») | |
| В1, В2, В4, В6, В8 | В1, В2, В4, В6, В8 | Выключатель 46.371 ТУ 37.003.1079-81 | |
| КС3 | КС3 | Колодка гнездовая 02-6,3-06 ОСТ37.003.032-88 | |
| R1, R2, R3 | R1, R2, R3 | Резистор С2-10-0,5-300 ом ОЖО 467.148 ТУ | |
| V1, V2, V3 | V1, V2, V3 | Тиристоры | |
| КС1, КС2 | КС1, КС2 | Колодка соединительная 0,2-6,3-06 ОСТ 37.003.032-88 | |
| Л1 | Л1 | Лампа контроля питания | |
| Л2, Л3,Л4 | Л2, Л3,Л4 | Фонарь контрольной лампы 123.3803 ТУ 37.003.293-72 (красный) | |
| Пр | Пр | Предохранитель | |
| Кн1, Кн2, Кн3 | Кн1, Кн2, Кн3 | Кнопки контроля |
Содержащиеся в справочниках-каталогах запасные части и детали не предлагаются к продаже, а носят исключительно информационный характер