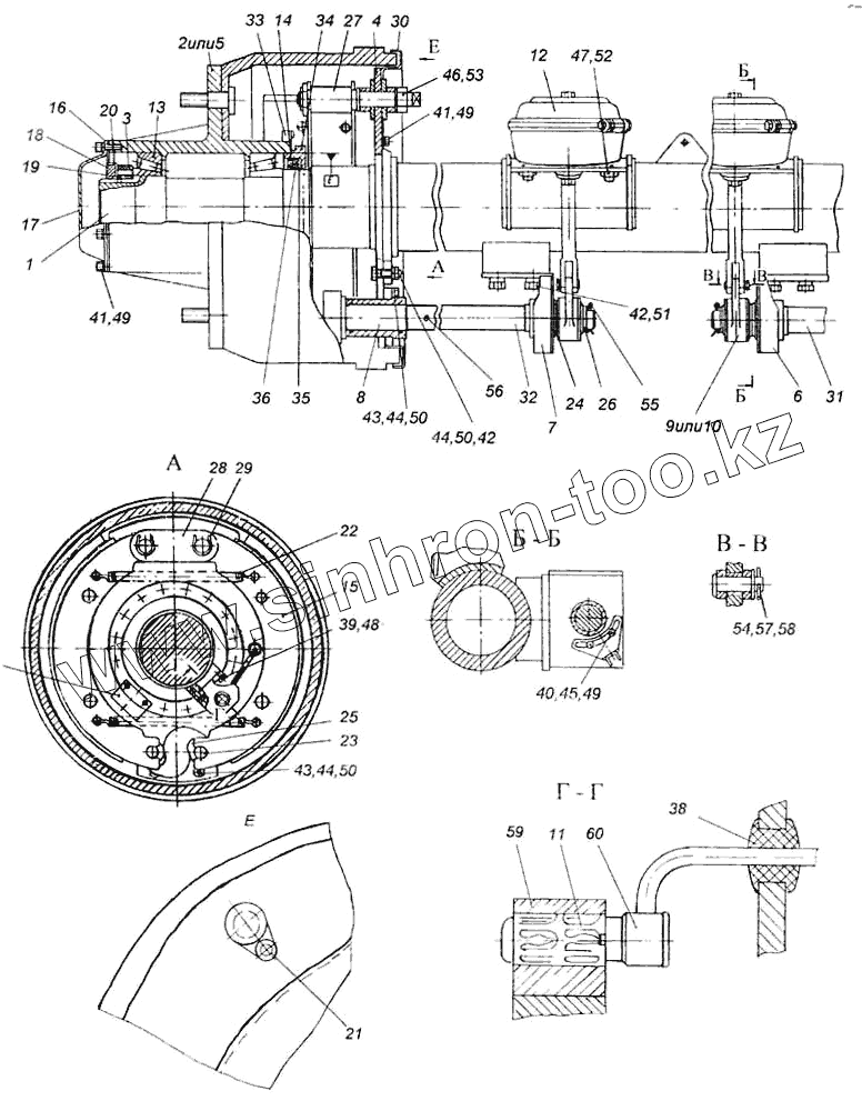
Каталог запасных частей к технике: Нефтекамский автозавод НефАЗ-93341. Ось со ступицами и тормозами
1
2
3
4
5
6
7
8
9
10
11
12
13
14
15
16
17
18
19
20
21
22
23
24
25
26
27
28
29
30
31
32
33
34
35
36
38
40
41
41
42
42
43
43
44
44
44
46
47
48
49
49
49
50
50
50
51
52
53
54
55
56
57
58
59
60
| Позиция на иллюстрации | Заводской номер детали | Название детали | |
|---|---|---|---|
| 1 | 96931-2410110 | Балка оси | |
| 2 | 9906-003502070 | Ступица с тормозным барабаном | |
| 3 | 9693-3104076 | Гайка подшипника | |
| 4 | 9693-3502012 | Суппорт тормоза в сборе | |
| 5 | 9693-3104010 | Ступица с тормозным барабаном в сборе | |
| 6 | 9693-3502220 | Опора разжимного кулака | |
| 7 | 9693-3502221 | Опора разжимного кулака | |
| 8 | 9693-3502128 | Опора разжимного кулака | |
| 9 | 79005 | Рычаг регулировочный фирмы Ноldек | |
| 10 | 500-3501136 | Рычаг регулировочный | |
| 11 | 9693-3502300 | Держатель датчика | |
| 12 | 9693-3519210 | Тормозная камера тип 30 | |
| 13 | 7718АК | Подшипник конический | |
| 14 | 864117 | Манжета 115х145 | |
| 15 | 9693-3501090 | Колодка с накладками в сборе | |
| 16 | 9693-2410004 | Прокладка | |
| 17 | 9693-3104016 | Крышка | |
| 18 | 9693-3104078 | Контргайка | |
| 19 | 9693-3104079 | Шайба замковая | |
| 20 | 9693-3104082 | Шайба стопорная | |
| 21 | 96741-3501031 | Заглушка | |
| 22 | 5320-3501035 | Пружина | |
| 23 | 9693-3501107 | Ось ролика колодки тормоза | |
| 24 | 96741-3501108 | Шайба | |
| 25 | 9693-3501109 | Ролик колодки | |
| 26 | 96741-3501110 | Шайба | |
| 27 | 9693-3501132 | Ось колодки | |
| 28 | 9693-3501133 | Накладка осей колодок | |
| 29 | 9693-3501134 | Чека оси колодок | |
| 30 | 9693-3502030 | Щиток заднего тормоза | |
| 31 | 9693-3502110 | Кулак разжимной правый | |
| 32 | 9693-3502111 | Кулак разжимной левый | |
| 33 | 9693-3502113 | Ротор | |
| 34 | 9693-3502115 | Корпус | |
| 35 | 9693-3502117 | Сальник | |
| 36 | 9693-3502119 | Кольцо | |
| 37 | 9693-3502120 | Ограничитель | |
| 38 | 96741-3502302-01 | Кольцо | |
| 40 | 1/60434/21 | Болт | |
| 41 | 1/60431/21 | Болт ТЕМ8-6gх14 | |
| 42 | 1/14083/21 | Болт ТЕМ14х1,5-6gх35 | |
| 43 | 1/42747/31 | Болт самоконтрящий М12х1,25-6gх40 | |
| 44 | 1/61015/11 | Гайка М12х1,25-6Н | |
| 46 | 1/21643/21 | Гайка ЕМ20х1,5-6Н | |
| 47 | 356-70503 | Гайка ЕМ16х1,5-6Н | |
| 48 | 1/05164/77 | Шайба пружинная 6 | |
| 49 | 1/05166/77 | Шайба пружинная 8 | |
| 50 | 1/05170/77 | Шайба пружинная 12 | |
| 51 | 1/05171/77 | Шайба пружинная 14 | |
| 52 | 1/05172/77 | Шайба пружинная 16 | |
| 53 | 1/05174/77 | Шайба пружинная 20 | |
| 54 | 1/07969/01 | Шплинт разводной 4х25 | |
| 55 | 1/07983/01 | Шплинт разводной 6х40 | |
| 56 | 1/07985/01 | Шплинт разводной 6х50 | |
| 57 | 260088 | Палец 12х38 ОСТ 37.001.163-79 | |
| 58 | 1/05200/01 | Шайба | |
| 59 | 8997605104 | Втулка | |
| 60 | 4410328080 | Датчик АБС+ SО |
Содержащиеся в справочниках-каталогах запасные части и детали не предлагаются к продаже, а носят исключительно информационный характер