Вернуться на главную
Поиск
Каталоги запчастей к технике
Грузовые автомобили и прицепы
Нефтекамский автозавод
НефАЗ-8602
8602-3700010Э4 Схема электрическая
Каталог запасных частей к технике: Нефтекамский автозавод НефАЗ-8602. 8602-3700010Э4 Схема электрическая
zoom-in
zoom-out
enlarge
shrink
circle-right
circle-left
file-text2
info
cart
Тип техники
Не выбрано
Легковые автомобили
Грузовые автомобили и прицепы
Автобусы
Сельхозтехника
Спецтехника
Двигатели
Мототехника
Марка
Не выбрано
BAW
DAF
DongFeng
FAW
Foton
HOWO
Hyundai
IVECO
JAC Motors
LGMG
MAN
Shaanxi
SITRAK
Studebaker
Tata
Volvo
Автокомпонент Плюс
БелАЗ
Брянский Арсенал
ГАЗ
ЗИЛ
КАЗ
Камский автозавод
КрАЗ
Мадара
МАЗ
МЗКТ
МоАЗ
Нефтекамский автозавод
Ставропольский Завод АвтоПрицепов
ТАТРА
Тонар
УралАЗ
ЧМЗАП
Модель
Не выбрано
НефАЗ-45144-8600001 (2010)
НефАЗ-65115-8610656-91 (2018)
НефАЗ-6520, 6522 (2006)
НефАЗ-6520-8630152-73 (2018)
НефАЗ-65201-8630666 (2018)
НефАЗ-65222-8600052 (2018)
НефАЗ-6606 (2008)
НефАЗ-66062 (2015)
НефАЗ-66063 (64, 65) (2010)
НефАЗ-8332 (2004)
НефАЗ-8332 (2009) (2009)
НефАЗ-8332 (2010) (2010)
НефАЗ-8332 (двускатный) (2011)
НефАЗ-8332 (односкатный) (2011)
НефАЗ-8527 (1991)
НефАЗ-8560 (2005)
НефАЗ-8560 (2010)
НефАЗ-8560 (2008) (2008)
НефАЗ-8602 (2010)
НефАЗ-8602-10-04 (2014)
НефАЗ-9334 (2004)
НефАЗ-9334 (2008) (2008)
НефАЗ-9334-10 (11, 13, 16, 17) (2008)
НефАЗ-9334-20 (2010)
НефАЗ-9334-20-10 (2010)
НефАЗ-93341 (2005)
НефАЗ-93341-07 (08) (2008)
НефАЗ-93341-20 (21) (2010)
НефАЗ-937006/07-01 (1991)
НефАЗ-9385/07 (1991)
НефАЗ-9509 (2006)
НефАЗ-9509-30 (31) (2010)
НефАЗ-96741 (2005)
НефАЗ-96742 (2009)
НефАЗ-96891-10 (2009)
НефАЗ-96894 (2011)
НефАЗ-96896-0110411 (2015)
НефАЗ-9693 (2005)
НефАЗ-9693-10 (2010)
НефАЗ-96931-04 (2014)
НефАЗ-96931-07 (2014)
НефАЗ-96931-10-07 (2011)
Тележки подкатные (2008)
Схема
>
Не выбрано
8602-0000010 Прицеп-цистерна
8602-0000010-03 Прицеп-цистерна
8602-03-2400000, 8602-03-2410001 Ось с тормозами и колесами
8602-03-2410002, 8602-03-2410003 Ось со ступицами и тормозами
8602-2410100-20, 8602-2410101-20 Ось с тормозами и колесами
8602-2410102-20, 8602-2410103-20 (01) Ось со ступицами и тормозами
8602-2707008 Дышло для ТСУ типа "петля-крюк", 8602-2707009 Дышло
8602-2707040 Петля сцепная с втулкой
8602-2804010 Установка заднего буфера
8602-03-2804010 Установка заднего буфера
8602-2822001 Установка поворотной тележки (зазорная сцепка), 8602-2822003 (01) беззазорная сцепка)
8602-03-2822001 Установка поворотной тележки(зазорная сцепка), 8602-03-2822003(01) (беззазорная сцепка)
8602-2822010 Тележка поворотная(зазорная сцепка), 8602-2822011 (беззазорная сцепка)
8602-03-2822010, 8602-03-2822011 Тележка поворотная
8602-2902001 Установка передней подвески
8602-03-2902001 Установка передней подвески
8602-2912001 Установка задней подвески
8602-03-2912001 Установка задней подвески
96741-3101010, 96742-3101010 Колесо с шиной
96931-3101020-01 Колесо с шиной
96741-3104076 Гайка подшипника
9674-3105001 Установка запасного колеса
96931-3105001 Установка запасного колеса
8602-3500001-01 Установка пневматических тормозов
8602-03-3500001 Установка пневматических тормозов
96741-3502120-10 Кронштейн правый с втулкой, 96741-3502121-10 Кронштейн левый с втулкой
96741-3502128 Опора разжимного кулака
8332-03-3502220, 8332-03-3502221 Опора разжимного кулака
8602-3508001 Установка стояночного тормоза
9674-3508110-01 Привод передний
8602-3508181 Трос в сборе
96741-3519100-20, 96741-3519200-20 Тормозная камера с энергоаккумулятором
96741-3519210-20 Доработка тормозной камеры тип 24, 96741-3519110-20 тип 20
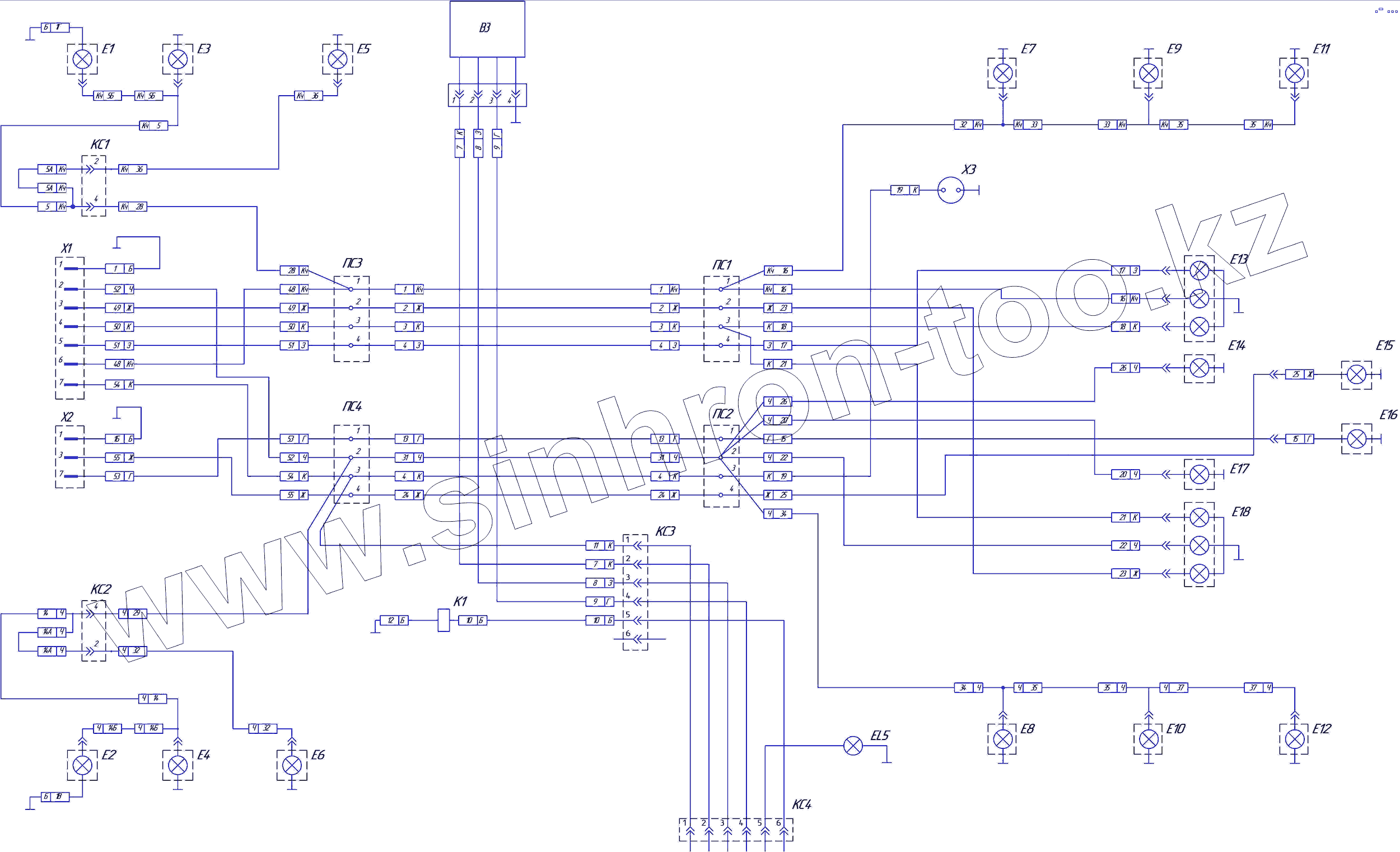
8602-3700010Э4 Схема электрическая
8602-3700010 Монтаж электрооборудования
96741-3716010 Установка задних фонарей
96742-3717020, 96742-3717020-10 Установка переднего фонаря
96742-3717020, 96742-3717020-10 (01) Установка переднего фонаря (вариант)
8602-3719010 Установка коробки соединительной задней
8602-3719020 Установка коробки соединительной передней
8602-3718200 Щиток управления
9693-3731030, 9693-3731030-01 Установка бокового фонаря
96741-3827010 Установка датчика уровня жидкости
96741-3827010 ЭЗ Датчик уровня жидкости. Схема электрическая принципиальная
6606-3919010 Ящик для ЗИП в сборе
9674-3910165 Установка огнетушителя
6606-3919020-62 СБ Ящик для песка в сборе
6606-3919025 Дверка в сборе
8602-3919035-03 Установка ящика для песка
9674-3919040 Замок с защелкой типа ЗМЧ
96741-3519100-20, 96741-3519200-20 Тормозная камера с энергоаккумулятором
96741-3519210-20 Доработка тормозной камеры тип 24, 96741-3519110-20 тип 20
66061-01-3932200, 66063-01-3932200, 9674-3932200 Рукав
8602-8000010 Установка технологического оборудования
8602-8000010-03 Установка технологического оборудования
8602-8000050 Установка сливо-наливного устройства
8602-8000050-03 Установка сливо-наливного устройства
8602-8020010 Установка системы управления клапаном нижним
8602-8020010-03 Установка системы управления клапаном нижним
8602-8027010-03 Установка шкафа арматурного
96741-8027030 Дверка в сборе
8602-8210030, 8602-8210030-03 Установка лестницы, поручня и площадки
8652-8210090 Установка информационных табличек
8602-8511030 Установка брызговиков
66052-8513110 Крышка горловины
66052-8513110-10 Крышка горловины (вариант)
9674-8520010-01, 66063-8520010-01, 5607-8520010-01 Пенал в сборе
9674-8520020 Защелка
9674-8520030-01 Накладка в сборе
8602-8530010 Установка боковой защиты
96741-8532010 Установка защиты крышки горловины
Х1
Х2
Х3
Е1, Е2
Е1, Е2
Е3, Е4, Е7,Е8, Е9, Е10
Е3, Е4, Е7,Е8, Е9, Е10
Е3, Е4, Е7,Е8, Е9, Е10
Е3, Е4, Е7,Е8, Е9, Е10
Е3, Е4, Е7,Е8, Е9, Е10
Е3, Е4, Е7,Е8, Е9, Е10
Е5, Е6
Е5, Е6
Е11, Е12
Е11, Е12
Е13, Е18
Е13, Е18
Е14, Е17
Е14, Е17
Е15
Е16
ЕL5
К1
КС1-КС4
КС1-КС4
КС1-КС4
КС1-КС4
ПС1-ПС4
ПС1-ПС4
ПС1-ПС4
ПС1-ПС4
Позиция на иллюстрации
Заводской номер детали
Название детали
Х1
Х1
Вилка ПС325
Х2
Х2
Вилка ПС326
Х3
Х3
Розетка переносной лампы ПС400
Е1, Е2
Е1, Е2
Фонарь передний 16.3712
Е3, Е4, Е7,Е8, Е9, Е10
Е3, Е4, Е7,Е8, Е9, Е10
Фонарь боковой габаритный
Е5, Е6
Е5, Е6
Фонарь контурный передний 361.3731
Е11, Е12
Е11, Е12
Фонарь номерного знака ФП134-Б
Е13, Е18
Е13, Е18
Фонарь задний ФП 133Б
Е14, Е17
Е14, Е17
Фонарь номерного знака ФП134-Б
Е15
Е15
Фонарь контурный передний 361.3731
Е16
Е16
Фонарь контурный передний 361.3731
ЕL5
ЕL5
Плафон В
К1
К1
Электропневмоклапан
КС1-КС4
КС1-КС4
Колодки
ПС1-ПС4
ПС1-ПС4
Панель соединительная
Содержащиеся в справочниках-каталогах запасные части и детали не предлагаются к продаже, а носят исключительно информационный характер
Дополнительная информация
×
Название:
Номер:
Примечание: