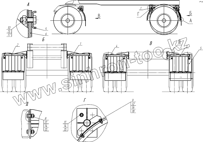
Каталог запасных частей к технике: Нефтекамский автозавод НефАЗ-8560. 8560-8404010-06 Установка брызговиков
1
1
2
3
4
5
5
6
7
8
9
10
11
11
12
13
14
14
15
15
16
17
18
| Позиция на иллюстрации | Заводской номер детали | Название детали | |
|---|---|---|---|
| 1 | 8560-8404030-06 | Кронштейн крепления брызговика задний правый | |
| 2 | 8560-8404031-06 | Кронштейн крепления брызговика задний левый | |
| 3 | 8560-8404032-06 | Кронштейн крепления брызговика передний правый | |
| 4 | 8560-8404033-06 | Кронштейн крепления брызговика передний левый | |
| 5 | 8602-8511033 | Крыло брызговика | |
| 6 | 5511-8404282 | Фартук брызговика | |
| 7 | 5511-8404283 | Пластина | |
| 8 | 1/13905/21 | Болт ТЕМ16х1,5-6gх40 | |
| 9 | 1/59707/21 | Болт ТЕМ10х1,25-6gх25 | |
| 10 | 1/09024/21 | Болт М6-6gх20 | |
| 11 | 1/21641/11 | Гайка М16х1,5-6Н | |
| 12 | 1/21647/11 | Гайка | |
| 13 | 1/58962/11 | Гайка М6-6Н | |
| 14 | 1/05202/01 | Шайба плоская 16х28 | |
| 15 | 1/05172/70 | Шайба пружинная 16 | |
| 16 | 1/05168/70 | Шайба пружинная 8 | |
| 17 | 1/05164/70 | Шайба пружинная 6 | |
| 18 | 1/26468/01 | Шайба плоская 8х25х2 |
Содержащиеся в справочниках-каталогах запасные части и детали не предлагаются к продаже, а носят исключительно информационный характер