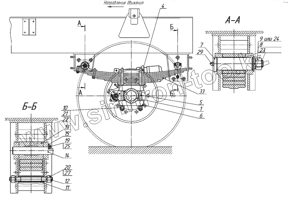
Каталог запасных частей к технике: Нефтекамский автозавод НефАЗ-8560. 8560-06-2912001 Установка задней подвески
1
4
5
6
7
8
9
10
10
11
12
13
14
15
19
20
21
22
23
24
25
27
29
33
| Позиция на иллюстрации | Заводской номер детали | Название детали | |
|---|---|---|---|
| 1 | 8560-06-2410002-20 | Ось со ступицами и тормозами | |
| 4 | 8560-06-2912403 | Накладка | |
| 5 | 8560-06-2912428 | Стремянка рессоры | |
| 6 | 8560-06-2912515 | Подкладка стремянок | |
| 7 | 8332-2902478 | Палец ушка рессоры | |
| 8 | 8332-2912551 | Шайба 27 | |
| 9 | 8602-2912550 | Гайка М27х1,5-6Н | |
| 10 | 96741-2912416 | Гайка стремянки | |
| 10 | 4310-2912416 | Гайка | |
| 11 | 9693-2918029 | Втулка распорная | |
| 12 | 9693-2919102 | Шпилька | |
| 13 | 96931-2912536 | Ролик рессоры | |
| 14 | 96931-2912537-01 | Ось ролика рессоры | |
| 15 | 96931-2912539 | Стопор | |
| 19 | 1/60432/21 | Болт М8-6gх16 | |
| 20 | 1/21641/11 | Гайка М16х1,5-6Н | |
| 21 | 1/07269/11 | Гайка ЕМ24х1,5-6Н | |
| 22 | 1/05206/01 | Шайба 24х42 | |
| 23 | 252164 | Шайба 27Л ОСТ37.001.115-75 | |
| 24 | 853518 | Гайка М27х1,5-6Н | |
| 25 | 1/05166/70 | Шайба пружинная 8 | |
| 27 | 1/05172/70 | Шайба пружинная 16 | |
| 29 | 864006 | Масленка 1.3.06 ГОСТ 19853-74 | |
| 33 | 83781-2912012 | Рессора задняя с ушком |
Содержащиеся в справочниках-каталогах запасные части и детали не предлагаются к продаже, а носят исключительно информационный характер