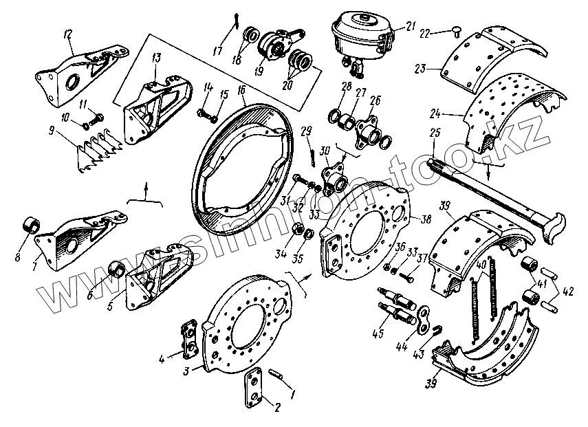
Каталог запасных частей к технике: Нефтекамский автозавод НефАЗ-8527. Тормоза рабочие передней оси
1
2
3
4
5
6
7
8
9
10
11
12
13
14
15
16
17
18
19
20
21
22
23
24
25
26
27
28
29
30
31
32
33
33
34
35
36
37
38
38
39
40
41
42
43
44
45
| Позиция на иллюстрации | Заводской номер детали | Название детали | |
|---|---|---|---|
| 130-3502110-Б | 130-3502110-Б | Кулак разжимной правый | |
| 1 | 257047 | Заклепка | |
| 2 | 5320-3501017 | Пластина усилительная | |
| 3 | 5320-3502014 | Суппорт | |
| 4 | 5320-3501018 | Кронштейн осей колодок | |
| 5 | 9370-3502125 | Кронштейн левый | |
| 6 | 5320-3501126 | Втулка | |
| 7 | 9370-3502124 | Кронштейн правый | |
| 8 | 5320-3501126 | Втулка | |
| 9 | 8350-3502164 | Прокладка | |
| 10 | 1/06171/73 | Шайба пружинная | |
| 11 | 1/12559/21 | Болт ТЕМ14х1,5-6х40 | |
| 12 | 9370-3502120 | Кронштейн правый в сборе | |
| 13 | 9370-3502121 | Кронштейн левый в сборе | |
| 14 | 1/60431/21 | Болт ТЕМ8-6gх14 | |
| 15 | 1/05166/73 | Шайба пружинная 8 | |
| 16 | 5320-3502030 | Щиток тормоза | |
| 17 | 1/07983/01 | Шплинт разводной 6х40 | |
| 18 | 120-3501118 | Шайба разжимного кулака | |
| 19 | 5320-3501136 | Рычаг регулировочный | |
| 20 | 120-3501116 | Шайба регулировочная | |
| 21 | 500-3519110-01 | Тормозная камера в сборе | |
| 22 | 853658 | Заклепка | |
| 23 | 53212-3501105 | Накладка фрикционная | |
| 24 | 53212-3501095 | Колодка | |
| 25 | 130-35021111-Б | Кулак разжимной левый | |
| 26 | 8350-3502129-20 | Опора | |
| 27 | 5320-3501126 | Втулка | |
| 28 | 5320-3501117 | Кольцо уплотнительное | |
| 29 | 1/07985/01 | Шплинт разводной 6х50 | |
| 30 | 8350-3502128-20 | Опора разжимного кулака в сборе | |
| 31 | 5320-3501150 | Болт | |
| 32 | 1/05200/01 | Шайба | |
| 33 | 1/05170/73 | Шайба пружинная 12 | |
| 34 | 1/07267/11 | Гайка М20х1,5-6Н | |
| 35 | 1/05174/73 | Шайба пружинная | |
| 36 | 1/61015/11 | Гайка М12х1,25-6Н | |
| 37 | 1/55406/21 | Болт М12х1,25-6gх40 | |
| 38 | 5320-3502012 | Суппорт тормоза в сборе | |
| 39 | 53212-3501090 | Колодка с накладками в сборе | |
| 40 | 5320-3501035 | Пружина | |
| 41 | 5320-3501109 | Ролик колодки | |
| 42 | 5320-3501107 | Ось ролика | |
| 43 | 5320-3501134 | Чека оси колодок | |
| 44 | 5320-3501133 | Накладка осей колодки | |
| 45 | 53212-3501132 | Ось колодки |
Содержащиеся в справочниках-каталогах запасные части и детали не предлагаются к продаже, а носят исключительно информационный характер