Каталог запасных частей к технике: Нефтекамский автозавод НефАЗ-8332 (2010). Схема электрическая соединений 8332-3700010ЭЧ
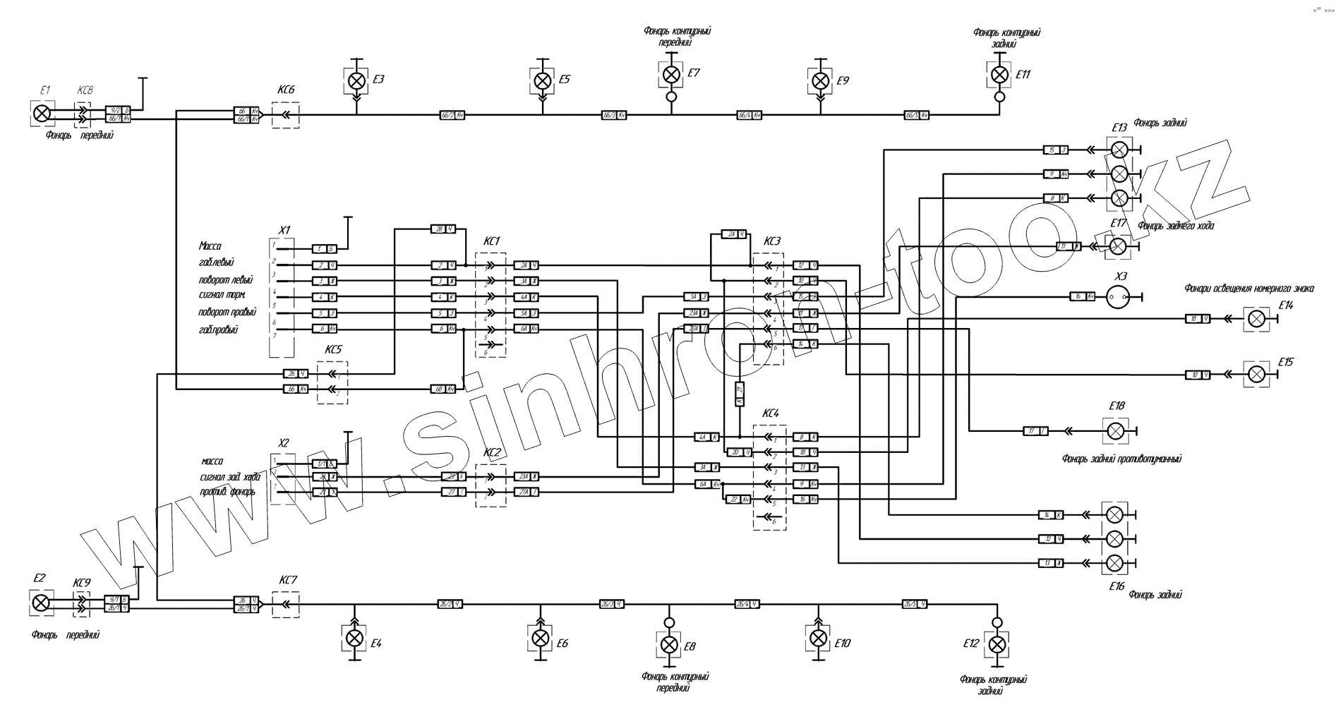
Х1
Х2
Х3
Е1,Е2
Е1,Е2
Е3, Е4, Е5, Е6, Е9, Е10
Е3, Е4, Е5, Е6, Е9, Е10
Е3, Е4, Е5, Е6, Е9, Е10
Е3, Е4, Е5, Е6, Е9, Е10
Е3, Е4, Е5, Е6, Е9, Е10
Е3, Е4, Е5, Е6, Е9, Е10
Е11,Е12
Е11,Е12
Е13, Е16
Е13, Е16
Е14,Е15
Е14,Е15
Е17
Е18
КС1, КС3, КС4
КС1, КС3, КС4
КС1, КС3, КС4
КС2, КС5
КС2, КС5
КС6, КС7
КС6, КС7
КС8, КС9
КС8, КС9
| Позиция на иллюстрации | Заводской номер детали | Название детали | |
|---|---|---|---|
| Х1 | Х1 | Вилка ПС325 | |
| Х2 | Х2 | Вилка ПС326 | |
| Х3 | Х3 | Розетка переносной лампы ПС400 | |
| Е1,Е2 | Е1,Е2 | Фонарь передний 16.3712 ГОСТ 6964-72 | |
| Е3, Е4, Е5, Е6, Е9, Е10 | Е3, Е4, Е5, Е6, Е9, Е10 | Фонарь боковой габаритный 4313731010 (маркерный) | |
| Е7,Е8 | Е7,Е8 | Фонарь контурный передний 361. 3731 | |
| Е11,Е12 | Е11,Е12 | Фонарь контурный задний 381. 3731 | |
| Е13, Е16 | Е13, Е16 | Фонарь задний ФП132 АБ | |
| Е14,Е15 | Е14,Е15 | Фонарь номерного знака ФП 134 | |
| Е17 | Е17 | Фонарь контурный задний 381.3831 | |
| Е18 | Е18 | Фонарь контурный задний 381.3831 | |
| КС1, КС3, КС4 | КС1, КС3, КС4 | Колодка 02-6,3-06 | |
| КС2, КС5 | КС2, КС5 | Колодка 02-6,3-02 | |
| КС6, КС7 | КС6, КС7 | Колодка 02-6,3-1 | |
| КС8, КС9 | КС8, КС9 | Поступает в комплекте с ГФ 125 |
Содержащиеся в справочниках-каталогах запасные части и детали не предлагаются к продаже, а носят исключительно информационный характер