Вернуться на главную
Поиск
Каталоги запчастей к технике
Грузовые автомобили и прицепы
Нефтекамский автозавод
НефАЗ-8332 (2009)
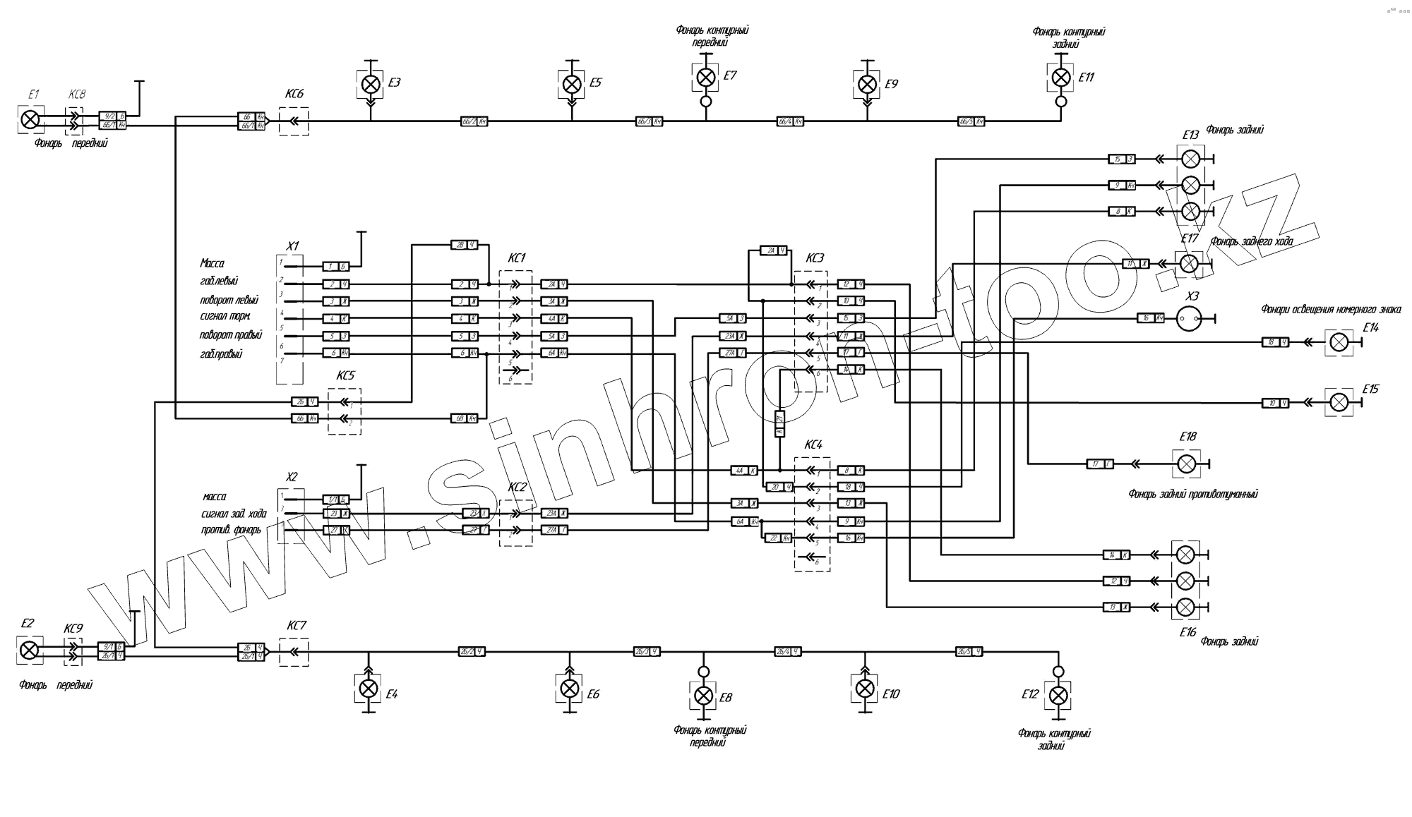
Схема электрическая соединений 8332-3700010ЭЧ
Каталог запасных частей к технике: Нефтекамский автозавод НефАЗ-8332 (2009). Схема электрическая соединений 8332-3700010ЭЧ
zoom-in
zoom-out
enlarge
shrink
circle-right
circle-left
file-text2
info
cart
Тип техники
Не выбрано
Легковые автомобили
Грузовые автомобили и прицепы
Автобусы
Сельхозтехника
Спецтехника
Двигатели
Мототехника
Марка
Не выбрано
BAW
DAF
DongFeng
FAW
Foton
HOWO
Hyundai
IVECO
JAC Motors
LGMG
MAN
Shaanxi
SITRAK
Studebaker
Tata
Volvo
Автокомпонент Плюс
БелАЗ
Брянский Арсенал
ГАЗ
ЗИЛ
КАЗ
Камский автозавод
КрАЗ
Мадара
МАЗ
МЗКТ
МоАЗ
Нефтекамский автозавод
Ставропольский Завод АвтоПрицепов
ТАТРА
Тонар
УралАЗ
ЧМЗАП
Модель
Не выбрано
НефАЗ-45144-8600001 (2010)
НефАЗ-65115-8610656-91 (2018)
НефАЗ-6520, 6522 (2006)
НефАЗ-6520-8630152-73 (2018)
НефАЗ-65201-8630666 (2018)
НефАЗ-65222-8600052 (2018)
НефАЗ-6606 (2008)
НефАЗ-66062 (2015)
НефАЗ-66063 (64, 65) (2010)
НефАЗ-8332 (2004)
НефАЗ-8332 (2009) (2009)
НефАЗ-8332 (2010) (2010)
НефАЗ-8332 (двускатный) (2011)
НефАЗ-8332 (односкатный) (2011)
НефАЗ-8527 (1991)
НефАЗ-8560 (2005)
НефАЗ-8560 (2010)
НефАЗ-8560 (2008) (2008)
НефАЗ-8602 (2010)
НефАЗ-8602-10-04 (2014)
НефАЗ-9334 (2004)
НефАЗ-9334 (2008) (2008)
НефАЗ-9334-10 (11, 13, 16, 17) (2008)
НефАЗ-9334-20 (2010)
НефАЗ-9334-20-10 (2010)
НефАЗ-93341 (2005)
НефАЗ-93341-07 (08) (2008)
НефАЗ-93341-20 (21) (2010)
НефАЗ-937006/07-01 (1991)
НефАЗ-9385/07 (1991)
НефАЗ-9509 (2006)
НефАЗ-9509-30 (31) (2010)
НефАЗ-96741 (2005)
НефАЗ-96742 (2009)
НефАЗ-96891-10 (2009)
НефАЗ-96894 (2011)
НефАЗ-96896-0110411 (2015)
НефАЗ-9693 (2005)
НефАЗ-9693-10 (2010)
НефАЗ-96931-04 (2014)
НефАЗ-96931-07 (2014)
НефАЗ-96931-10-07 (2011)
Тележки подкатные (2008)
Схема
>
Не выбрано
Каркас крыши 8332-5701150-01
Каркас крыши 8332-5701150-02
Установка дверей 9334-05-5000123
Дверь левая в сборе 9334-05-6202003
Дверь правая в сборе 9334-05-6202005
Установка подкладок 8332-8501055-01
Тент платформы 8332-8508020
Установка тента 8332-8501000-02
Тент платформы 8332Н-8501020-01
Борт боковой правый 8332-8502010, 8332-8502010-01, 8332-8502010-02, (левый 8332-8502011, 8332-8502011-01)
Борт задний 9334-8504110
Борт задний 9334-8504110-01
Установка боковой защиты 8332-2801500
Установка бампера 8332-2804010
Установка поворотной тележки 8602-2822001, 8602-2822201, 8332-2822001, 8332-03-2822001, 8560-2822001С
Установка передней подвески 8602-2902001, 8332-2902001, 8332-03-2902001
Установка задней подвески 8602-2912001, 8332-2912001, 8332-03-2912001
Рессора с ушком 8332-2912012
Колесо с шиной 9693-3101011
Установка запасного колеса 8332-3105001-03
Ось со ступицами, тормозами и колесами 8332-03-2410000, 8332-03-2410001
Ось с ступицами, тормозами 8332-03-2410002, 8332-03-2410003
Установка привода пневмотормозов с АБС 8332-3500001-03
Тормоз в сборе 8332-03-3502011, 8332-03-3502010
Опора разжимного кулака 8332-03-3502220, 8332-03-3502221
Тормозная камера с энергоаккумулятором 96741-3519100-20, 96741-3519200-20
Установка электрооборудования
Схема электрическая соединений 8332-3700010ЭЧ
Установка задних фонарей 9334-3716010
Жгут основной 8332-3724020
Пучок проводов от тягача к прицепу 8332-3724021
Пучок проводов задний 9334-3724029, 9334-01-3724029
Пучок проводов передних фонарей 8332-3724060
Перемычка «массы» 9334-3724095
Пучок проводов боковых габаритных фонарей 8332-3724098
Круг поворотный в сборе 8602-2704000
Дышло 8602-2707008, 8602-2707009
Петля сцепная с втулкой 8602-2707040
Тележка передняя 8332-03-2822010, 8332-03-2822011
Установка противооткатных упоров 9334-3926010
Прицеп в сборе 8332-0000010-03, 8332-0000011-03, 8332-0000012-03, 8332-0000013-03
Позиция на иллюстрации
Заводской номер детали
Название детали
ПС325
ПС325
Вилка ПС325
ПС326
ПС326
Розетка ПС326
ПС 400
ПС 400
Розетка переносной лампы ПС 400
ГФ 115
ГФ 115
Фонарь передний габаритный ГФ 115
4313731010
4313731010
Фонарь боковой габаритный 4313731010 (маркерный)
361.3731
361.3731
Фонарь контурный передний 361.3731
381.3731
381.3731
Фонарь контурный задний 381.3731
ФП132 АБ
ФП132 АБ
Фонарь задний ФП132 АБ
ФП 134
ФП 134
Фонарь номерного знака ФП 134
ФП 135
ФП 135
Фонарь заднего хода ФП 135
241.3716
241.3716
Фонарь 241.3716 задний противотуманный ТУ37.3.1104-82
02-6,3-06
02-6,3-06
Колодка 02-6,3-06
02-6,3-02
02-6,3-02
Колодка 02-6,3-02
02-6,3-1
02-6,3-1
Колодка 02-6,3-1
ГФ 125
ГФ 125
Поступает в комплекте с ГФ 125
Содержащиеся в справочниках-каталогах запасные части и детали не предлагаются к продаже, а носят исключительно информационный характер
Дополнительная информация
×
Название:
Номер:
Примечание: