Вернуться на главную
Поиск
Каталоги запчастей к технике
Грузовые автомобили и прицепы
Нефтекамский автозавод
НефАЗ-6606
66052-3718425 Э4 Схема электрическая соединений
Каталог запасных частей к технике: Нефтекамский автозавод НефАЗ-6606. 66052-3718425 Э4 Схема электрическая соединений
zoom-in
zoom-out
enlarge
shrink
circle-right
circle-left
file-text2
info
cart
Тип техники
Не выбрано
Легковые автомобили
Грузовые автомобили и прицепы
Автобусы
Сельхозтехника
Спецтехника
Двигатели
Мототехника
Марка
Не выбрано
BAW
DAF
DongFeng
FAW
Foton
HOWO
Hyundai
IVECO
JAC Motors
LGMG
MAN
Shaanxi
SITRAK
Studebaker
Tata
Volvo
Автокомпонент Плюс
БелАЗ
Брянский Арсенал
ГАЗ
ЗИЛ
КАЗ
Камский автозавод
КрАЗ
Мадара
МАЗ
МЗКТ
МоАЗ
Нефтекамский автозавод
Ставропольский Завод АвтоПрицепов
ТАТРА
Тонар
УралАЗ
ЧМЗАП
Модель
Не выбрано
НефАЗ-45144-8600001 (2010)
НефАЗ-65115-8610656-91 (2018)
НефАЗ-6520, 6522 (2006)
НефАЗ-6520-8630152-73 (2018)
НефАЗ-65201-8630666 (2018)
НефАЗ-65222-8600052 (2018)
НефАЗ-6606 (2008)
НефАЗ-66062 (2015)
НефАЗ-66063 (64, 65) (2010)
НефАЗ-8332 (2004)
НефАЗ-8332 (2009) (2009)
НефАЗ-8332 (2010) (2010)
НефАЗ-8332 (двускатный) (2011)
НефАЗ-8332 (односкатный) (2011)
НефАЗ-8527 (1991)
НефАЗ-8560 (2005)
НефАЗ-8560 (2010)
НефАЗ-8560 (2008) (2008)
НефАЗ-8602 (2010)
НефАЗ-8602-10-04 (2014)
НефАЗ-9334 (2004)
НефАЗ-9334 (2008) (2008)
НефАЗ-9334-10 (11, 13, 16, 17) (2008)
НефАЗ-9334-20 (2010)
НефАЗ-9334-20-10 (2010)
НефАЗ-93341 (2005)
НефАЗ-93341-07 (08) (2008)
НефАЗ-93341-20 (21) (2010)
НефАЗ-937006/07-01 (1991)
НефАЗ-9385/07 (1991)
НефАЗ-9509 (2006)
НефАЗ-9509-30 (31) (2010)
НефАЗ-96741 (2005)
НефАЗ-96742 (2009)
НефАЗ-96891-10 (2009)
НефАЗ-96894 (2011)
НефАЗ-96896-0110411 (2015)
НефАЗ-9693 (2005)
НефАЗ-9693-10 (2010)
НефАЗ-96931-04 (2014)
НефАЗ-96931-07 (2014)
НефАЗ-96931-10-07 (2011)
Тележки подкатные (2008)
Схема
>
Не выбрано
5633-0000010 -15, 5633-0000011-15, 5633-0000012-15 Автоцистерна транспортная
66052-0000010-15, 66052-0000011-15, Автоцистерна транспортная
66052-0000010-17, 66052-0000011-17, Автоцистерна транспортная
Э6606-0000010-15, Э6606-0000011-15, Э6606-0000012-15 Автоцистерна транспортная
2Э66061-0000010-15, 2Э66061-0000011-15, 2Э66061-0000012-15 Автоцистерна транспортная
Э66062-0000013-02, Э66062-0000011-02, Э66062-0000010-02 Автоцистерна транспортная
5320-3513038 Цепочка
Установка технологического оборудования
Установка технологического оборудования
Установка технологического оборудования
Установка технологического оборудования
Установка технологического оборудования
5633-8000050, 66052-8000050-02 Установка сливо-наливного устройства
Установка сливо-наливного устройства
Установка сливо-наливного устройства
Установка сливо-наливного устройства
Установка сливо-наливного устройства
Установка сливо-наливного устройства
Установка сливо-наливного устройства
Установка сливо-наливного устройства
Установка сливо-наливного устройства
5633ОС-8000400 Фильтр-газоотделитель
6606-03-8000500 Установка раздаточного узла
66062-03-8000500-10 Установка раздаточного узла
Установка газоотводящей трубы
Установка системы пневмооборудования привода насоса
Установка системы пневмооборудования привода насоса
Установка системы пневмооборудования привода насоса
Установка системы пневмооборудования привода насоса
Установка системы пневмооборудования привода насоса
6606-8026050 Клапан нижний
6606-8026050-20 Клапан нижний
6606-8026060 Клапан в сборе
96741-8026080-10 Узел управления клапаном нижним
96741-8026100, 96741-8026105, 96741-8026108 Трос в сборе
6606-8026200 Клапан предохранительный
6606-8026201 Клапан
96741-8026300, 96741-8026305, 96741-8026310 Привод ручной
5633-01-8027010, 5633 -03-8027010 Установка шкафа арматурного
66052-01-8027010-02, 66052-01-8027010-17 Установка шкафа арматурного
6606-01-8027010, 6606-03-8027010 Установка шкафа арматурного
66061-01-8027010, 66061-03-8027010 Установка шкафа арматурного
66062-01-8027010, 66062-03-8027010 Установка шкафа арматурного
96742-01-8027030-10 Дверка в сборе
66061-03-8027030 Дверка в сборе
66061-03-8027035 Дверка в сборе
66061-01-8027050, 6606-03-8027050, 6606-03-8027050, 66063-01-8027050Шкаф в сборе
5633-03-8027510 Установка шкафа раздаточного узла
6606-03-8027510, 66062-03-8027510 Установка шкафа раздаточного узла
6606-03-8027560 Корпус шкафа в сборе
96741-01-8029010 Фильтр
ЖН.30-Л-У2 Насос самовсасывающий вихревой
ГМШ 32-3-Л-00 Гидромотор шестеренный
5633U-8210030 Установка лестницы, поручня, площадки
Установка лестницы, поручня, площадки
Э6606-8210030 Установка лестницы, поручня, площадки
Э66061-8210030 Установка лестницы, поручня
Э66061-8210040 Лестница верхняя
Э66061-8210070 Лестница нижняя
6605-8210090, 6606-8210090 Установка кронштейнов информационных табличек
Э6606-8513020 Корпус цистерны (сварной)
2Э66061-8513020 Корпус цистерны (сварной)
Э6606-8513025 Отсеки корпуса цистерны в сборе (сварка)
2Э66061-8513025 Отсеки корпуса цистерны (сварные)
66052-8513110, 66052-8513110-01 Крышка горловины
96741-8513110 Крышка горловины
5633-8516000 Установка цистерны
66052-02-8516000 Установка цистерны
6606-8516000 Установка цистерны
2Э66061-8516000 Установка цистерны
66062-8516000 Установка цистерны
9674-8520010-01, 66063-8520010-01, 5607-8520010-01 Пенал в сборе
9674-8520020-01 Защелка
9674-8520030-01 Накладка в сборе (сварная)
Установка системы гидрооборудования привода насоса
Установка системы гидрооборудования привода насоса
Установка системы гидрооборудования привода насоса
Установка системы гидрооборудования привода насоса
Установка системы гидрооборудования привода насоса
5410-8600110 Поперечина
6606-01-8600125 Трубопровод высокого давления
66061-01-8600125 Трубопровод высокого давления
66052-8607003 Блок управления
6606-8607003 Блок управления
5511-8607010 Кран управления
5511-8607060 Корпус
5511-8607070 Клапан предохранительный
5511-8608010-02 Бак масляный
5511-8608310 Фильтр маслобака
5511-8608320 Труба фильтра с клапаном
5511-8609090-01, 55102-8609090 Рукав высокого давления
5410-8609200 Рукав высокого давления
Доработка системы выхлопа
5633-2804010, 66062-2804010 Установка заднего буфера
6606-2804010, 6606-2804010-01 Установка заднего буфера
66061-2804010 Установка заднего буфера
6606-3105032 Ворот
66064-3105032 Ворот с тросом
66064-3105200 Установка запасного колеса
2Э66061-3716010 Установка задних фонарей
96741-3718300 Схема электрическая щитка приборов
2Э66061-3718310, 2Э66061-3718311 Щиток управления
66052-3718425, 66052-01-3718425 Щиток управления
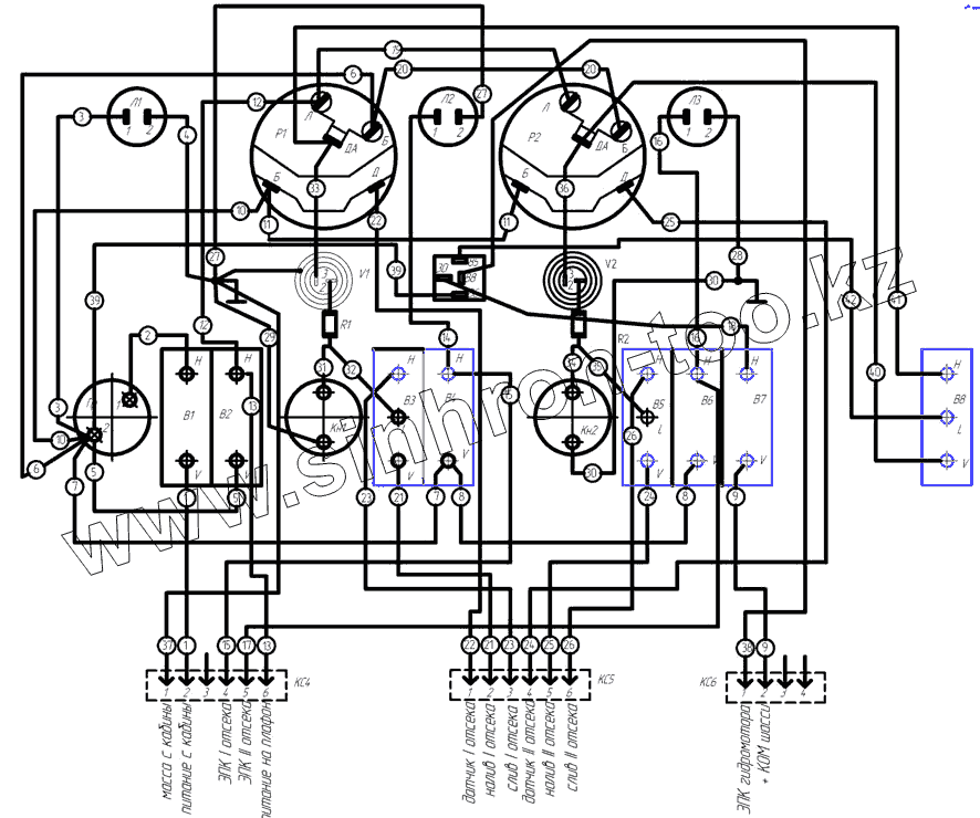
66052-3718425 Э4 Схема электрическая соединений
5633-3724010 Жгут основной
5633-01-3724010 Жгут основной
66052-3724010, 66052-01-3724010 Основной жгут
66052-3724010-17 Жгут основной
66052-01-3724010-17 Жгут основной
2Э66061-3724010 Основной жгут
2Э66061-3724011 Основной жгут
66052-3724020 Жгут ЭПК
66052-3724030 Доработка жгута задних фонарей
66052-3724030-17 Жгут задних фонарей
5633-3724040 Жгут датчика уровня
66052-3724040-17 Жгут проводов датчиков уровня
2Э66061-3724040 Жгут датчика уровня
5633-3724042 Жгут электропневмоклапана
5633-01-3724042 Жгут электропневмоклапана
5633-3724060 Пучок проводов боковых фонарей
66052-3724042-17 Жгут электропневмоклапана
66052-01-3724042-17 Жгут электропневмоклапана
2Э66061-3724050 Доработка жгута задних фонарей
5633-3724060 Пучок проводов боковых фонарей
2Э66061-3724060 Основной жгут
66052-3724060-17 Жгут проводов боковых фонарей
Установка спецэлектрооборудования
Установка спецэлектрооборудования
Установка спецэлектрооборудования
Установка электрооборудования (без насоса)
Установка электрооборудования (c насосом)
Установка спецэлектрооборудования
2Э66061-3729010 Э3 Схема электрическая принципиальная
2Э66061-3729011Э3 Схема электрическая принципиальная
9693-3731030, 9693-3731030-01 Установка бокового фонаря
96741-3827010 Установка датчика уровня жидкости
Датчик уровня жидкости
96742-3827010 Установка датчика уровня жидкости
Датчик уровня жидкости
Установка коробки отбора мощности с насосом
5511-4202005-20 Коробки отбора мощности с насосом
5511-4202010-20 Коробка отбора мощности
НШ32А-3-Л Насос шестеренный
9674-3910050 Заземляющее устройство
9674-3910165 Установка огнетушителя
66061-3919005 Установка ящика для ЗИП
66063-3919005 Установка ящика для ЗИП
56071-3919010 Ящик для ЗИП
6606-3919010 Ящик для ЗИП в сборе
6606-3919010-01 Ящик для песка в сборе
56071-3919025 Дверка в сборе
6606-3919025 Дверка в сборе
АЦ-10-53212-3919035 Установка ящика для песка
9674-3919040 Замок с защелкой типа ЗМЧ
9674-3932100, 5607-3932100 Рукав
66061-01-3932200, 66063-01-3932200, 9674-3932200 Рукав
Л3
Л2
Л1
R1, R2, R3
R1, R2, R3
V1, V2
V1, V2
Р1,Р2
Р1,Р2
Кн1, Кн2, Кн3
Кн1, Кн2, Кн3
КС4, КС5
КС4, КС5
Позиция на иллюстрации
Заводской номер детали
Название детали
Л3
Л3
Лампа контроля питания
Л2
Л2
Лампа контроля открытия нижнего клапана
Л1
Л1
Лампа контроля питания
R1, R2, R3
R1, R2, R3
Резисторы
V1, V2
V1, V2
Тиристор
V1, V2
V1, V2
Тиристор
Р1,Р2
Р1,Р2
Указатель уровня топлива УБ-170
Кн1, Кн2, Кн3
Кн1, Кн2, Кн3
Кнопки контроля
КС4, КС5
КС4, КС5
Колодка гнездовая 02-6.3-06 ОСТ 37.003.032-88
Содержащиеся в справочниках-каталогах запасные части и детали не предлагаются к продаже, а носят исключительно информационный характер
Дополнительная информация
×
Название:
Номер:
Примечание: