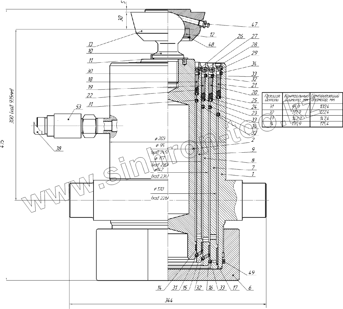
Каталог запасных частей к технике: Нефтекамский автозавод НефАЗ-45144-8600001. 45144-8603010 Гидроцилиндр
1
2
2
6
7
8
9
10
11
12
13
14
15
16
17
18
19
20
21
22
23
24
25
26
27
28
29
30
31
31
32
32
32
33
33
33
34
34
38
47
48
49
53
| Позиция на иллюстрации | Заводской номер детали | Название детали | |
|---|---|---|---|
| 1 | 45142-8603015-10 | Корпус гидроцилиндра | |
| 2 | 45144-8603125 | Плунжер | |
| 6 | 45142-8603021-10 | Днище | |
| 7 | 45142-8603101-10 | Плунжер | |
| 8 | 45142-8603102-10 | Плунжер | |
| 9 | 45142-8603103-10 | Плунжер | |
| 10 | 45142-8603147 | Головка шаровая | |
| 11 | 8560-8603154-06 | Шайба стопорная | |
| 12 | 45142-8603353 | Вкладыш | |
| 13 | 45142-8603551 | Опора шаровая | |
| 14 | 45142-8603242 | Направляющая нижняя | |
| 15 | 45142-8603234 | Направляющая нижняя | |
| 16 | 45142-8603236 | Направляющая нижняя | |
| 17 | 45142-8603238 | Направляющая нижняя | |
| 18 | 14.8603401-40 | Направляющая | |
| 19 | 15.8603401-40 | Направляющая | |
| 20 | 16.8603401-40 | Направляющая | |
| 21 | 17.8603401-40 | Направляющая | |
| 22 | 14.8603403-14 | Манжета | |
| 23 | 15.8603403-14 | Манжета | |
| 24 | 16.8603403-14 | Манжета | |
| 25 | 17.8603403-14 | Манжета | |
| 26 | 14.8603404-24 | Чистильщик | |
| 27 | 15.8603404-24 | Чистильщик | |
| 28 | 16.8603404-24 | Чистильщик | |
| 29 | 17.8603404-24 | Чистильщик | |
| 30 | 14.8603408 | Кольцо разрезное | |
| 31 | 14.8603407-01 | Кольцо упорное | |
| 32 | 15.8603407-01 | Кольцо упорное | |
| 33 | 16.8603407-01 | Кольцо упорное | |
| 34 | 17.8603407-01 | Кольцо разрезное | |
| 38 | 5511-8607086 | Пробка транспортная самонарезная | |
| 47 | 864006 | Масленка 1.3.06 ГОСТ 19853-74 | |
| 48 | В75 | Кольцо В75 | |
| 49 | 195-200-36-2-3 | Кольцо 195-200-36-2-3 | |
| 53 | 452801-8603610-01 | Замедлитель |
Содержащиеся в справочниках-каталогах запасные части и детали не предлагаются к продаже, а носят исключительно информационный характер