Каталог запасных частей к технике: МЗКТ-93782. Редуктор со штурвалом 5247Б-2723008
1
2
3
4
5
6
7
8
9
10
11
11
12
13
14
15
16
17
18
19
20
21
21
22
23
24
25
26
27
28
29
30
31
32
33
34
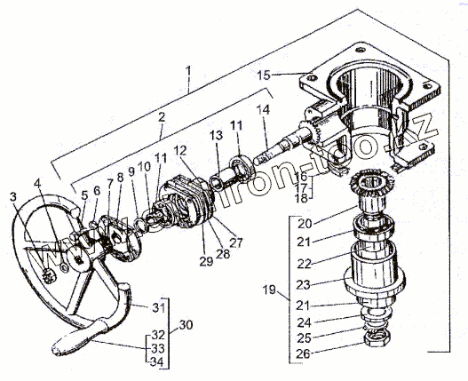
| Позиция на иллюстрации | Заводской номер детали | Название детали | |
|---|---|---|---|
| 1 | 5247Б-2723012 | Редуктор | |
| 2 | 5247Б-2723040 | Шестерня коническая ведущая | |
| 3 | 374189 | Гайка М14х1.5-6Н | |
| 4 | 252016 | Шайба 14 | |
| 5 | 201458 | Болт М8-6gх25 | |
| 6 | 252135 | Шайба 8Т | |
| 7 | 5247Б-2723156 | Втулка | |
| 8 | 5247Б-2723022 | Крышка | |
| 9 | 0000-1709749 | Кольцо 030-036-36-2-2 | |
| 10 | 5247Б-2723029 | Втулка | |
| 11 | 0000-1802220 | Подшипник 205К | |
| 12 | 5247Б-2723032 | Стакан картера малый | |
| 13 | 5247Б-2723028 | Втулка | |
| 14 | 5247Б-2723050-Б | Шестерня коническая ведомая | |
| 15 | 5247Г-2723018 | Картер редуктора | |
| 16 | 5247Б-2723077 | Прокладка регулировочная | |
| 17 | 5247Б-2723078 | Прокладка регулировочная | |
| 18 | 5247Б-2723079 | Прокладка регулировочная | |
| 19 | 5247Б-2723048 | Шестерня коническая ведущая | |
| 20 | 5247Б-2723051 | Шестерня ведущая коническая | |
| 21 | 0000-1315224 | Подшипник 209 А | |
| 22 | 5247Б-2723062 | Втулка | |
| 23 | 5247Б-2723064 | Стакан картера | |
| 24 | 5247Б-2723069-01 | Шайба | |
| 25 | 376341 | Шайба 42 | |
| 26 | 375096 | Гайка М42х1,5-5Н6Н | |
| 27 | 5247Б-2723037 | Прокладка регулировочная | |
| 28 | 5247Б-2723038 | Прокладка регулировочная | |
| 29 | 5247Б-2723039 | Прокладка регулировочная | |
| 30 | 5247Б-2724010 | Штурвал рукоятки | |
| 31 | 5247Б-2724012 | Штурвал | |
| 32 | 5206-4205156-02 | Ручка | |
| 33 | 5247Г-2724014 | Ось ручки | |
| 34 | 251647 | Гайка М12х1,25-6Н |
Содержащиеся в справочниках-каталогах запасные части и детали не предлагаются к продаже, а носят исключительно информационный характер